LEMON Manuals: Even more car manuals for everyone
Home >> GMC >> 2021 >> Acadia SL >> Repair and Diagnosis >> External Pages >> Different car >> Section 173 (Keyless Entry System And Remote Functions) >> Schematic Wiring Diagrams >> Remote Function Wiring Schematics >> Keyless Entry - Passive and Keyless Start (GMC)

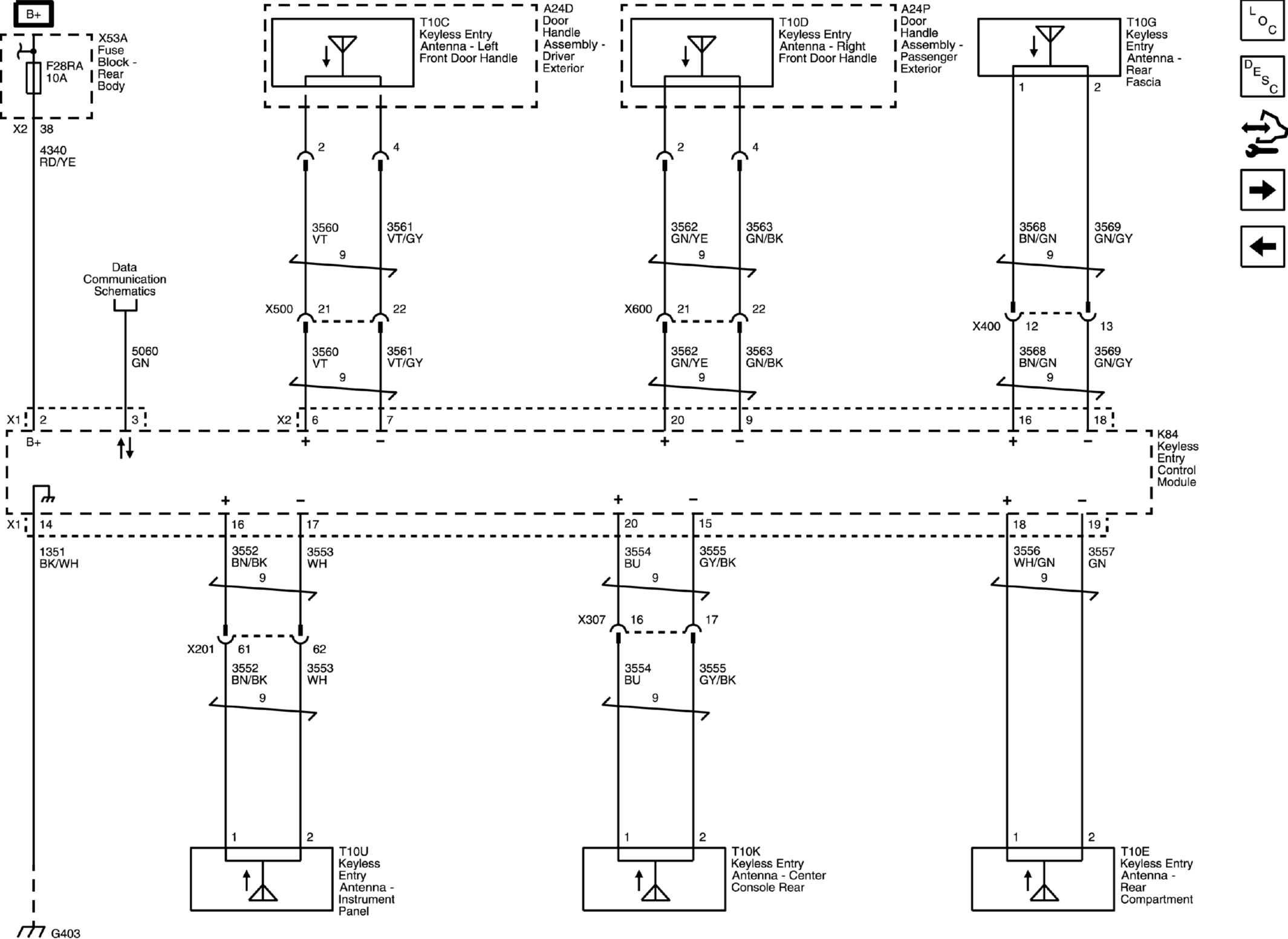
Keyless Entry - Passive and Keyless Start (GMC)

WARNING: This page is about a different car, the 2020 GMC Acadia. However, it is still accessible from the selected car via links, so may be relevant.
GM5283526Courtesy of GENERAL MOTORS COMPANY