LEMON Manuals: Even more car manuals for everyone
Home >> GMC >> 2019 >> Terrain SL >> Repair and Diagnosis (Single Page) >> Body & Frame >> Body, Cab Control Systems >> Vehicle Access System >> Schematic Wiring Diagrams >> Liftgate System Wiring Schematics >> Power, Ground, Serial Data and Front Controls

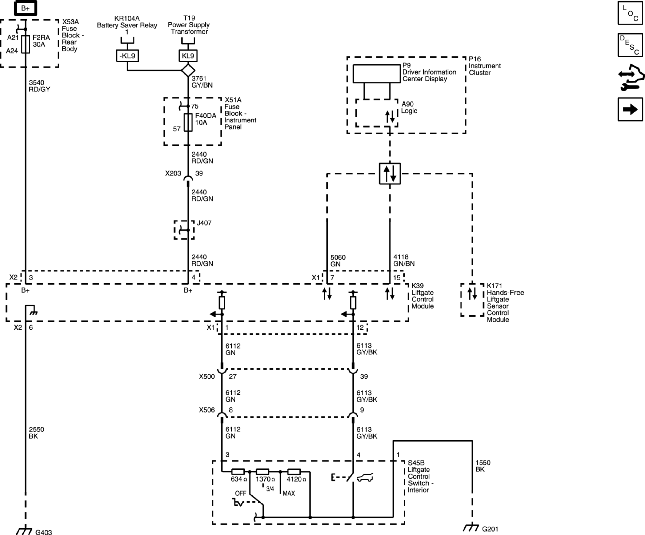
Power, Ground, Serial Data and Front Controls

GM4874271Courtesy of GENERAL MOTORS COMPANY