LEMON Manuals: Even more car manuals for everyone
Home >> GMC >> 2018 >> Terrain SL >> Repair and Diagnosis (Single Page) >> Accessories & Equipment >> Entertainment Systems >> Cellular System, Entertainment System, And Navigation System - Schematic Wiring Diagrams >> Schematic Wiring Diagrams >> Radio/Navigation System Wiring Schematics (IO5/IO6) >> Auxiliary Inputs

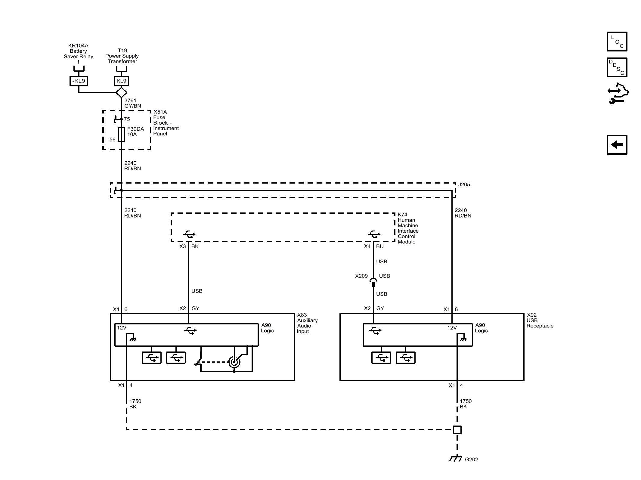
Auxiliary Inputs

Fig 1: Auxiliary Inputs
GM4597467Courtesy of GENERAL MOTORS COMPANY