LEMON Manuals: Even more car manuals for everyone
Home >> GMC >> 2018 >> Acadia SL >> Repair and Diagnosis >> External Pages >> Different car >> Section 239 (Object Detection System) >> Schematic Wiring Diagrams >> Object Detection Wiring Schematics >> Rearview Camera (UVC)

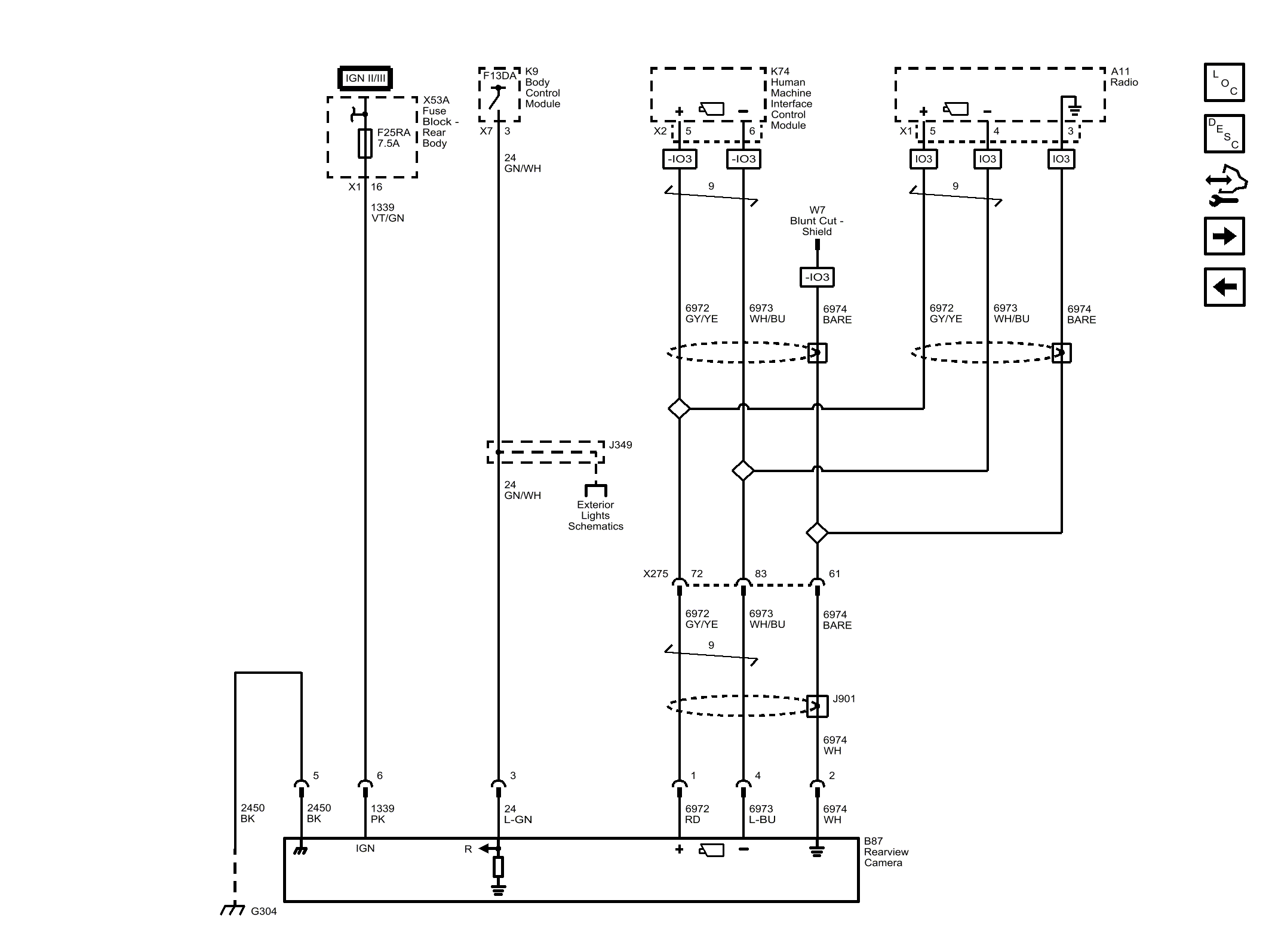
Rearview Camera (UVC)

WARNING: This page is about a different car, the 2017 Cadillac ATS. However, it is still accessible from the selected car via links, so may be relevant.
Fig 1: Rearview Camera (UVC)
GM4492327Courtesy of GENERAL MOTORS COMPANY