LEMON Manuals: Even more car manuals for everyone
Home >> GMC >> 2018 >> Acadia SL >> Repair and Diagnosis >> External Pages >> Different car >> Section 1 (Object Detection System And Pedestrian Protection System) >> Schematic Wiringing Diagrams >> Object Detection Wiring Schematics >> Rear Cross Traffic Alert (UFG) and Side Object Detection (UKC)

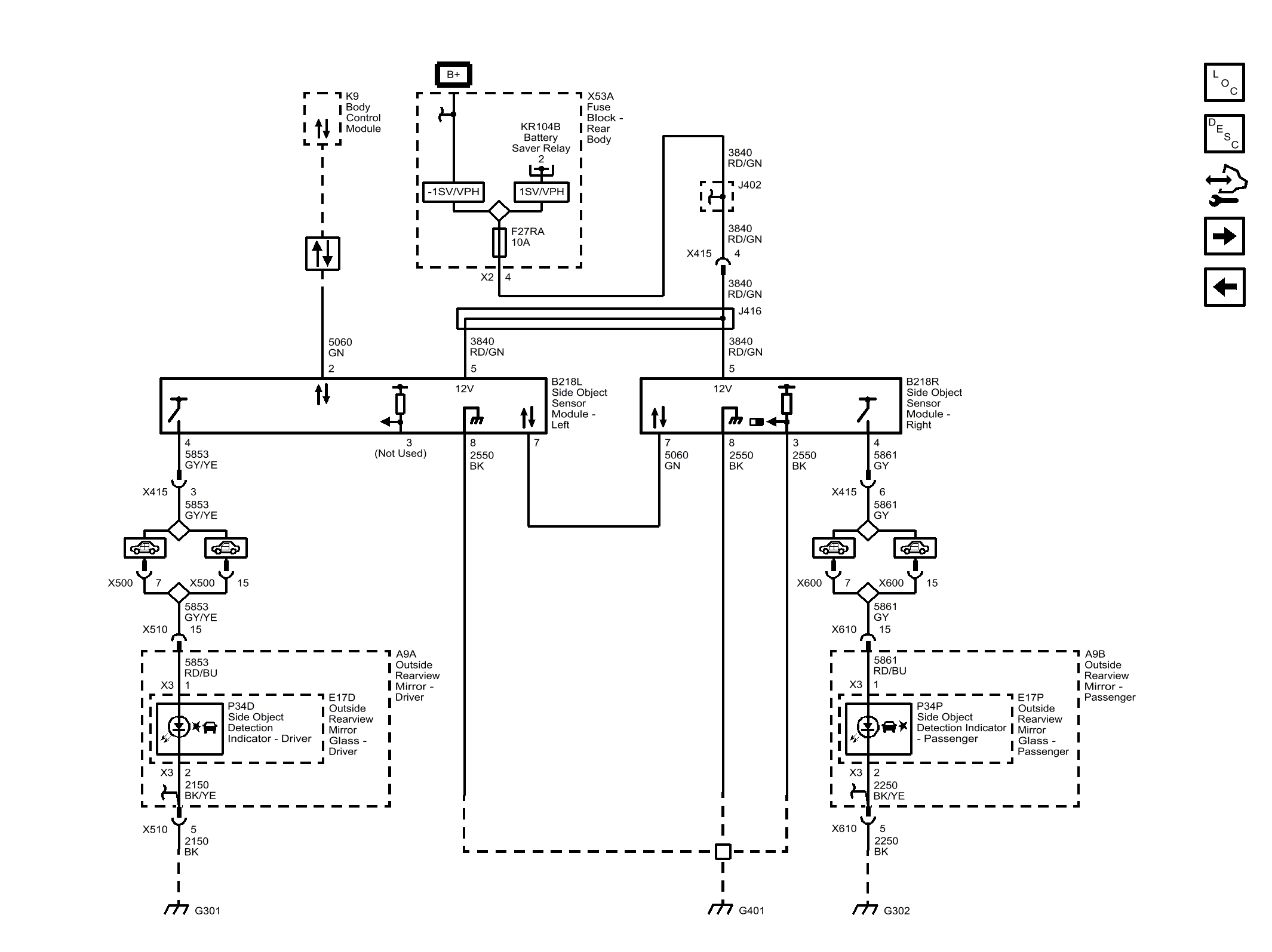
Rear Cross Traffic Alert (UFG) and Side Object Detection (UKC)

WARNING: This page is about a different car, the 2016 Cadillac ATS. However, it is still accessible from the selected car via links, so may be relevant.
Fig 1: Rear Cross Traffic Alert (UFG) and Side Object Detection (UKC)
GM4054960Courtesy of GENERAL MOTORS COMPANY