LEMON Manuals: Even more car manuals for everyone
Home >> GMC >> 2017 >> Terrain SL, Gas >> Repair and Diagnosis >> Accessories & Equipment >> Drivers Assistance Systems - ADAS >> Object Detection System And Pedestrian Protection System >> Schematic Wiring Diagrams >> Object Detection Wiring Schematics >> Rear Parking Assist (UD7)

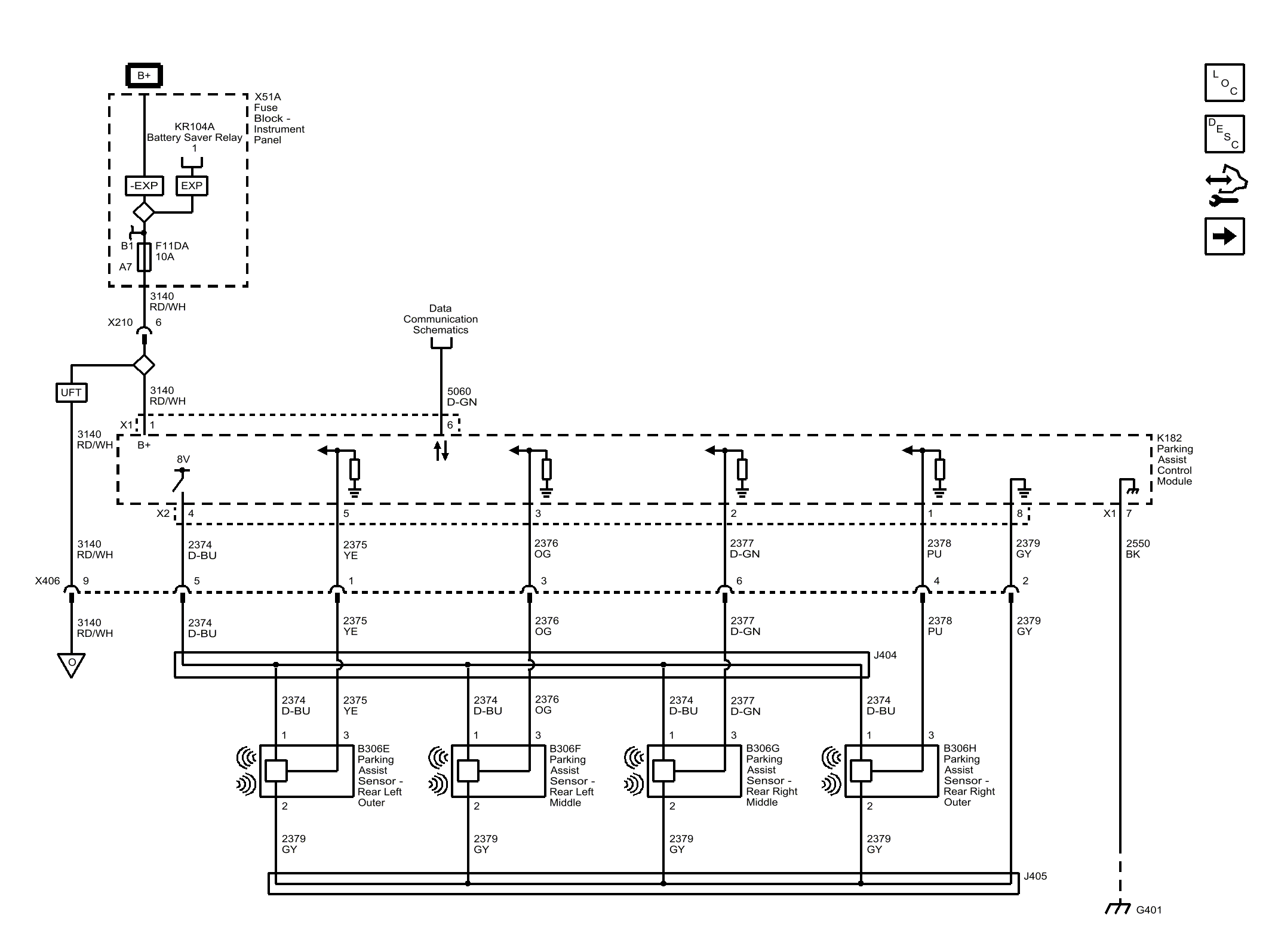
Rear Parking Assist (UD7)

Fig 1: Rear Parking Assist (UD7)
GM4404468Courtesy of GENERAL MOTORS COMPANY