LEMON Manuals: Even more car manuals for everyone
Home >> GMC >> 2017 >> Terrain SL, Gas >> Repair and Diagnosis >> Accessories & Equipment >> Collision/Avoidance >> Object Detection System And Pedestrian Protection System >> Schematic Wiring Diagrams >> Object Detection Wiring Schematics >> Rearview Camera (UVC)

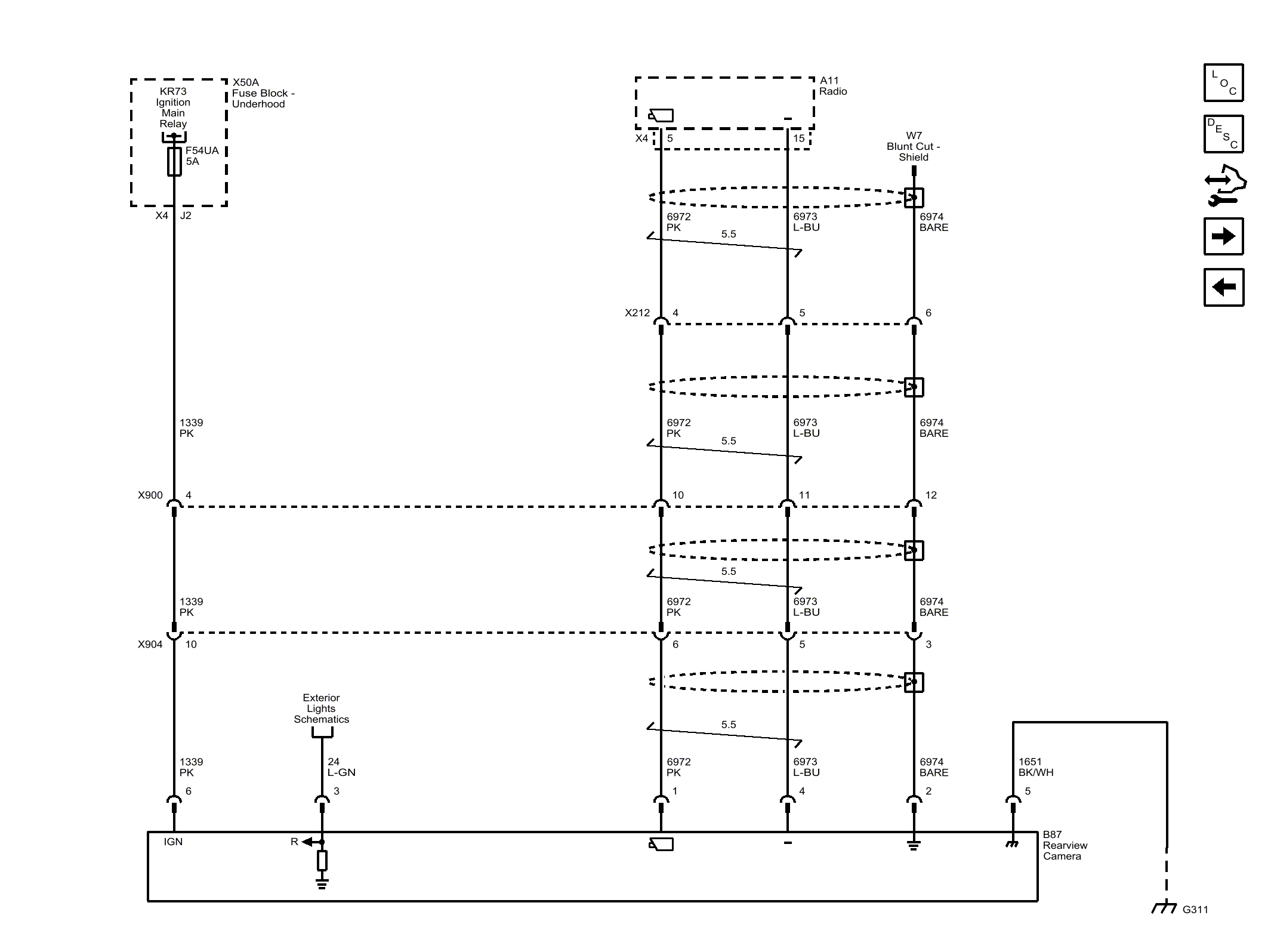
Rearview Camera (UVC)

Fig 1: Rearview Camera (UVC)
GM4404475Courtesy of GENERAL MOTORS COMPANY