LEMON Manuals: Even more car manuals for everyone
Home >> GMC >> 2017 >> Terrain SL, Gas >> Repair and Diagnosis >> Accessories & Equipment >> Collision/Avoidance >> Object Detection System And Pedestrian Protection System >> Schematic Wiring Diagrams >> Object Detection Wiring Schematics >> Forward Collision and Lane Departure

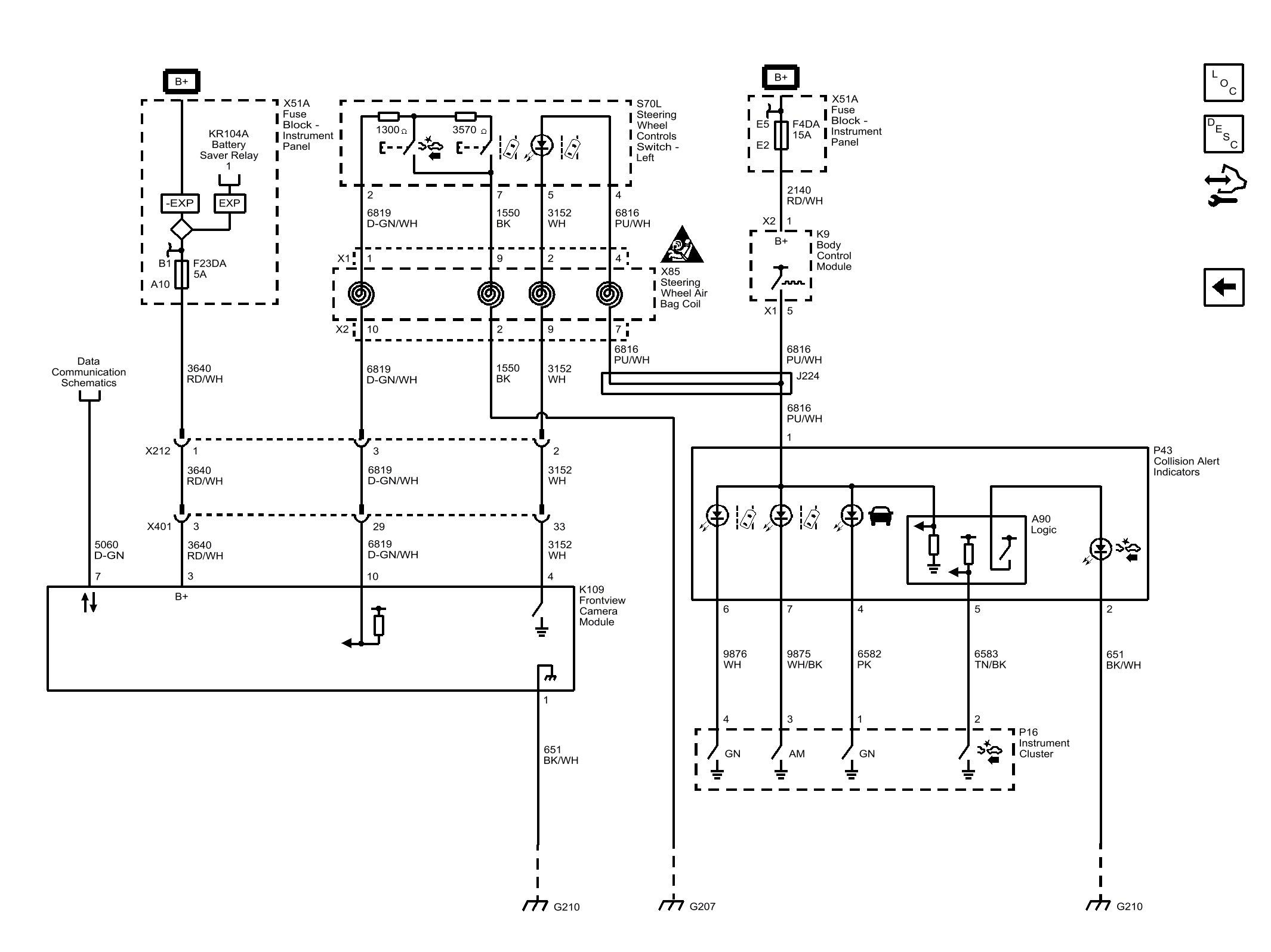
Forward Collision and Lane Departure

Fig 1: Forward Collision and Lane Departure
GM4404484Courtesy of GENERAL MOTORS COMPANY