LEMON Manuals: Even more car manuals for everyone
Home >> GMC >> 2017 >> Canyon SL >> Repair and Diagnosis (Single Page) >> Accessories & Equipment >> Entertainment Systems >> Cellular System, Entertainment System, And Navigation System >> Schematic Wiring Diagrams >> Radio/Navigation System Wiring Schematics (IOB, IO5, IO6) >> Human Machine Interface, Display, Cellular Microphone, Power, Ground and Serial Data

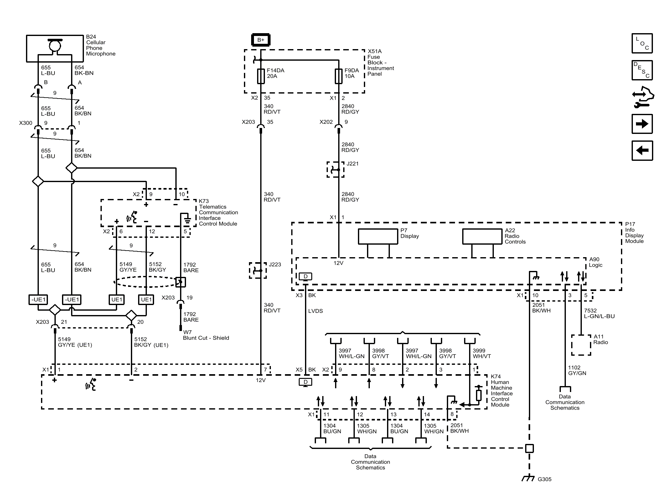
Human Machine Interface, Display, Cellular Microphone, Power, Ground and Serial Data

Fig 1: Human Machine Interface, Display, Cellular Microphone, Power, Ground and Serial Data
GM4569120Courtesy of GENERAL MOTORS COMPANY