LEMON Manuals: Even more car manuals for everyone
Home >> GMC >> 2017 >> Acadia SL >> Repair and Diagnosis >> External Pages >> Different car >> Section 273 (Shift Lock Control System) >> Schematic Wiring Diagrams >> Shift Lock Control Wiring Schematics >> Shift Lock Control (M5T/M5N/M5U)

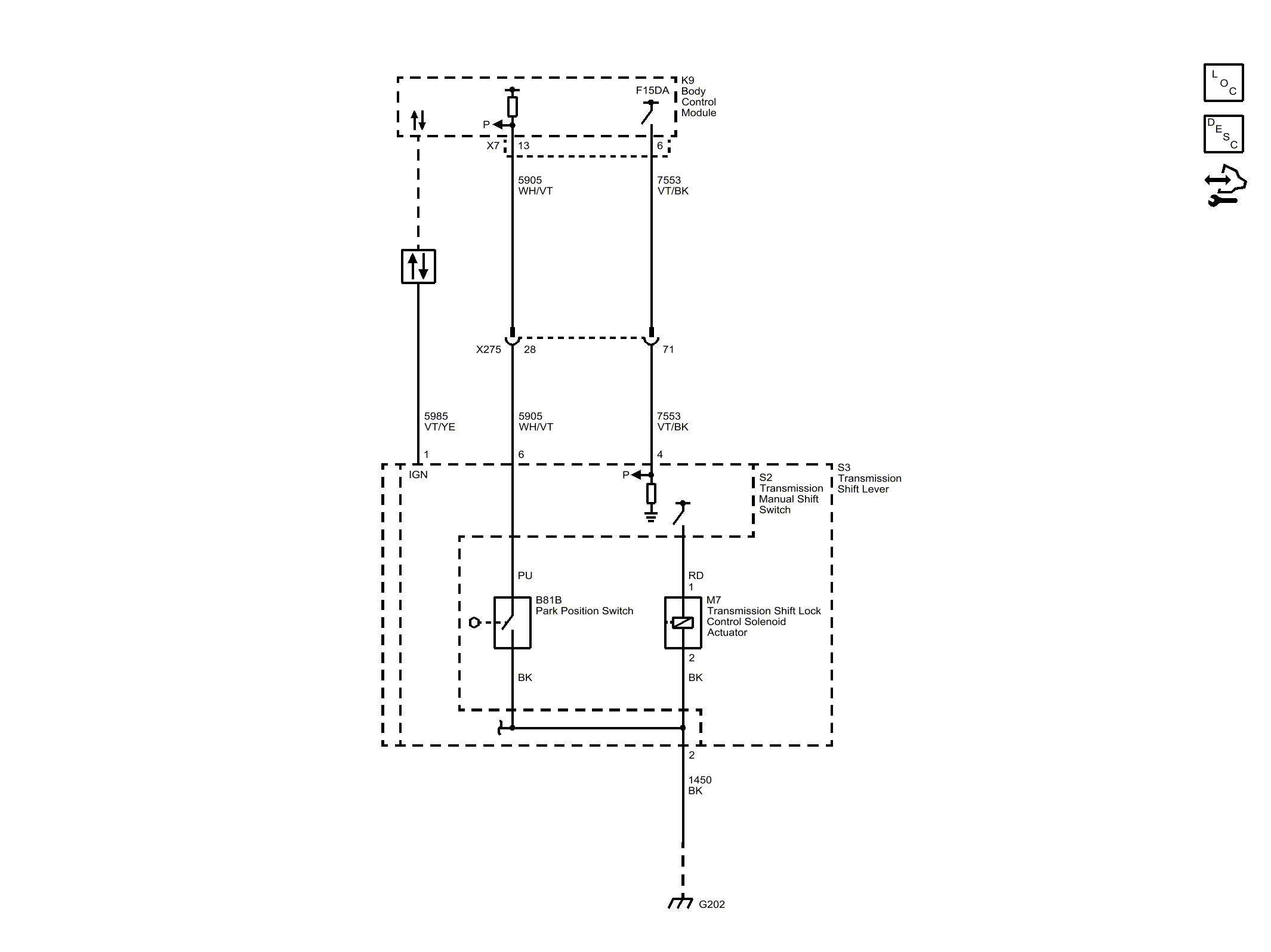
Shift Lock Control (M5T/M5N/M5U)

WARNING: This page is about a different car, the 2017 Cadillac ATS. However, it is still accessible from the selected car via links, so may be relevant.
Fig 1: Shift Lock Control (M5T/M5N/M5U)
GM4492593Courtesy of GENERAL MOTORS COMPANY