LEMON Manuals: Even more car manuals for everyone
Home >> GMC >> 2017 >> Acadia SL >> Repair and Diagnosis >> Accessories & Equipment >> Drivers Assistance Systems - ADAS >> Object Detection System And Pedestrian Protection System >> Schematic Wiring Diagrams >> Object Detection Wiring Schematics >> Collision Alert Indicators and Safety Seat (UEU and UHX)

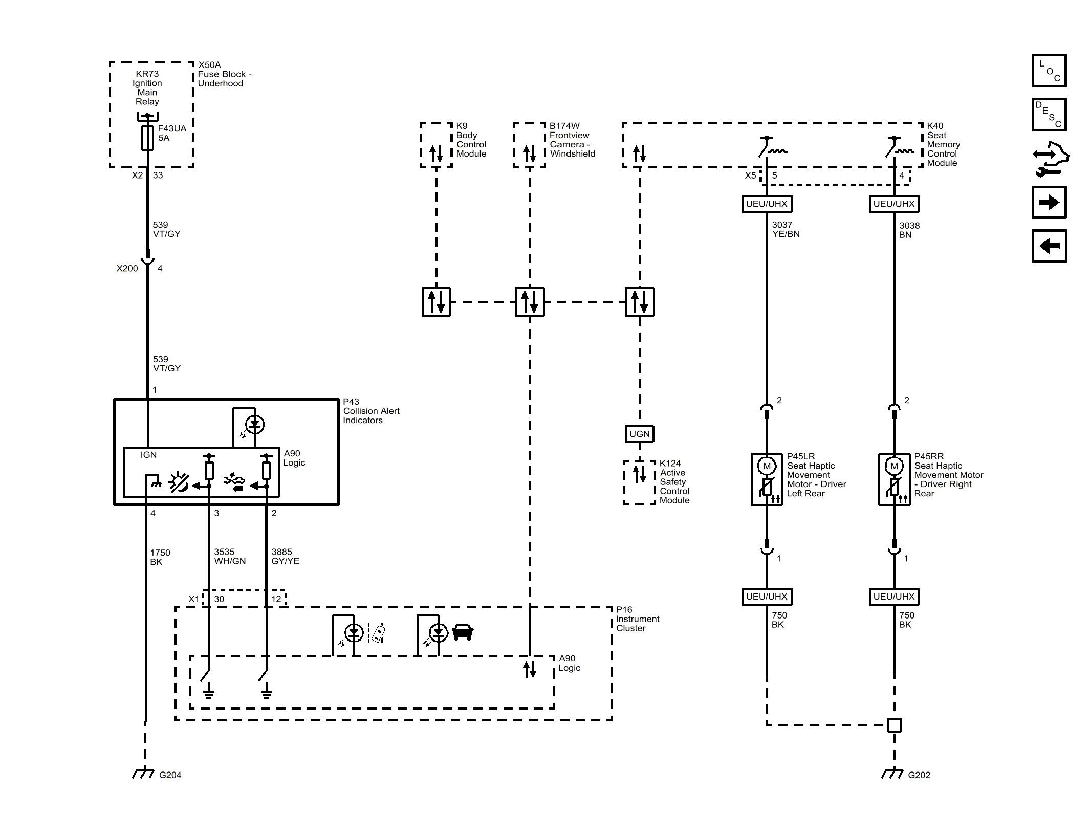
Collision Alert Indicators and Safety Seat (UEU and UHX)

Fig 1: Collision Alert Indicators and Safety Seat (UEU and UHX)
GM4373410Courtesy of GENERAL MOTORS COMPANY