LEMON Manuals: Even more car manuals for everyone
Home >> GMC >> 2017 >> Acadia SL >> Repair and Diagnosis >> Accessories & Equipment >> Drivers Assistance Systems - ADAS >> Object Detection System And Pedestrian Protection System >> Schematic Wiring Diagrams >> Object Detection Wiring Schematics >> 360 Degree Vision - Front and Rear Cameras (UVH)

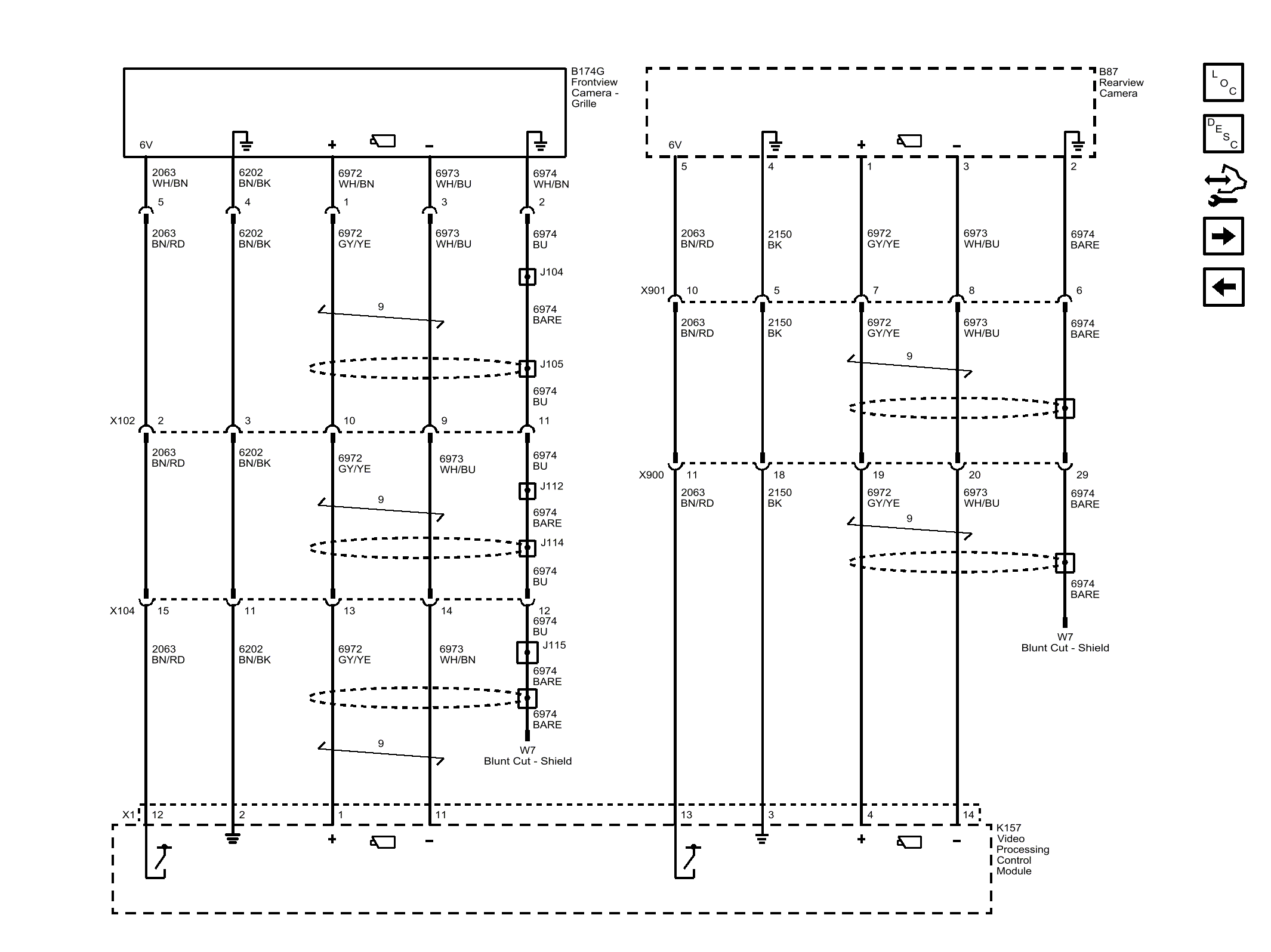
360 Degree Vision - Front and Rear Cameras (UVH)

Fig 1: 360 Degree Vision - Front and Rear Cameras (UVH)
GM4373420Courtesy of GENERAL MOTORS COMPANY