LEMON Manuals: Even more car manuals for everyone
Home >> GMC >> 2017 >> Acadia SL >> Repair and Diagnosis >> Accessories & Equipment >> Collision/Avoidance >> Object Detection System And Pedestrian Protection System >> Schematic Wiring Diagrams >> Object Detection Wiring Schematics >> Collision Avoidance - Module Power, Ground, and Serial Data (UGN)

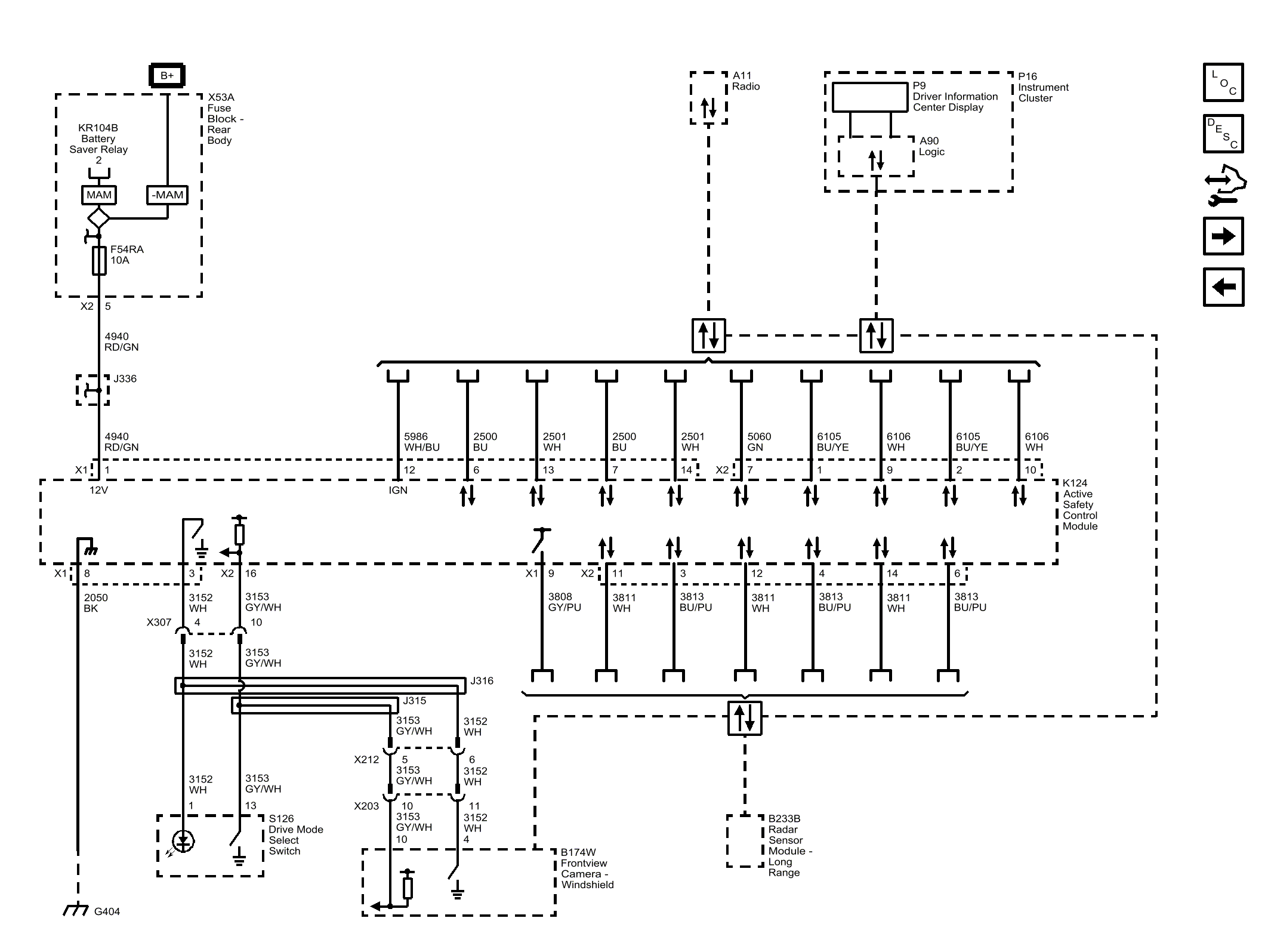
Collision Avoidance - Module Power, Ground, and Serial Data (UGN)

Fig 1: Collision Avoidance - Module Power, Ground, and Serial Data (UGN)
GM4373415Courtesy of GENERAL MOTORS COMPANY