LEMON Manuals: Even more car manuals for everyone
Home >> GMC >> 2016 >> Yukon Denali, 4WD >> Repair and Diagnosis >> Accessories & Equipment >> Drivers Assistance Systems - ADAS >> Object Detection System And Pedestrian Protection System >> Schematic Wiring Diagrams >> Object Detection Wiring Schematics >> Park Assist - Power, Ground, and Serial Data (UD5 or UD7)

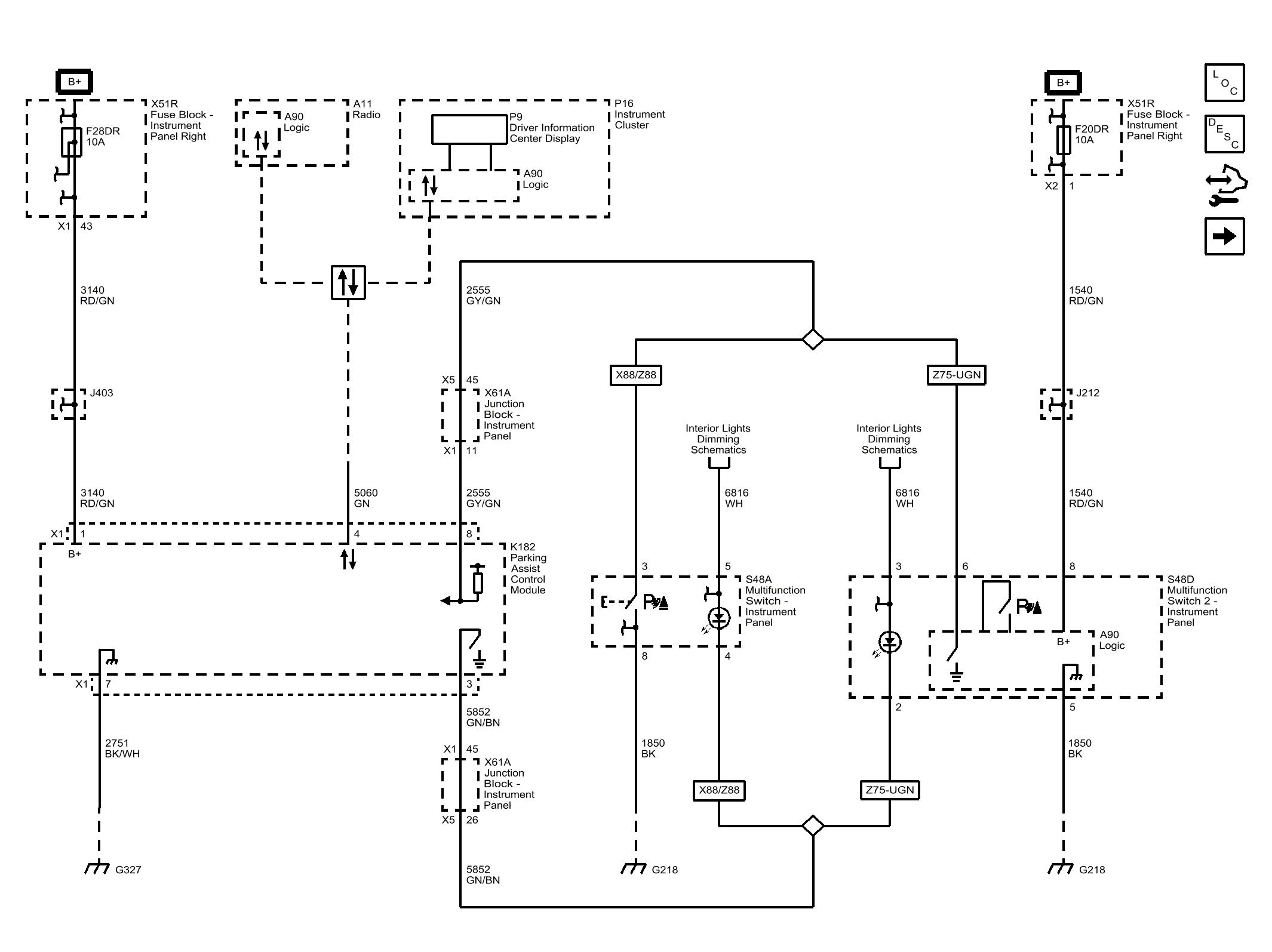
Park Assist - Power, Ground, and Serial Data (UD5 or UD7)

Fig 1: Park Assist - Power, Ground, and Serial Data (UD5 or UD7)
GM4074118Courtesy of GENERAL MOTORS COMPANY