LEMON Manuals: Even more car manuals for everyone
Home >> GMC >> 2016 >> Terrain SL, Gas >> Repair and Diagnosis >> External Pages >> Different car >> Section 94 (Object Detection And Pedestrian Protection System) >> Schematic Wiring Diagrams >> Object Detection Wiring Schematics >> Rear Parking Assist (UD7)

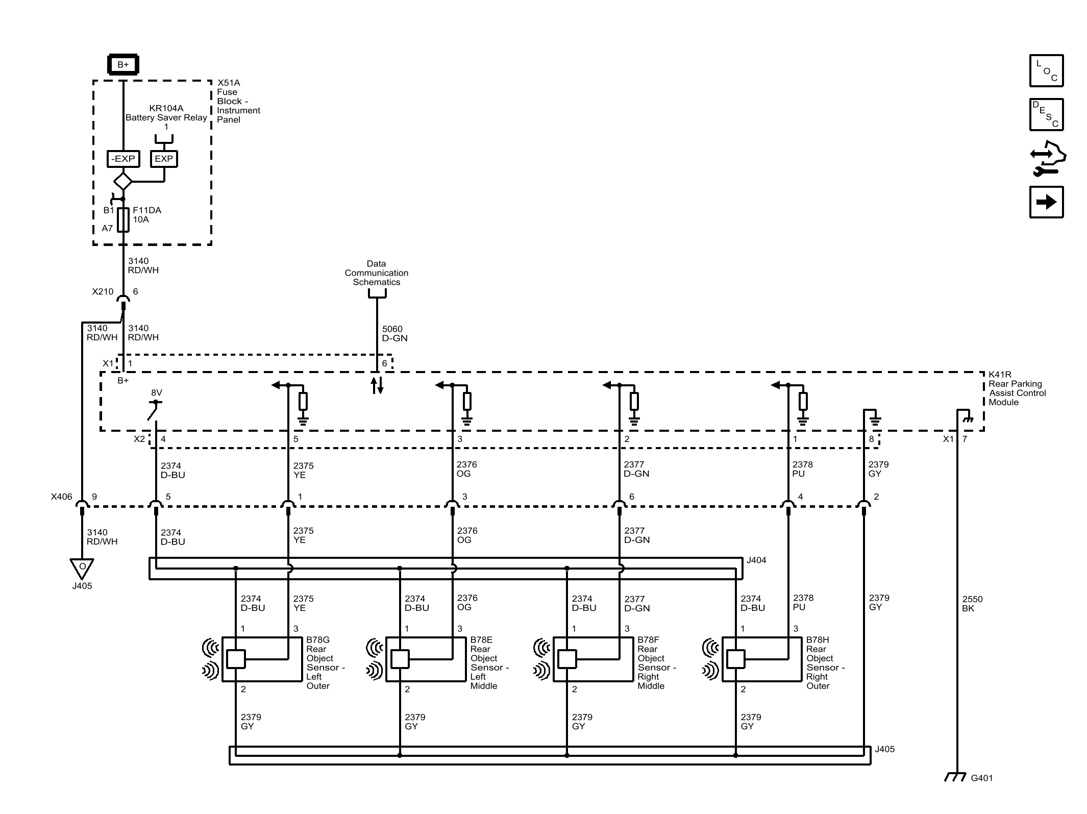
Rear Parking Assist (UD7)

WARNING: This page is about a different car, the 2015 GMC Terrain and 2015 Chevrolet Equinox. However, it is still accessible from the selected car via links, so may be relevant.
Fig 1: Rear Parking Assist (UD7)
GM3805154Courtesy of GENERAL MOTORS COMPANY