LEMON Manuals: Even more car manuals for everyone
Home >> GMC >> 2016 >> Terrain SL, Gas/Ethanol >> Repair and Diagnosis >> Engine Performance >> System >> Data Communication System >> Schematic Wiring Diagrams >> Data Communication Wiring Schematics >> Radio/HVAC Linear Interconnect Network (LIN) Bus and CAN Graphical Interface

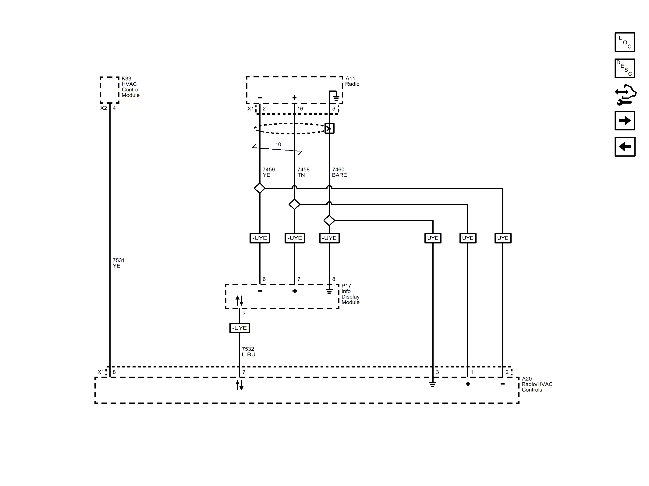
Radio/HVAC Linear Interconnect Network (LIN) Bus and CAN Graphical Interface

Fig 1: Radio/HVAC Linear Interconnect Network (LIN) Bus and CAN Graphical Interface
GM4069736Courtesy of GENERAL MOTORS COMPANY