LEMON Manuals: Even more car manuals for everyone
Home >> GMC >> 2016 >> Terrain SL, Gas/Ethanol >> Repair and Diagnosis >> Engine Performance >> System >> Data Communication System >> Schematic Wiring Diagrams >> Data Communication Wiring Schematics >> Enable Serial Data

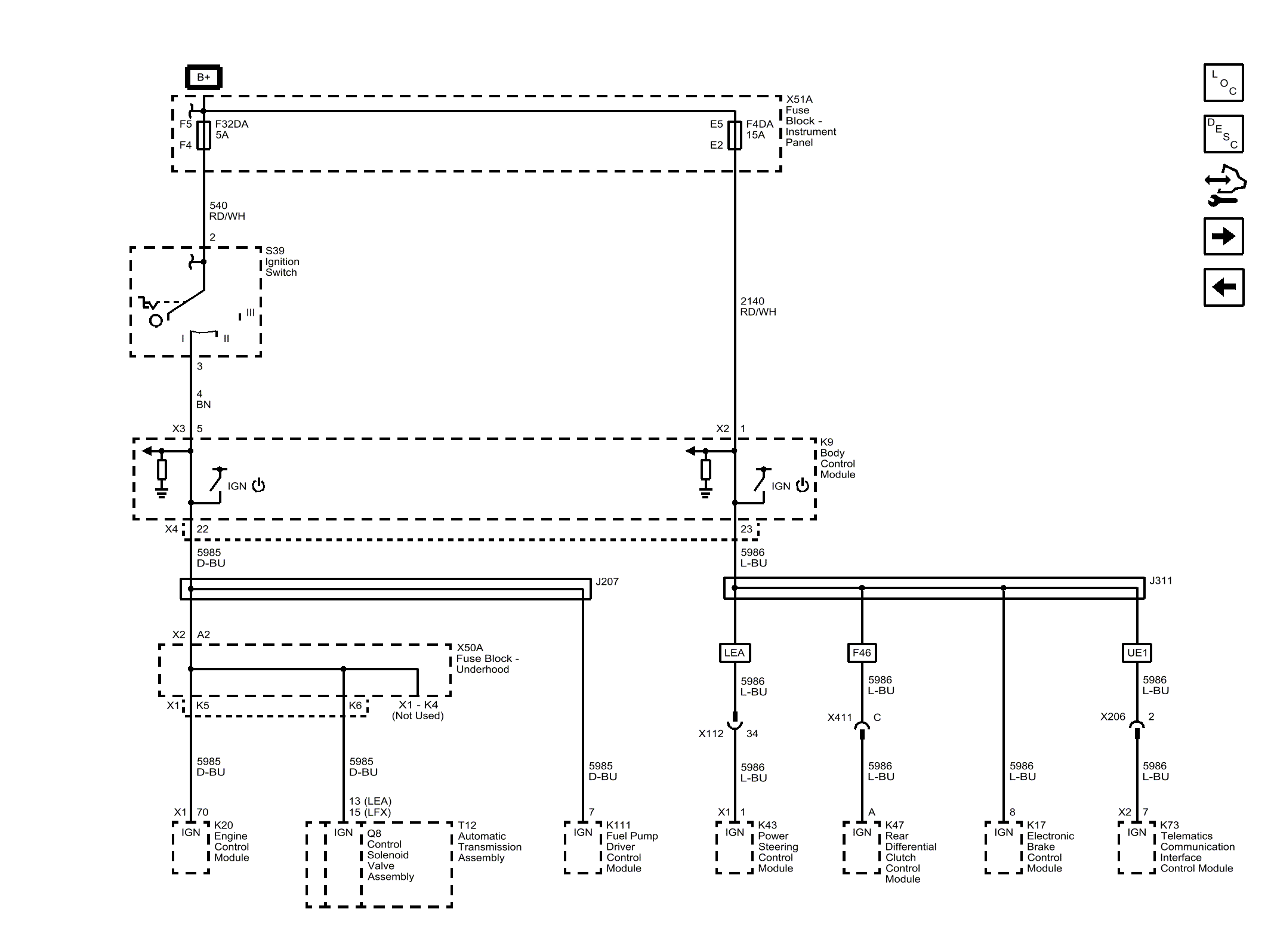
Enable Serial Data

Fig 1: Enable Serial Data
GM4069732Courtesy of GENERAL MOTORS COMPANY