LEMON Manuals: Even more car manuals for everyone
Home >> GMC >> 2016 >> Terrain SL, Gas/Ethanol >> Repair and Diagnosis >> Accessories & Equipment >> Drivers Assistance Systems - ADAS >> Object Detection System And Pedestrian Protection System >> Schematic Wiring Diagrams >> Object Detection Wiring Schematics >> Forward Collision and Lane Departure

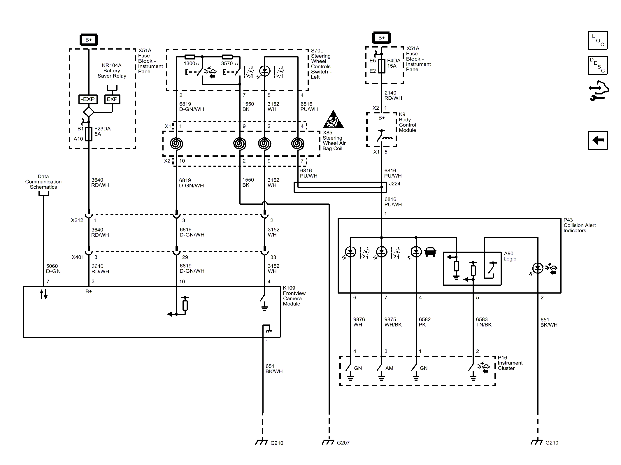
Forward Collision and Lane Departure

Fig 1: Forward Collision and Lane Departure
GM4069879Courtesy of GENERAL MOTORS COMPANY