LEMON Manuals: Even more car manuals for everyone
Home >> GMC >> 2015 >> Yukon SLE, 4WD >> Repair and Diagnosis >> Accessories & Equipment >> Drivers Assistance Systems - ADAS >> Object Detection System And Pedestrian Protection System >> Schematic Wiring Diagrams >> Object Detection Wiring Schematics >> Rear Vision Camera (UVC)

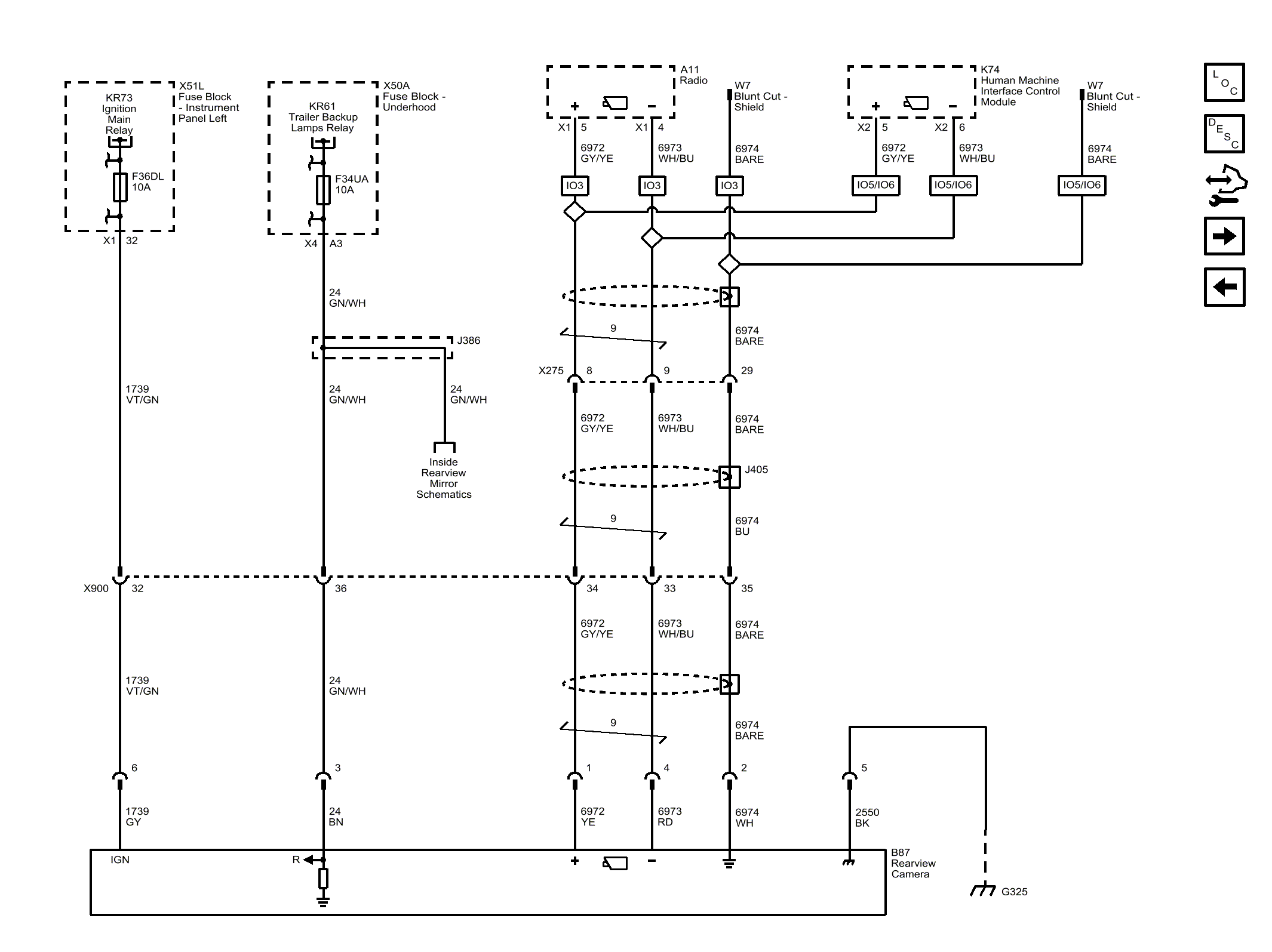
Rear Vision Camera (UVC)

Fig 1: Rear Vision Camera (UVC)
GM3636965Courtesy of GENERAL MOTORS COMPANY