LEMON Manuals: Even more car manuals for everyone
Home >> GMC >> 2015 >> Terrain SL, Gas >> Repair and Diagnosis >> Accessories & Equipment >> Drivers Assistance Systems - ADAS >> Object Detection And Pedestrian Protection System >> Schematic Wiring Diagrams >> Object Detection Wiring Schematics >> Side Object Detection (UFT)

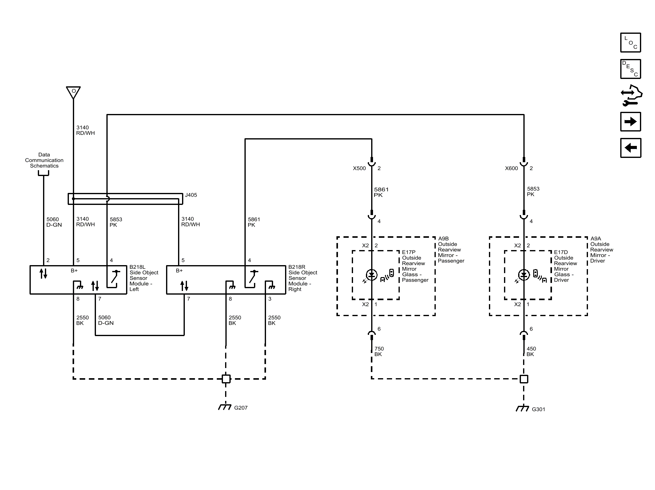
Side Object Detection (UFT)

Fig 1: Side Object Detection (UFT)
GM3805158Courtesy of GENERAL MOTORS COMPANY