LEMON Manuals: Even more car manuals for everyone
Home >> GMC >> 2014 >> Terrain SLT, 4D Utility >> Repair and Diagnosis >> External Pages >> Different car >> Section 149 (Cellular System, Entertainment System, And Navigation System) >> Wiring Schematics >> Radio/Navigation System Wiring Schematics >> Radio Display (UEW, UFU, Or UYS)

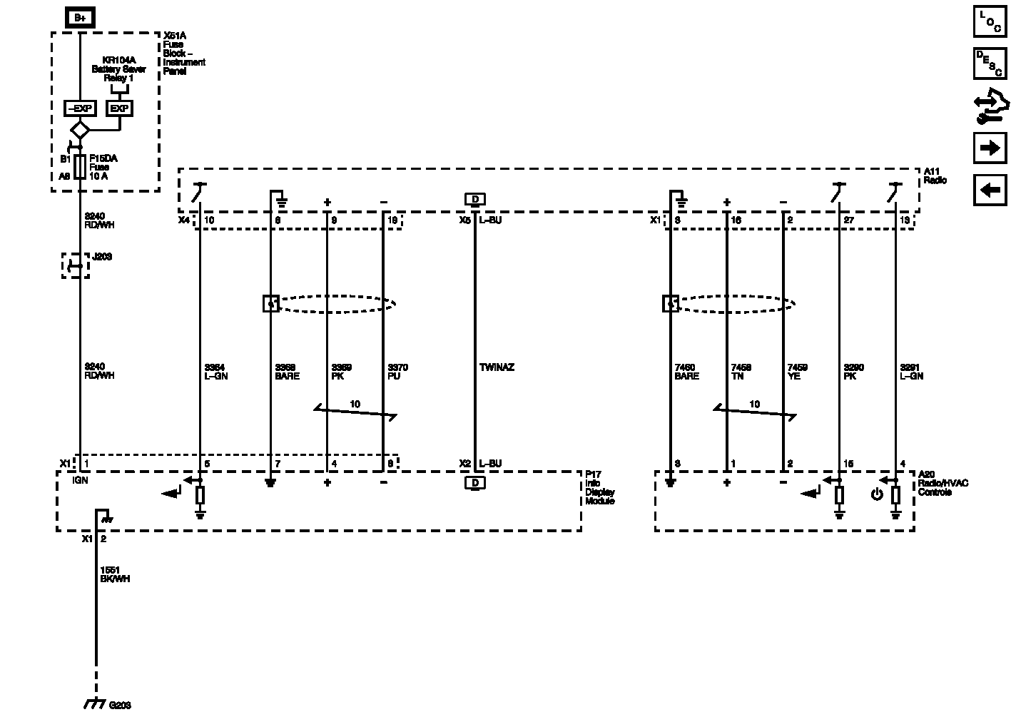
Radio Display (UEW, UFU, Or UYS)

WARNING: This page is about a different car, the 2012 GMC Terrain and 2012 Chevrolet Equinox. However, it is still accessible from the selected car via links, so may be relevant.
Fig 1: Radio Display (UEW, UFU, Or UYS) Wiring Schematic
GM2618290Courtesy of GENERAL MOTORS COMPANY