LEMON Manuals: Even more car manuals for everyone
Home >> GMC >> 2014 >> Terrain SLT, 4D Utility >> Repair and Diagnosis >> External Pages >> Different car >> Section 13 (Cellular Systems, Entertainment Systems & Navigation Systems) >> Schematic and Routing Diagrams >> Video System Schematics

Video System Schematics

WARNING: This page is about a different car, the 2010 GMC Terrain and 2010 Chevrolet Equinox. However, it is still accessible from the selected car via links, so may be relevant.
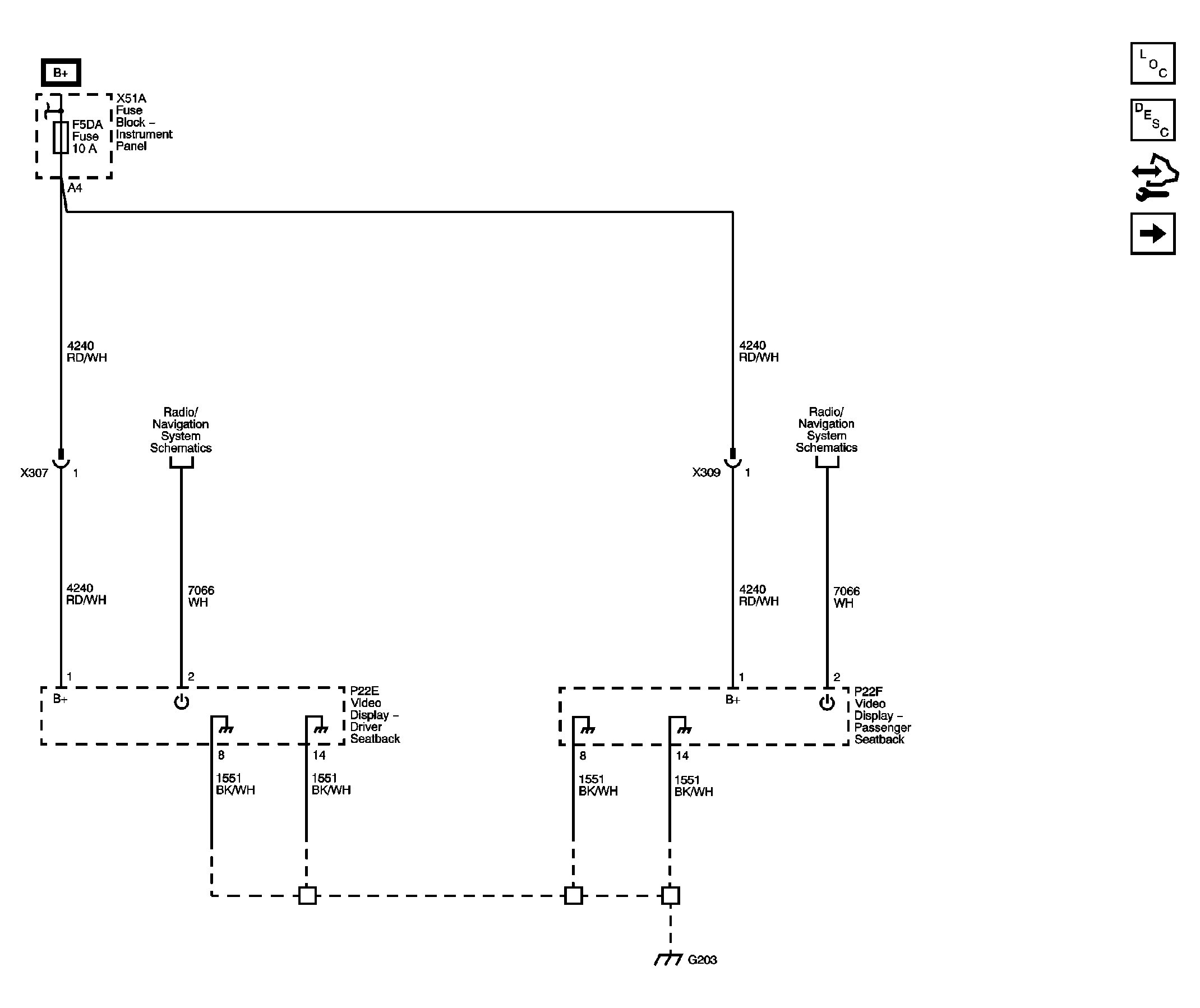
Fig 1: Power and Ground (UWG)
GM2237678Courtesy of GENERAL MOTORS CORP.
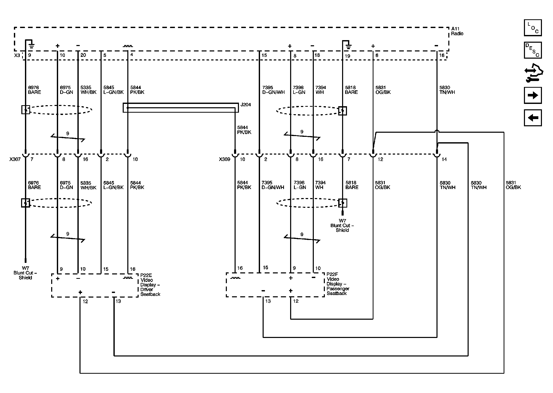
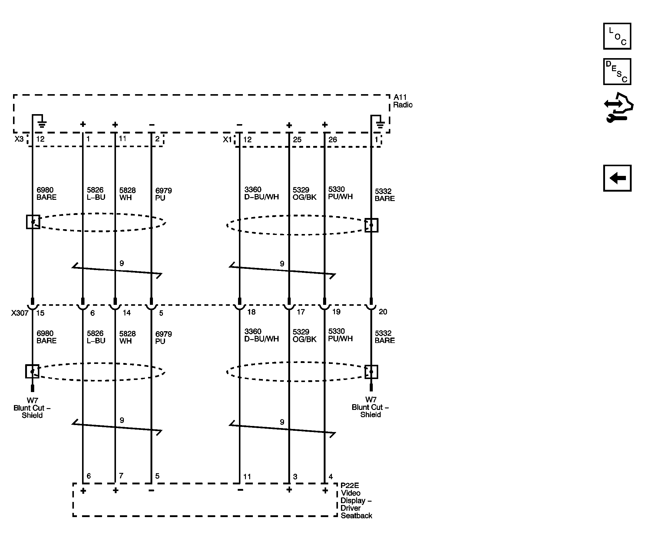
Fig 2: Video Signals (UWG)
GM2237679Courtesy of GENERAL MOTORS CORP.
Fig 3: Audio Signals (UWG)
GM2237680Courtesy of GENERAL MOTORS CORP.