LEMON Manuals: Even more car manuals for everyone
Home >> GMC >> 2014 >> Terrain Denali, 4D Utility >> Repair and Diagnosis >> Engine Performance >> System >> Data Communication System >> Schematic Wiring Diagrams >> Data Communication System Wiring Schematics >> Enable Serial Data Wiring Schematics

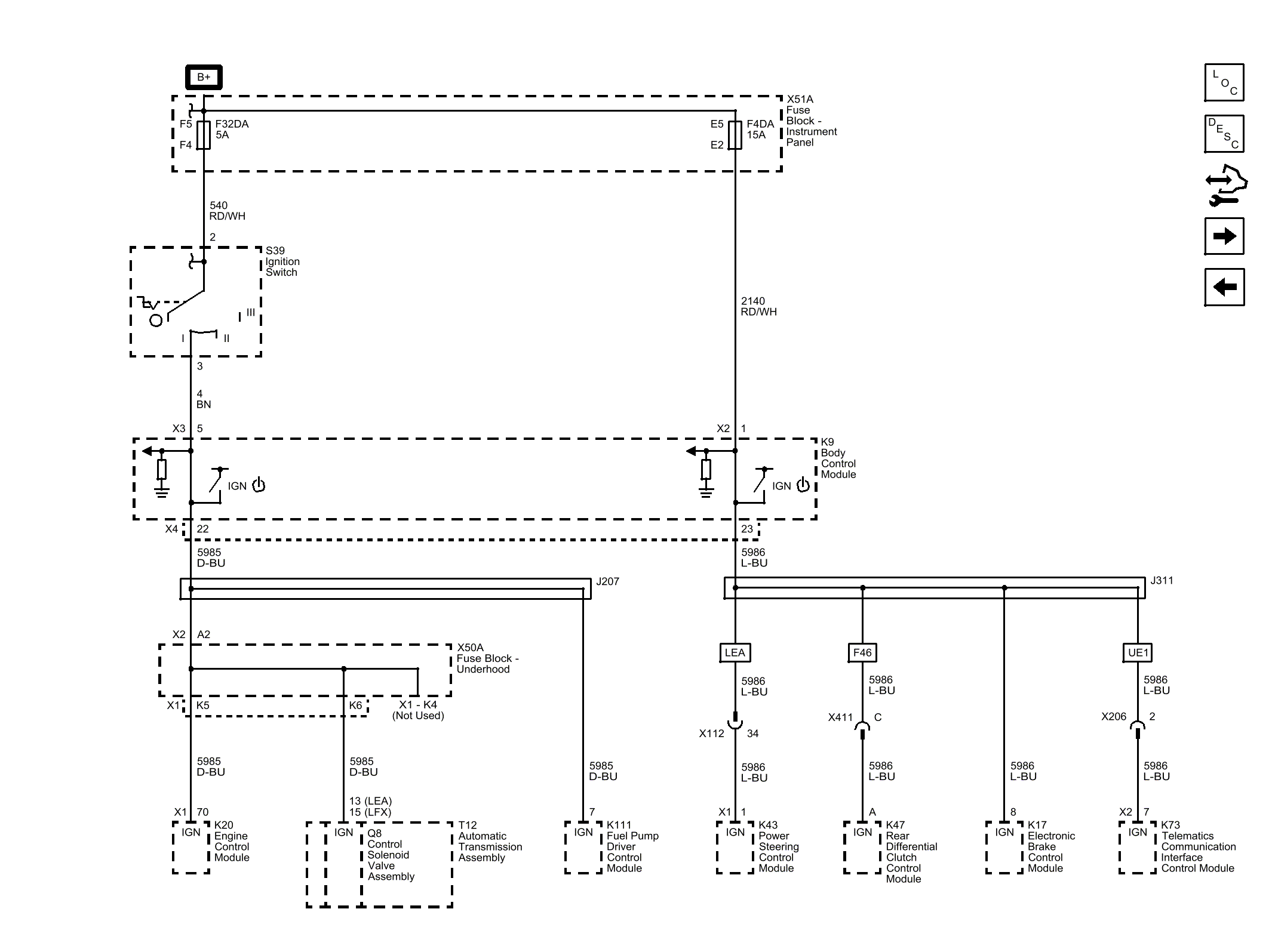
Enable Serial Data Wiring Schematics

Fig 1: Enable Serial Data Wiring Schematics
GM3423767Courtesy of GENERAL MOTORS COMPANY