LEMON Manuals: Even more car manuals for everyone
Home >> GMC >> 2014 >> Terrain Denali, 4D Utility >> Repair and Diagnosis >> Engine Performance >> System >> Data Communication System >> Schematic Wiring Diagrams >> Data Communication System Wiring Schematics >> BCM Linear Interconnect Network (LIN) Bus 1, 2, 3, 4, and Memory Seat LIN Bus Wiring Schematics

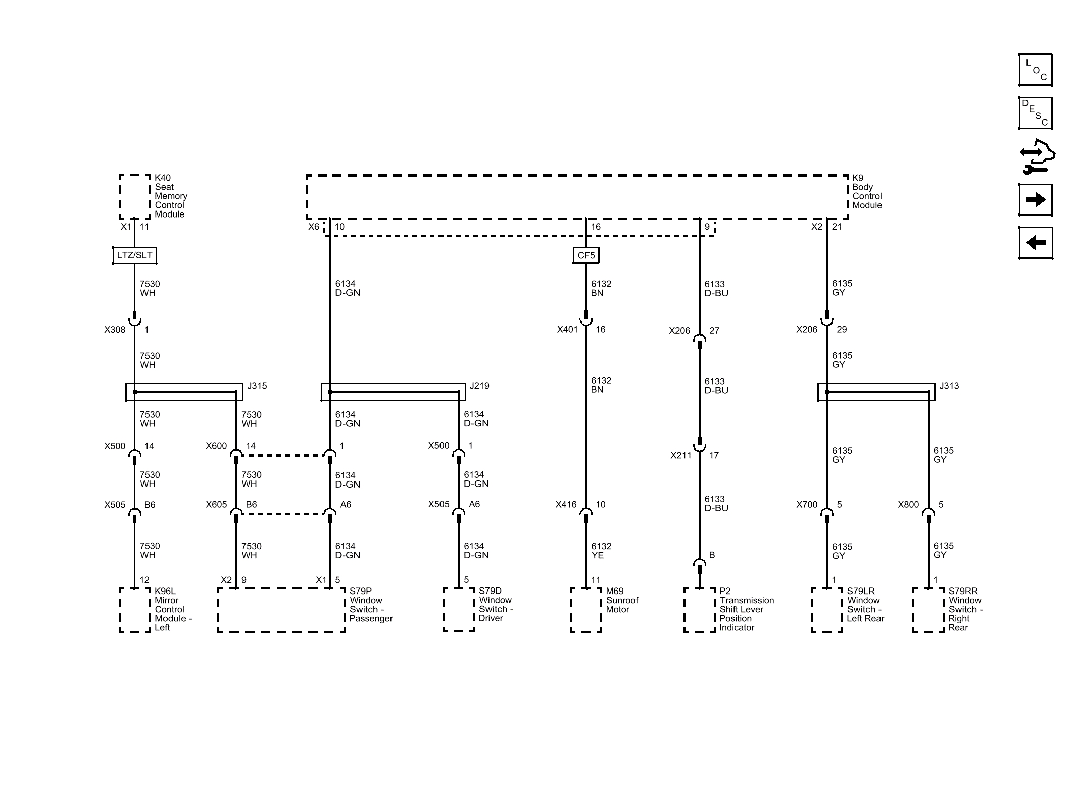
BCM Linear Interconnect Network (LIN) Bus 1, 2, 3, 4, and Memory Seat LIN Bus Wiring Schematics

Fig 1: BCM Linear Interconnect Network (LIN) Bus 1, 2, 3, 4, and Memory Seat LIN Bus Wiring Schematics
GM3423926Courtesy of GENERAL MOTORS COMPANY