LEMON Manuals: Even more car manuals for everyone
Home >> GMC >> 2014 >> Terrain Denali, 4D Utility >> Repair and Diagnosis >> Accessories & Equipment >> Drivers Assistance Systems - ADAS >> Object Detection System And Pedestrian Protection System >> Schematic Wiring Diagrams >> Object Detection System Wiring Schematics >> Side Object Detection (UFT) Wiring Schematics

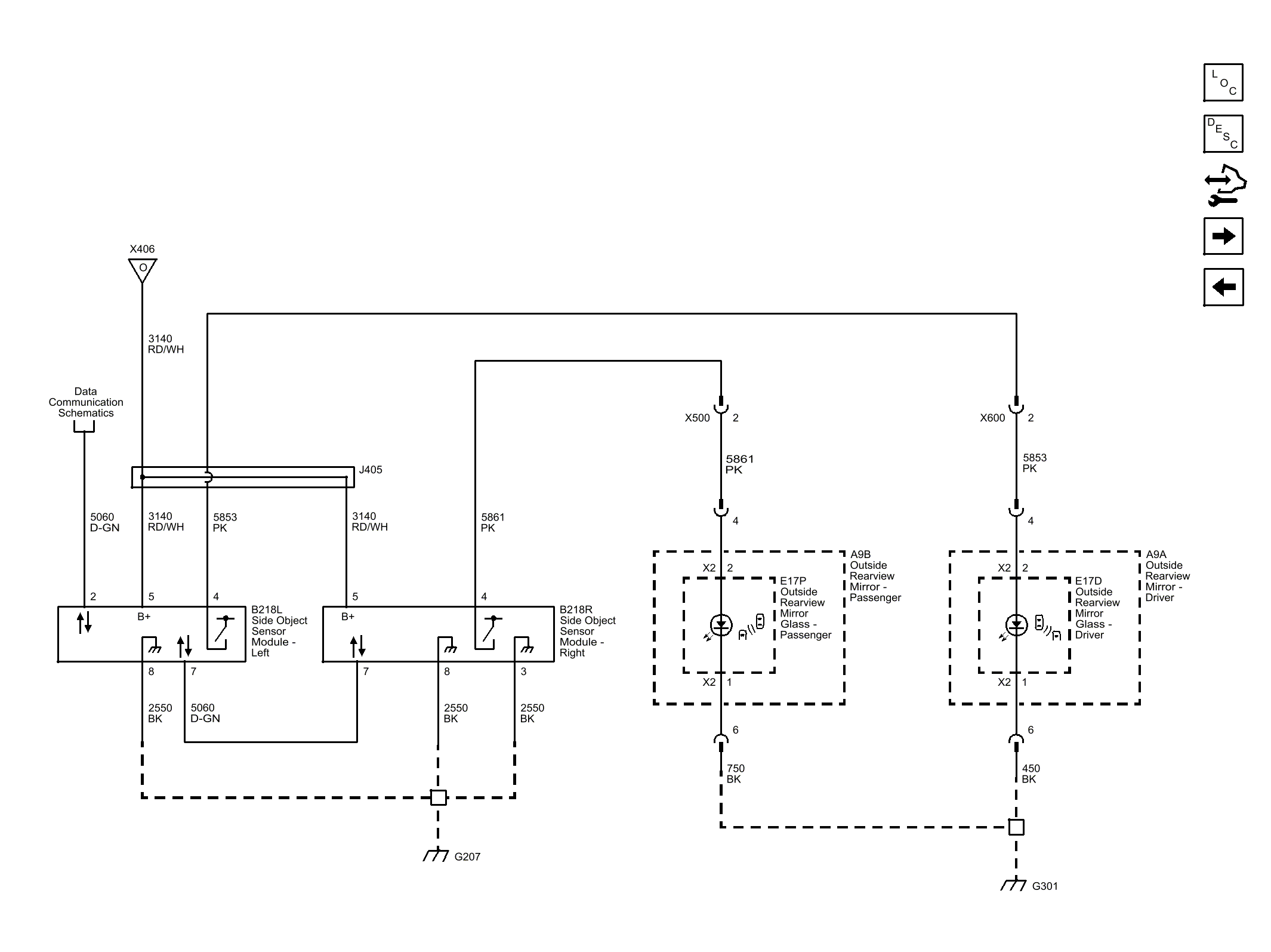
Side Object Detection (UFT) Wiring Schematics

Fig 1: Side Object Detection (UFT) Wiring Schematics
GM3424614Courtesy of GENERAL MOTORS COMPANY