LEMON Manuals: Even more car manuals for everyone
Home >> GMC >> 2014 >> Terrain Denali, 4D Utility >> Repair and Diagnosis >> Accessories & Equipment >> Drivers Assistance Systems - ADAS >> Object Detection System And Pedestrian Protection System >> Schematic Wiring Diagrams >> Object Detection System Wiring Schematics >> Rear Parking Assist (UD7) Wiring Schematics

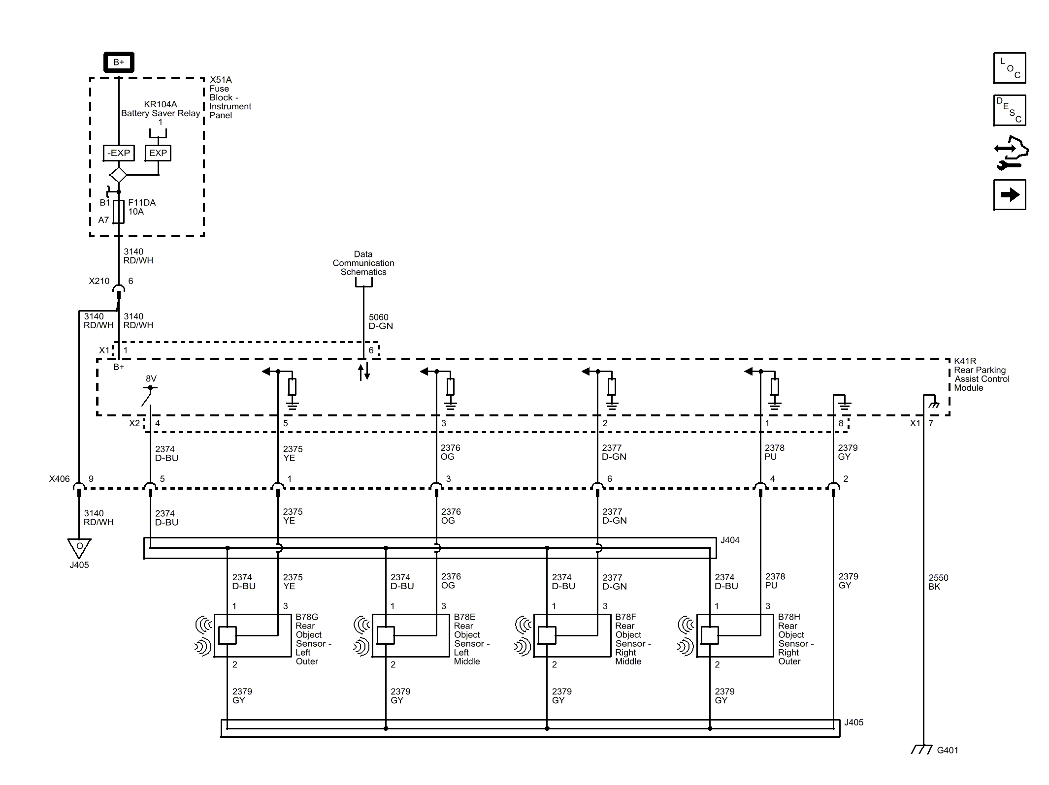
Rear Parking Assist (UD7) Wiring Schematics

Fig 1: Rear Parking Assist (UD7) Wiring Schematics
GM3424631Courtesy of GENERAL MOTORS COMPANY