LEMON Manuals: Even more car manuals for everyone
Home >> GMC >> 2013 >> Yukon Base, 4WD >> Repair and Diagnosis >> Engine Performance >> System >> Data Communication System >> Schematic Wiring Diagrams >> Data Communication Wiring Schematics >> Serial Data Communication Enable and Wake-up Circuits

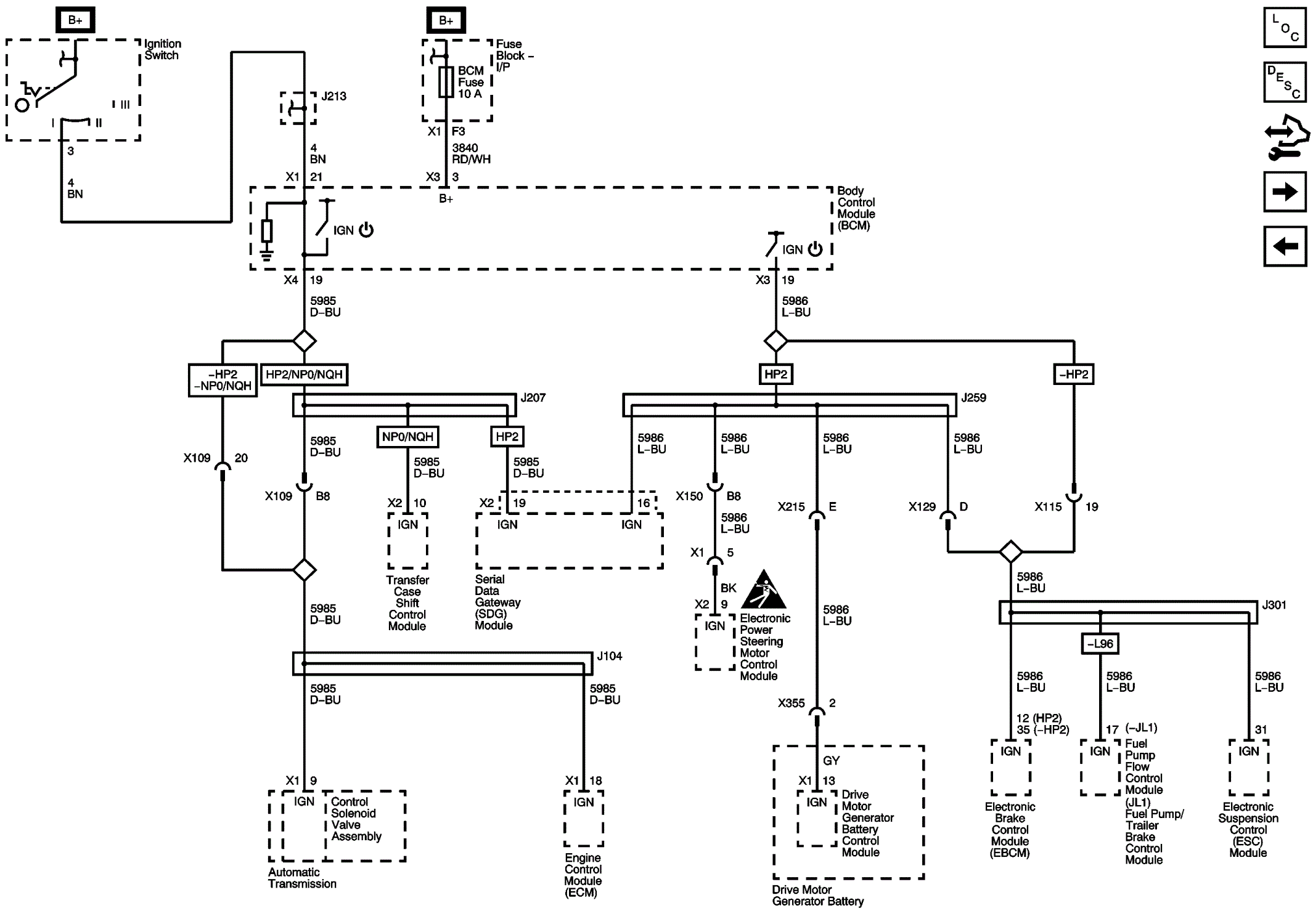
Serial Data Communication Enable and Wake-up Circuits

Fig 1: Serial Data Communication Enable and Wake-up Circuits
GM2761639Courtesy of GENERAL MOTORS COMPANY