LEMON Manuals: Even more car manuals for everyone
Home >> GMC >> 2013 >> Sierra 1500 XFE >> Repair and Diagnosis >> External Pages >> Different car >> Section 2956 (Object Detection System And Pedestrian Protection System) >> Schematic Wiring Diagrams >> Object Detection Wiring Schematics >> Rearview Camera (UVC with IO5 or IO6) (1 of 2)

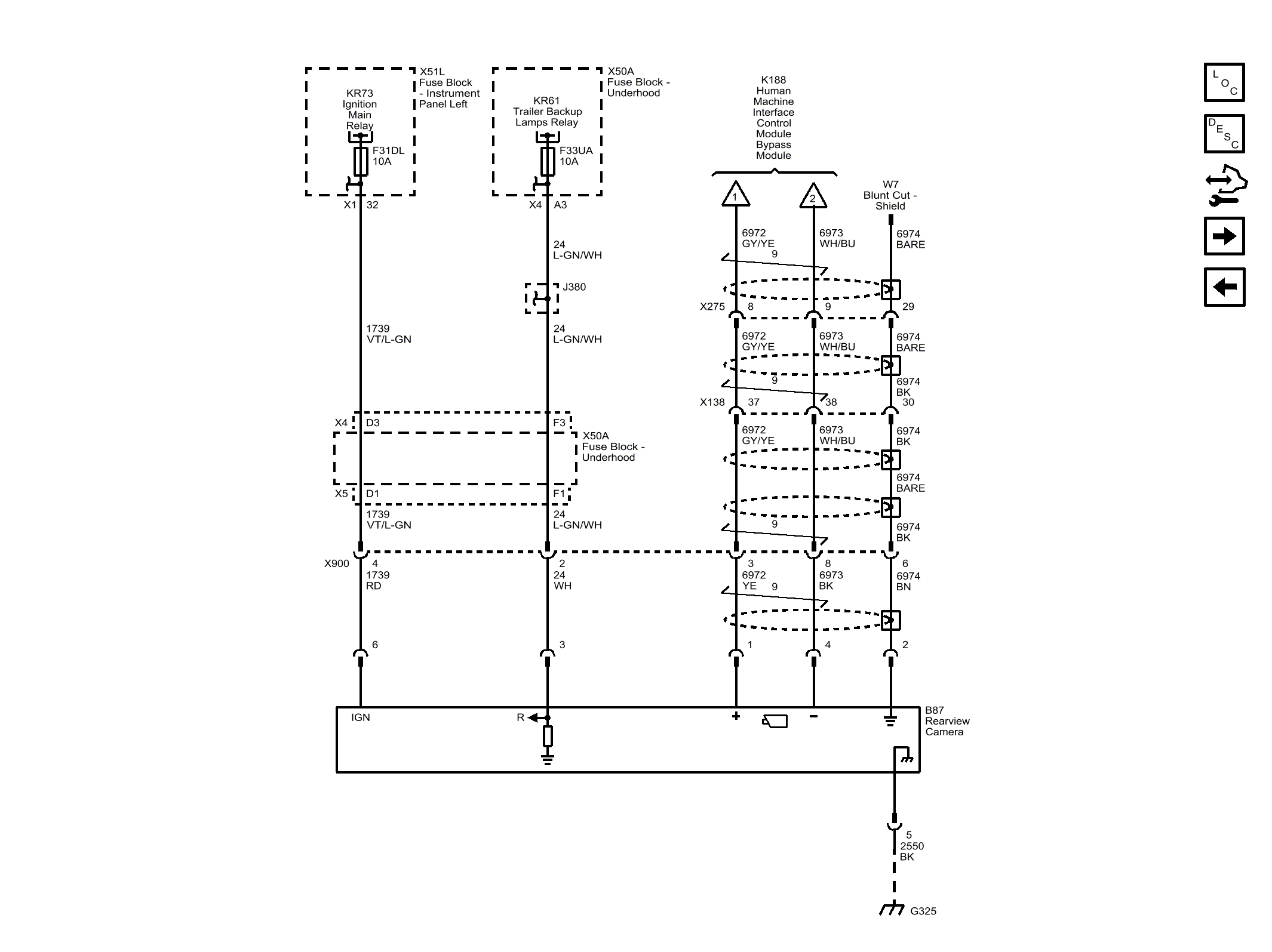
Rearview Camera (UVC with IO5 or IO6) (1 of 2)

WARNING: This page does not describe the selected car, but rather 6 other vehicles, including the 2017 GMC Sierra 3500 HD, 2017 GMC Sierra 2500 HD, 2017 GMC Sierra 1500, 2017 Chevrolet Silverado 3500 HD, and 2017 Chevrolet Silverado 2500 HD. However, it is still accessible from the selected car via links, so may be relevant.
Fig 1: Rearview Camera (UVC with IO5 or IO6) (1 of 2)
GM4492086Courtesy of GENERAL MOTORS COMPANY