LEMON Manuals: Even more car manuals for everyone
Home >> GMC >> 2013 >> Sierra 1500 XFE >> Repair and Diagnosis >> External Pages >> Different car >> Section 1846 (Object Detection System - Park Assist System) >> Wiring Schematics >> Object Detection Wiring Schematics

Object Detection Wiring Schematics

WARNING: This page is about a different car, the 2011 GMC Sierra, 2011 GMC Cab & Chassis Sierra, 2011 Chevrolet Silverado, and 2011 Chevrolet Cab & Chassis Silverado. However, it is still accessible from the selected car via links, so may be relevant.
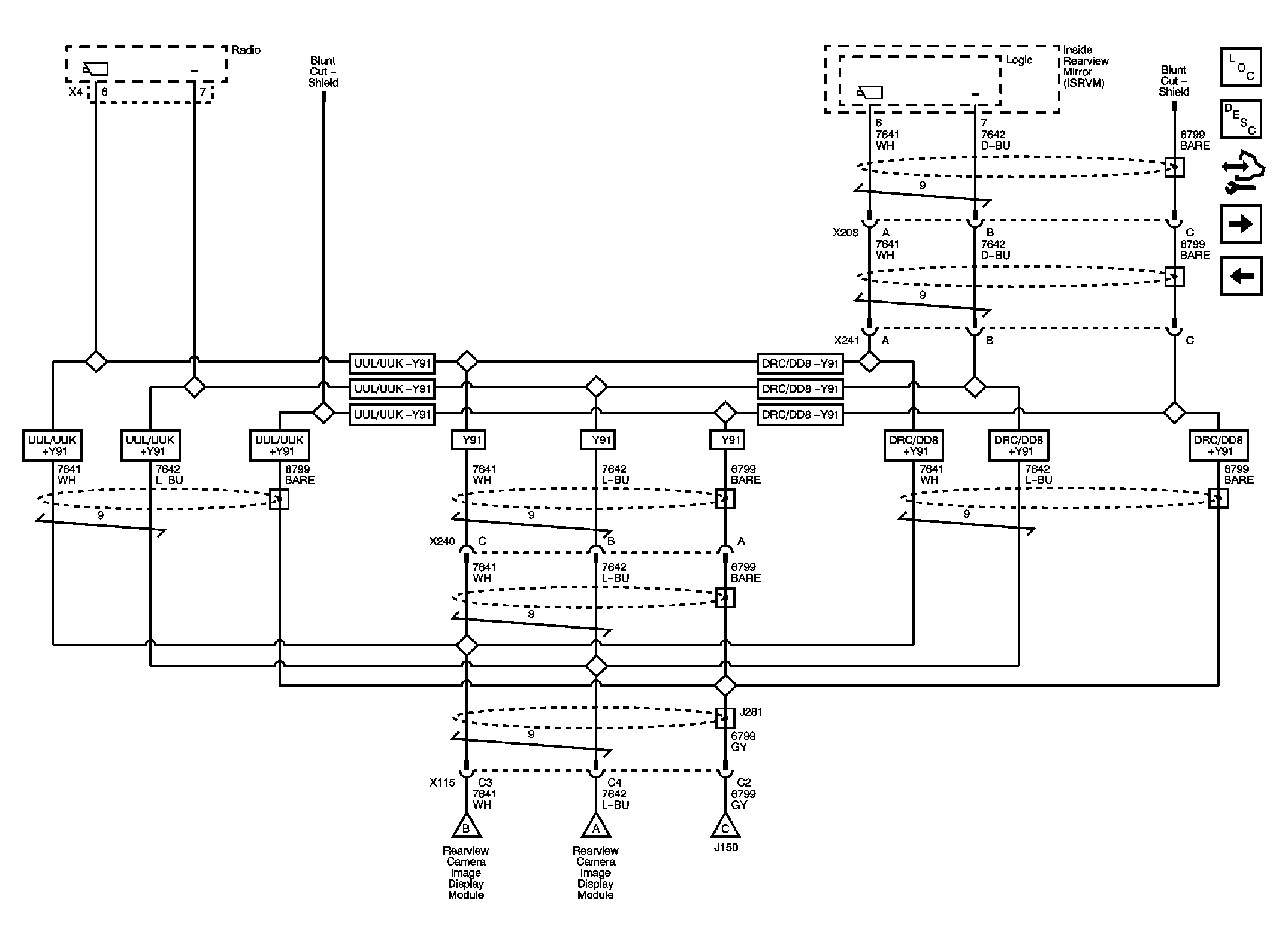
Fig 1: Rear Object Sensors Wiring Schematic (UD7) (1 Of 2)
GM2397022Courtesy of GENERAL MOTORS CORP.
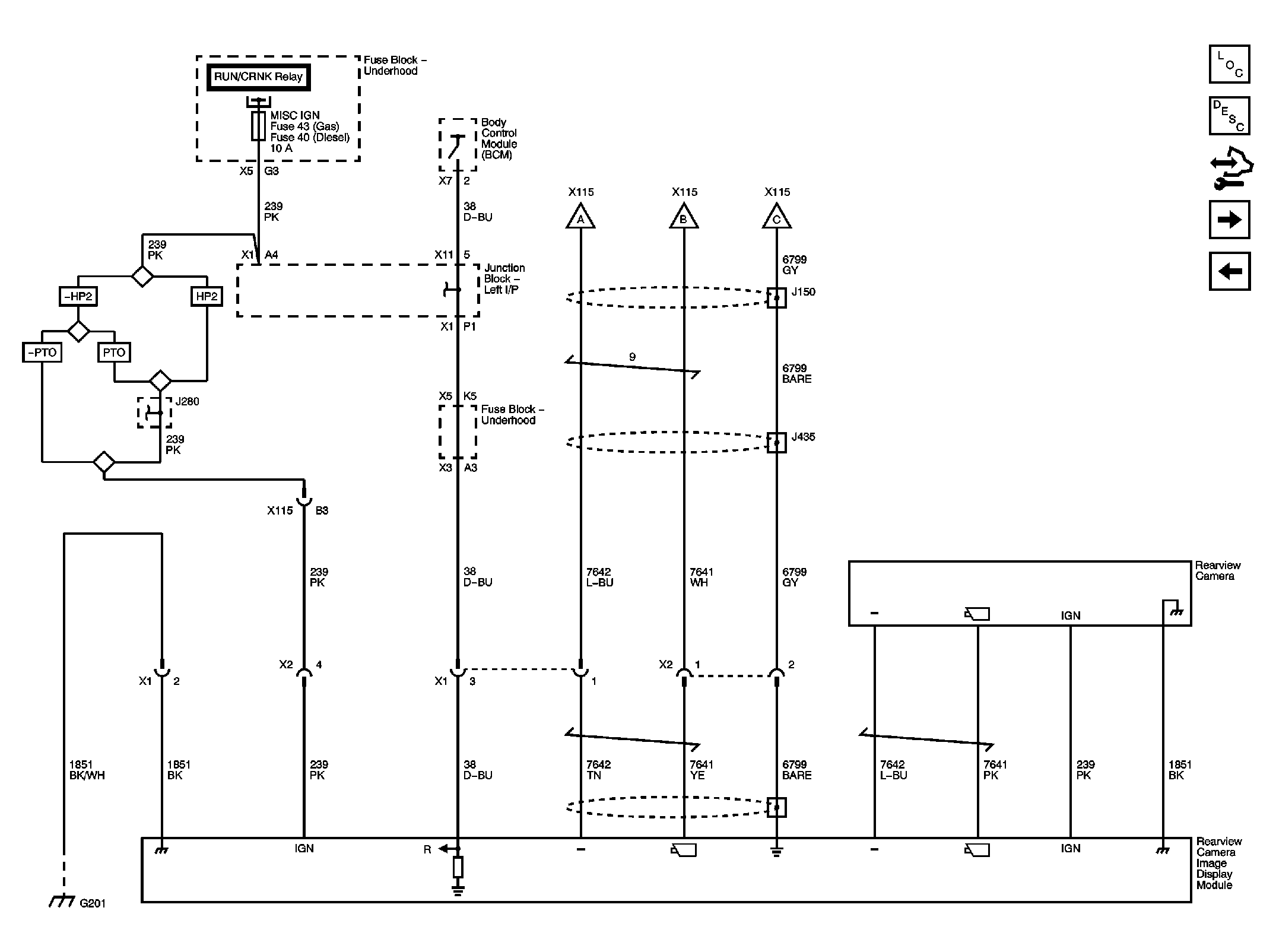
Fig 2: Rear Object Sensors Wiring Schematic (UD7) (2 Of 2)
GM2397026Courtesy of GENERAL MOTORS CORP.
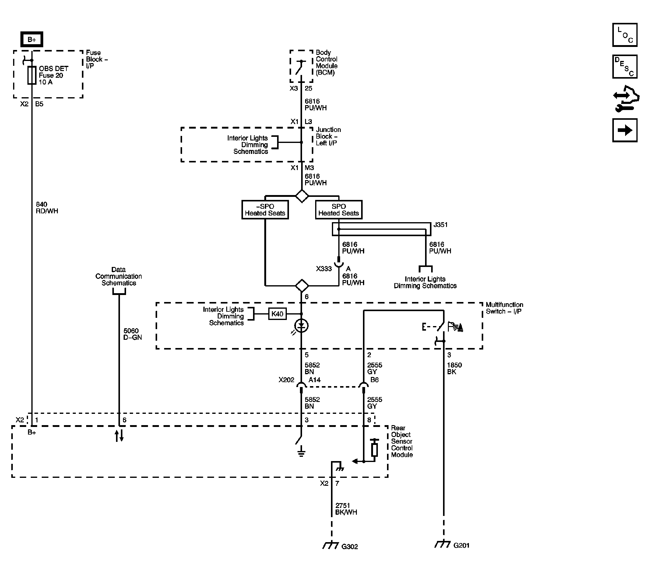
Fig 3: Rearview Camera Wiring Schematic (1 Of 2) (UVC)
GM2397028Courtesy of GENERAL MOTORS CORP.
Fig 4: Rearview Camera Wiring Schematic (2 Of 2) (UVC)
GM2397030Courtesy of GENERAL MOTORS CORP.
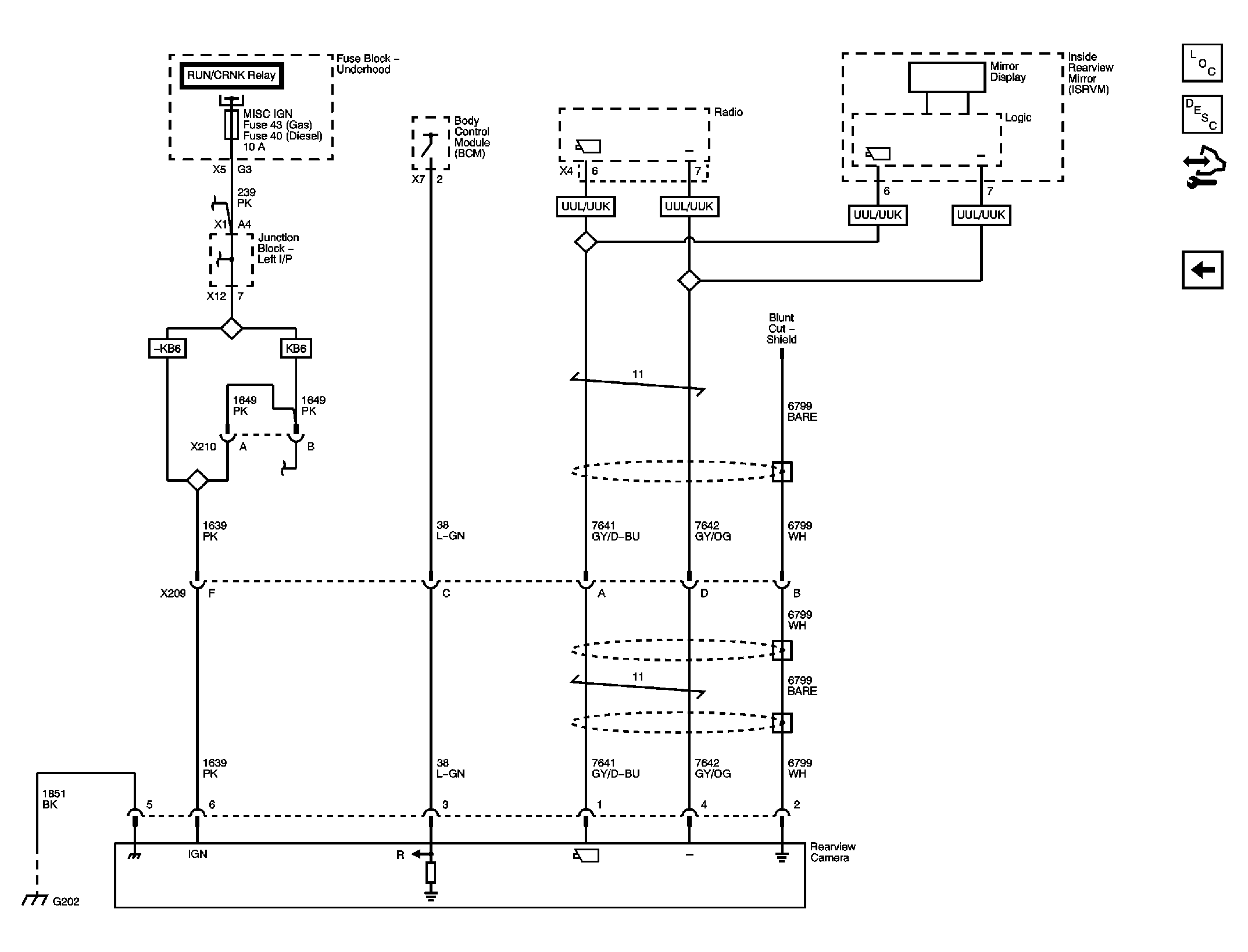
Fig 5: Rearview Camera Wiring Schematic (SVA)
GM2397186Courtesy of GENERAL MOTORS CORP.