LEMON Manuals: Even more car manuals for everyone
Home >> GMC >> 2013 >> Sierra 1500 XFE >> Repair and Diagnosis >> External Pages >> Different car >> Section 1839 (Cellular System, Entertainment System, And Navigation System) >> Wiring Schematics >> Video System Wiring Schematics

Video System Wiring Schematics

WARNING: This page is about a different car, the 2011 GMC Sierra, 2011 GMC Cab & Chassis Sierra, 2011 Chevrolet Silverado, and 2011 Chevrolet Cab & Chassis Silverado. However, it is still accessible from the selected car via links, so may be relevant.
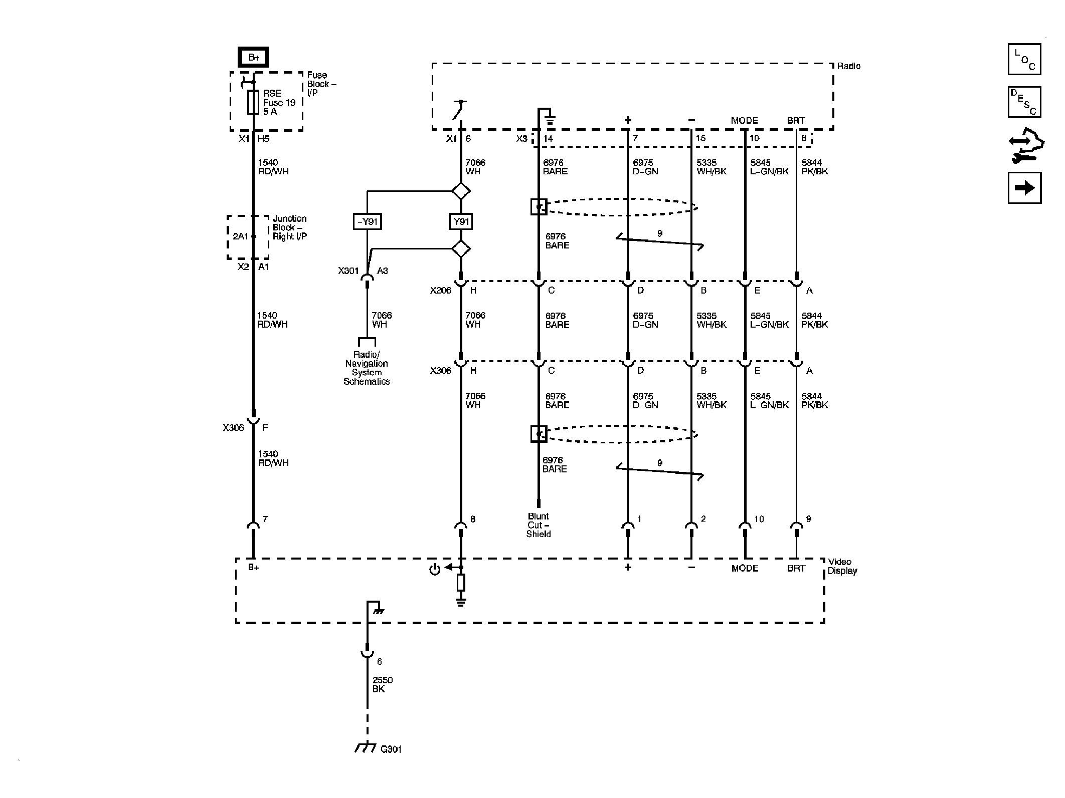
Fig 1: Display Power, Ground And Video Signals Wiring Schematic
GM2396699Courtesy of GENERAL MOTORS CORP.
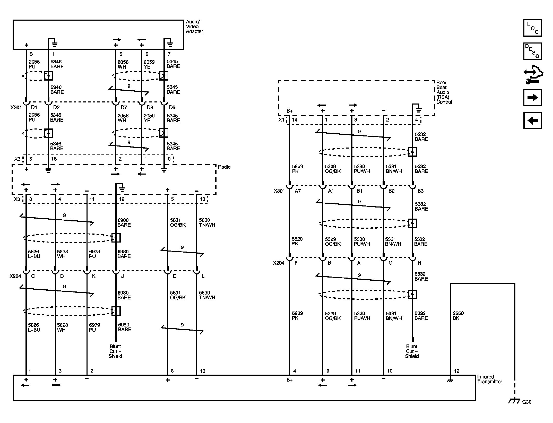
Fig 2: Audio Signals Wiring Schematic
GM2396701Courtesy of GENERAL MOTORS CORP.
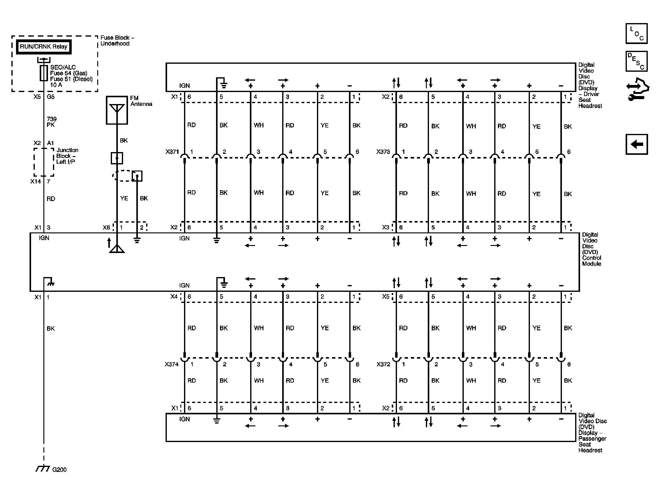
Fig 3: Dual DVD Headrest System Wiring Schematic (SPO DVD)
GM2396702Courtesy of GENERAL MOTORS CORP.