LEMON Manuals: Even more car manuals for everyone
Home >> GMC >> 2013 >> Sierra 1500 XFE >> Repair and Diagnosis >> External Pages >> Different car >> Section 1839 (Cellular System, Entertainment System, And Navigation System) >> Wiring Schematics >> Radio/Navigation System Wiring Schematics

Radio/Navigation System Wiring Schematics

WARNING: This page is about a different car, the 2011 GMC Sierra, 2011 GMC Cab & Chassis Sierra, 2011 Chevrolet Silverado, and 2011 Chevrolet Cab & Chassis Silverado. However, it is still accessible from the selected car via links, so may be relevant.
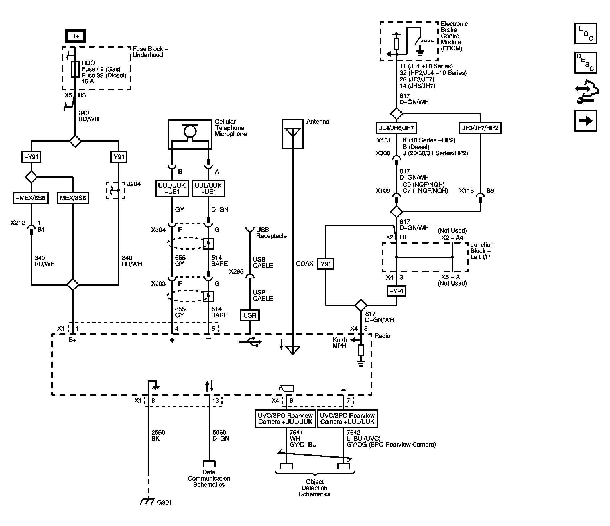
Fig 1: Radio Power, Ground And Serial Data Wiring Schematic
GM2396675Courtesy of GENERAL MOTORS CORP.
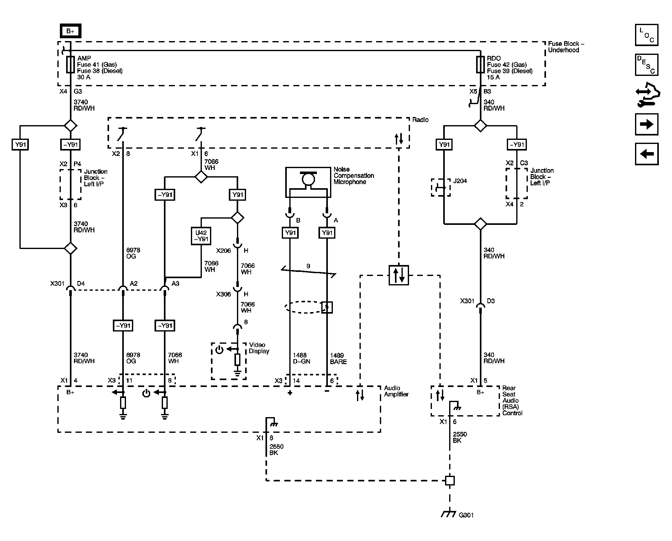
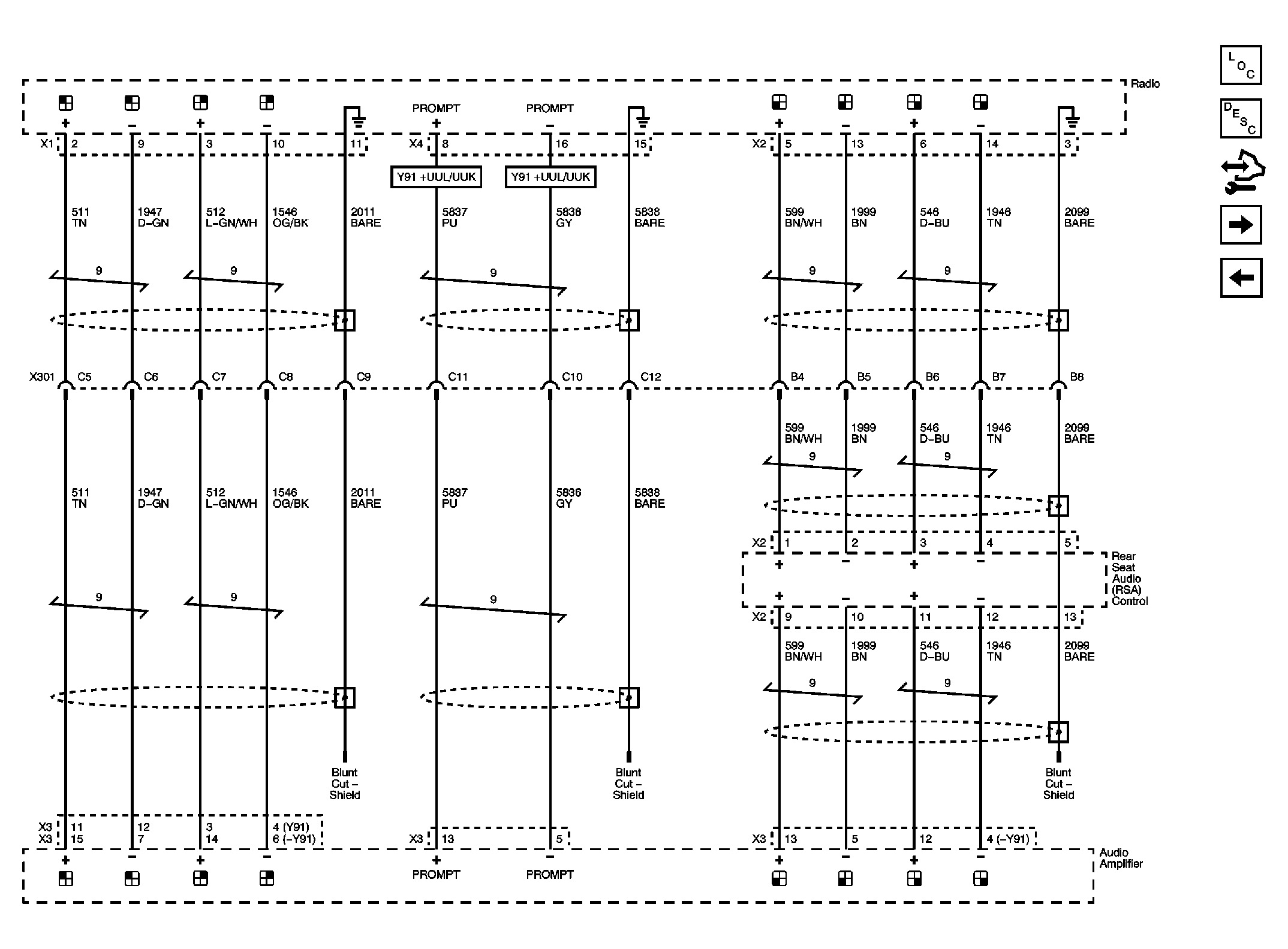
Fig 2: Amplifier (UQA) And Rear Seat Audio (UK6) Power, Ground And Serial Data Wiring Schematic
GM2396678Courtesy of GENERAL MOTORS CORP.
Fig 3: Amplifier Inputs Wiring Schematic (UQA)
GM2396680Courtesy of GENERAL MOTORS CORP.
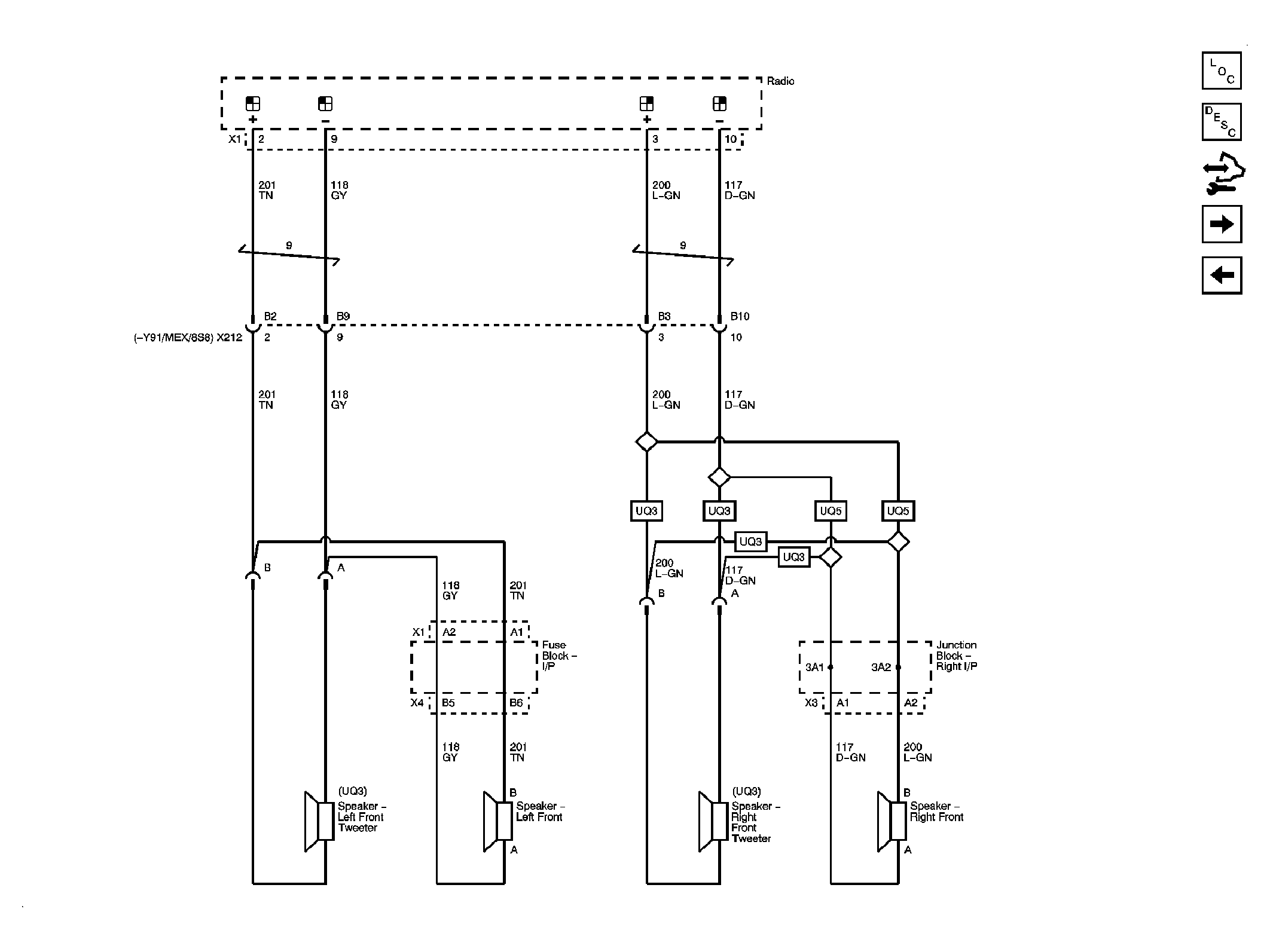
Fig 4: Front Speakers Wiring Schematic (UQ3 Or UQ5)
GM2396682Courtesy of GENERAL MOTORS CORP.
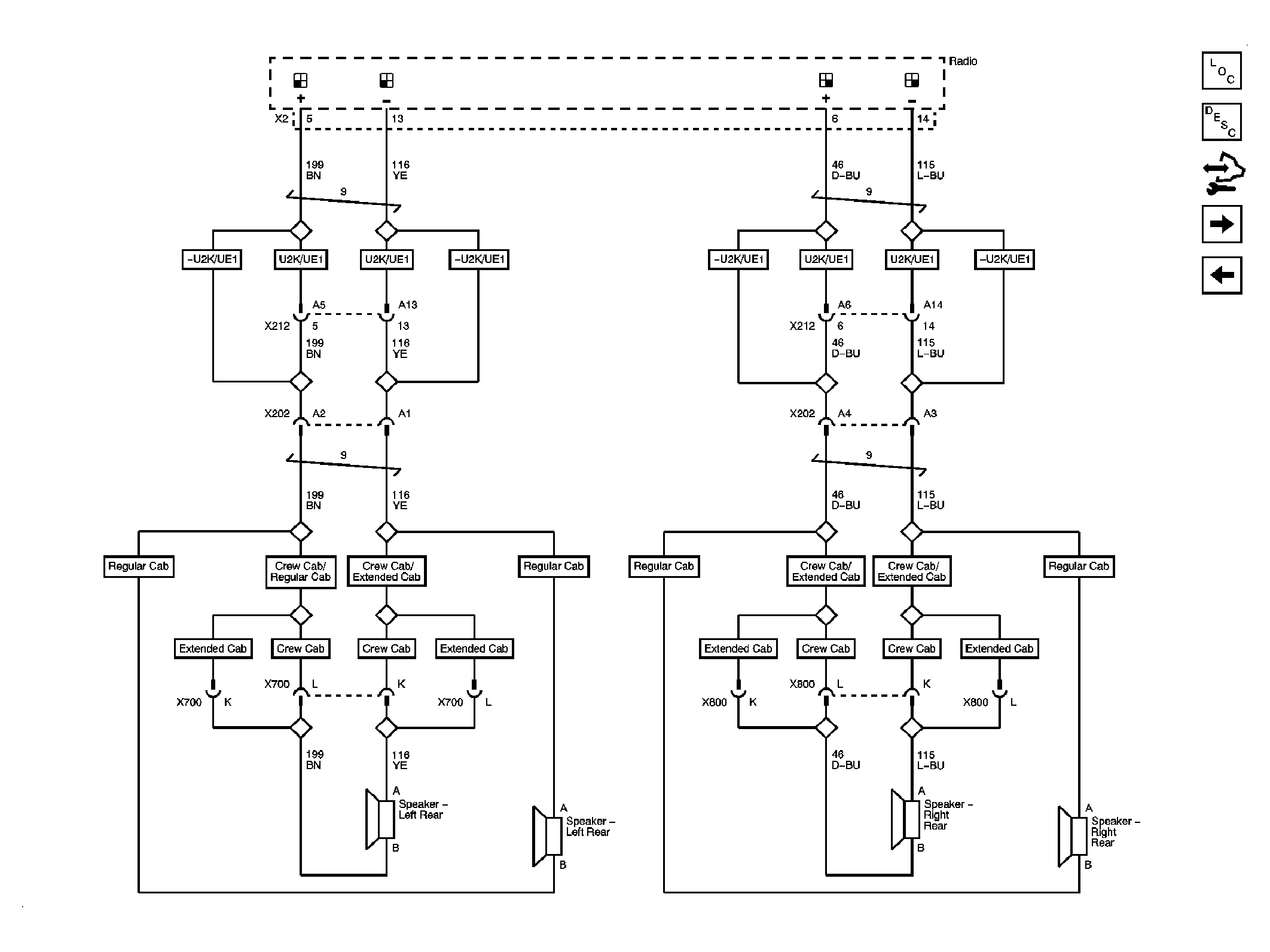
Fig 5: Rear Speakers Wiring Schematic (UQ3 Or UQ5)
GM2396684Courtesy of GENERAL MOTORS CORP.
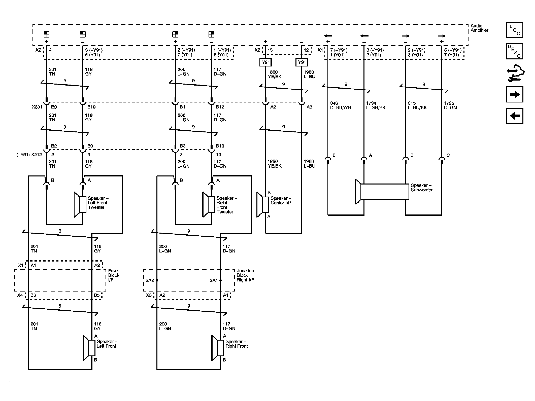
Fig 6: Front Speakers Wiring Schematic (UQA)
GM2396686Courtesy of GENERAL MOTORS CORP.
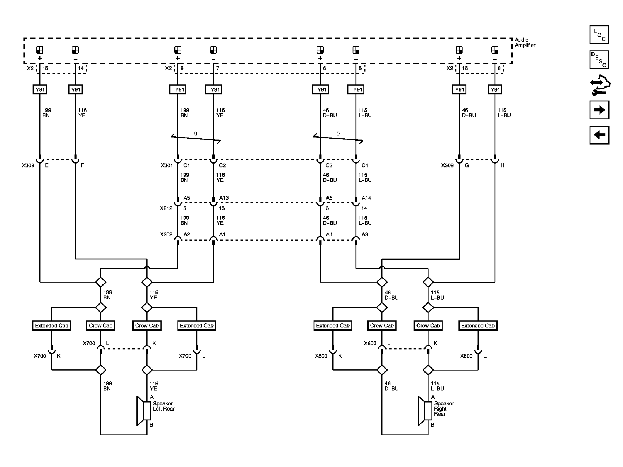
Fig 7: Rear Speakers Wiring Schematic (UQA)
GM2396688Courtesy of GENERAL MOTORS CORP.
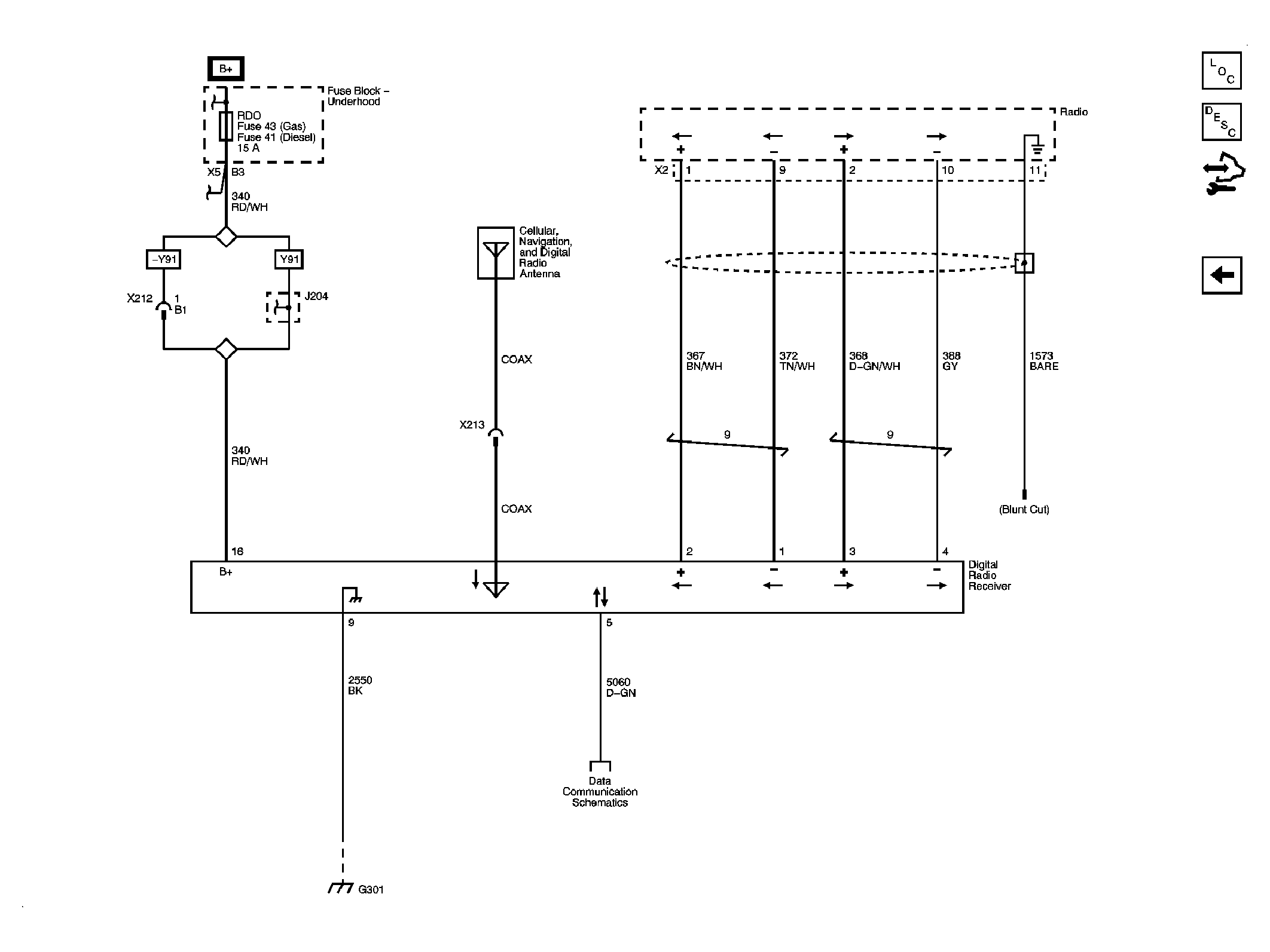
Fig 8: Digital Radio Receiver Wiring Schematic (U2K)
GM2396689Courtesy of GENERAL MOTORS CORP.