LEMON Manuals: Even more car manuals for everyone
Home >> GMC >> 2013 >> Sierra 1500 XFE >> Repair and Diagnosis >> Engine Performance >> System >> Data Communication System >> Schematic Wiring Diagrams >> Data Communication Wiring Schematics >> Serial Data Gateway (SDG) Module (HP2)

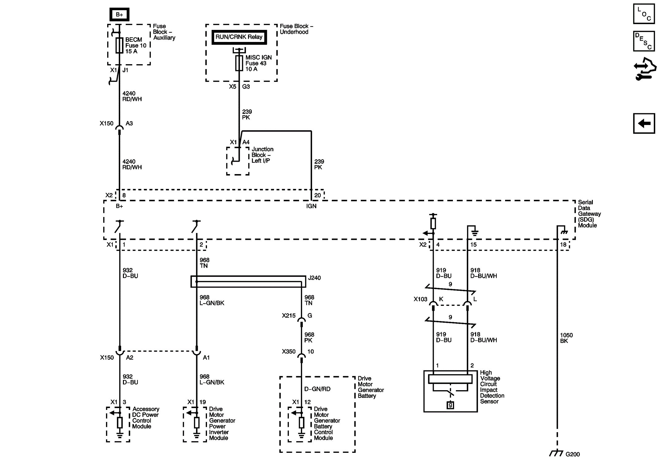
Serial Data Gateway (SDG) Module (HP2)

Fig 1: Serial Data Gateway (SDG) Module (HP2) Wiring Schematic
GM2758334Courtesy of GENERAL MOTORS COMPANY