LEMON Manuals: Even more car manuals for everyone
Home >> GMC >> 2007 >> Acadia SLT, AWD >> Repair and Diagnosis >> External Pages >> Different car >> Section 601 (Cellular System, Entertainment System, And Navigation System) >> Schematic and Routing Diagrams >> OnStar Schematics

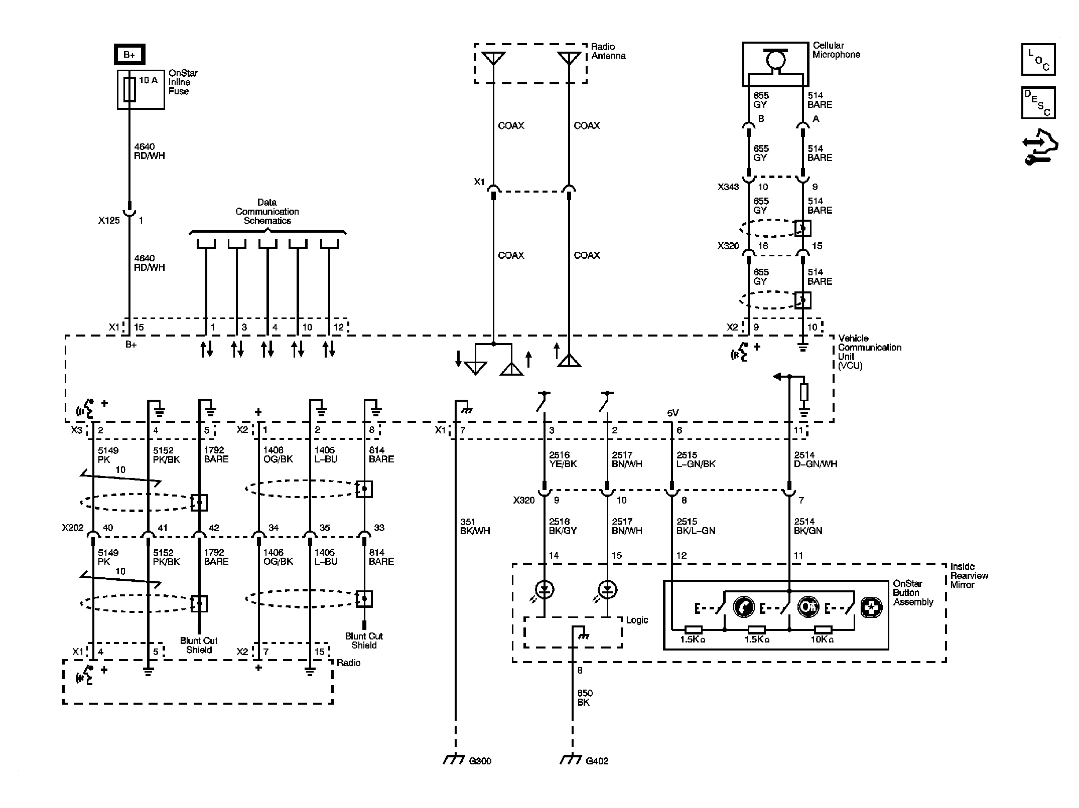
OnStar Schematics

WARNING: This page is about a different car, the 2008 Saturn Outlook, 2008 GMC Acadia, and 2008 Buick Enclave. However, it is still accessible from the selected car via links, so may be relevant.
Fig 1: UE1
GM1883248Courtesy of GENERAL MOTORS CORP.