LEMON Manuals: Even more car manuals for everyone
Home >> GMC >> 2007 >> Acadia SLT, AWD >> Repair and Diagnosis >> External Pages >> Different car >> Section 533 (Keyless Entry System And Remote Functions) >> Schematic and Routing Diagrams >> Remote Function Schematics

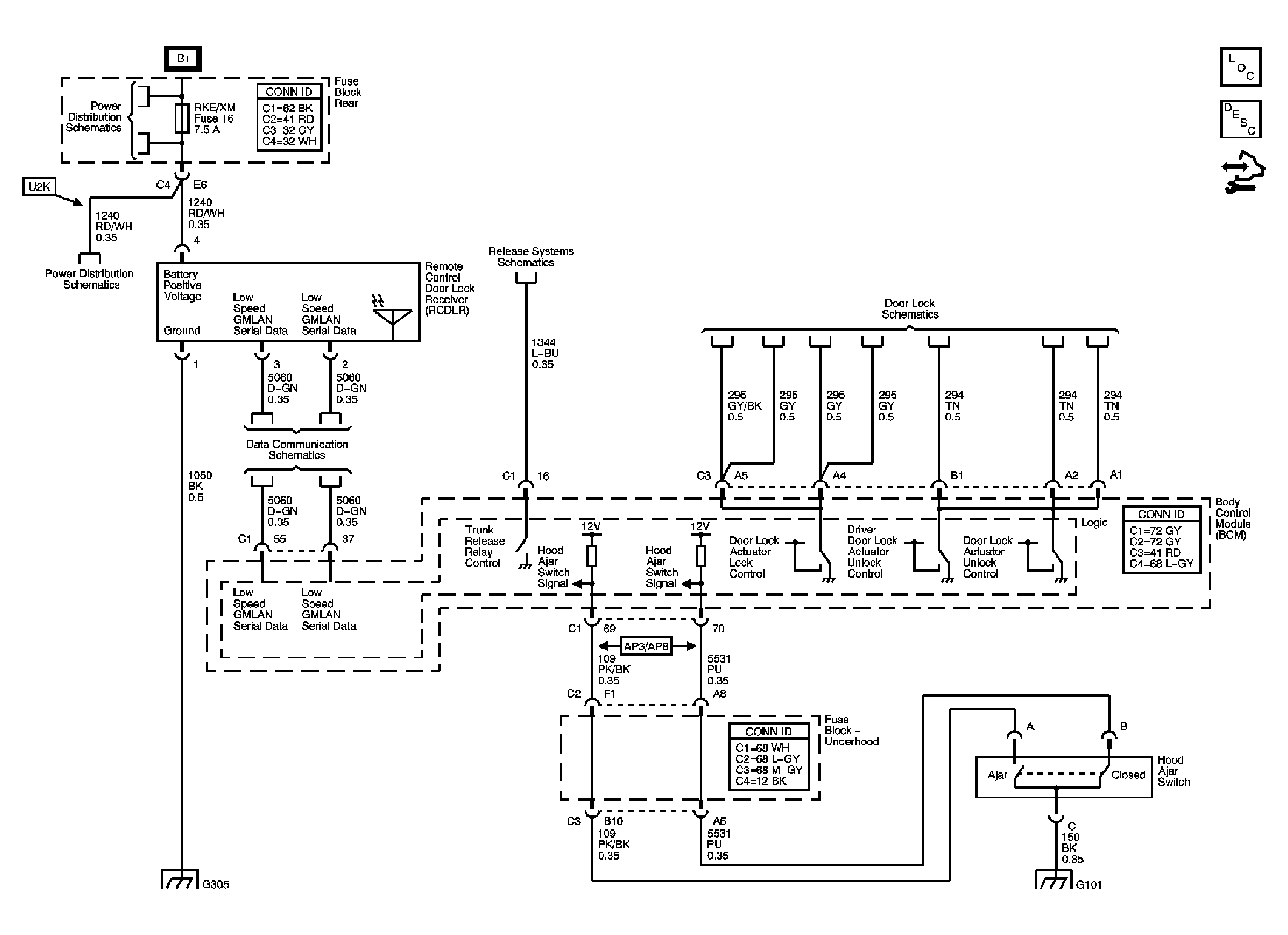
Remote Function Schematics

WARNING: This page is about a different car, the 2007 Pontiac G6. However, it is still accessible from the selected car via links, so may be relevant.
Fig 1: Remote Function Schematic
GM1781942Courtesy of GENERAL MOTORS CORP.