LEMON Manuals: Even more car manuals for everyone
Home >> GMC >> 2007 >> Acadia SLT, AWD >> Repair and Diagnosis >> External Pages >> Different car >> Section 404 (Cellular System, Entertainment System, And Navigation System) >> Schematic and Routing Diagrams >> Radio/Navigation System Schematics

Radio/Navigation System Schematics

WARNING: This page is about a different car, the 2007 Cadillac XLR. However, it is still accessible from the selected car via links, so may be relevant.
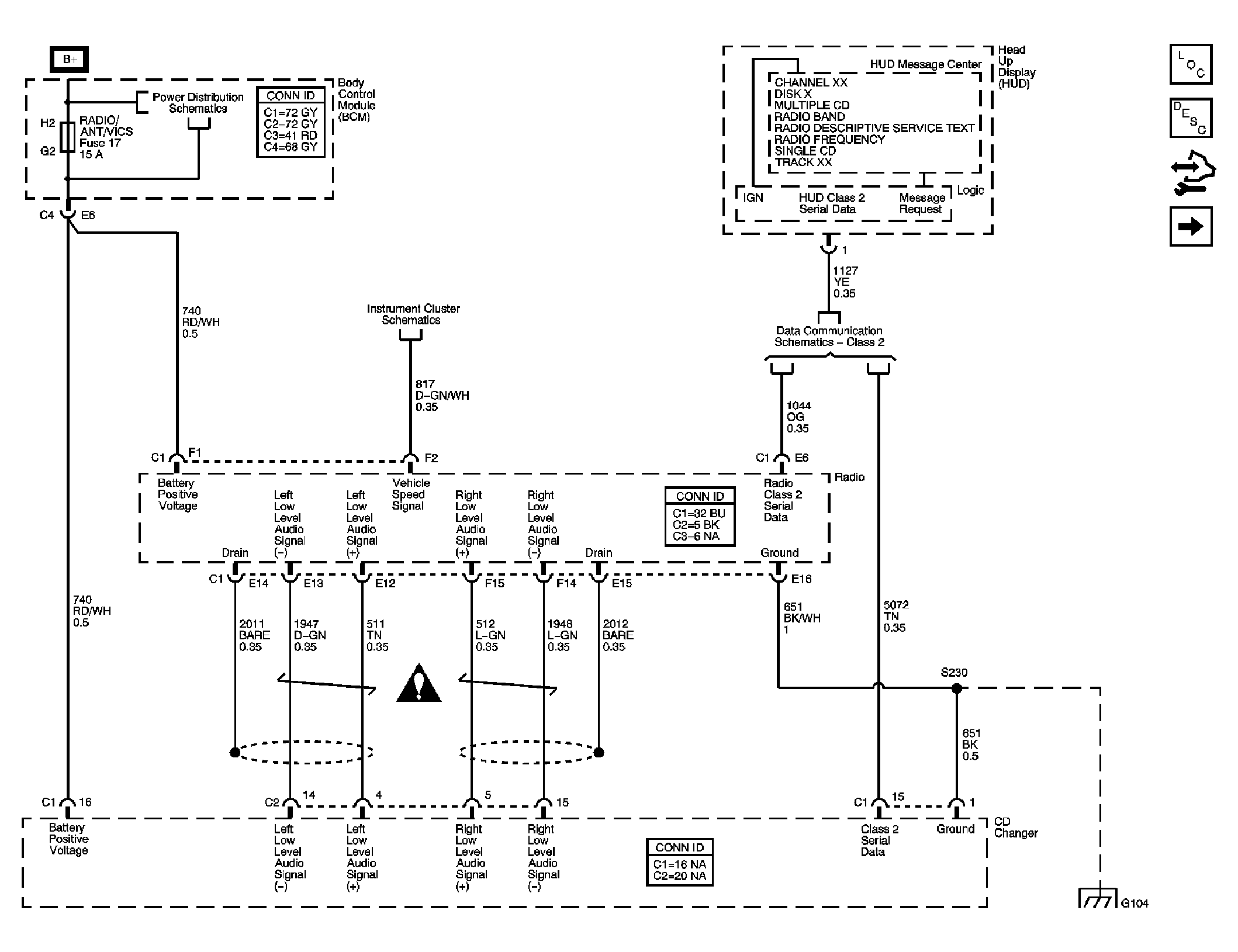
Fig 1: Power, Ground, Messages & Radio to CD Player Audio Signals Schematic
GM1757246Courtesy of GENERAL MOTORS CORP.
Fig 2: Amplification Schematic
GM1757247Courtesy of GENERAL MOTORS CORP.
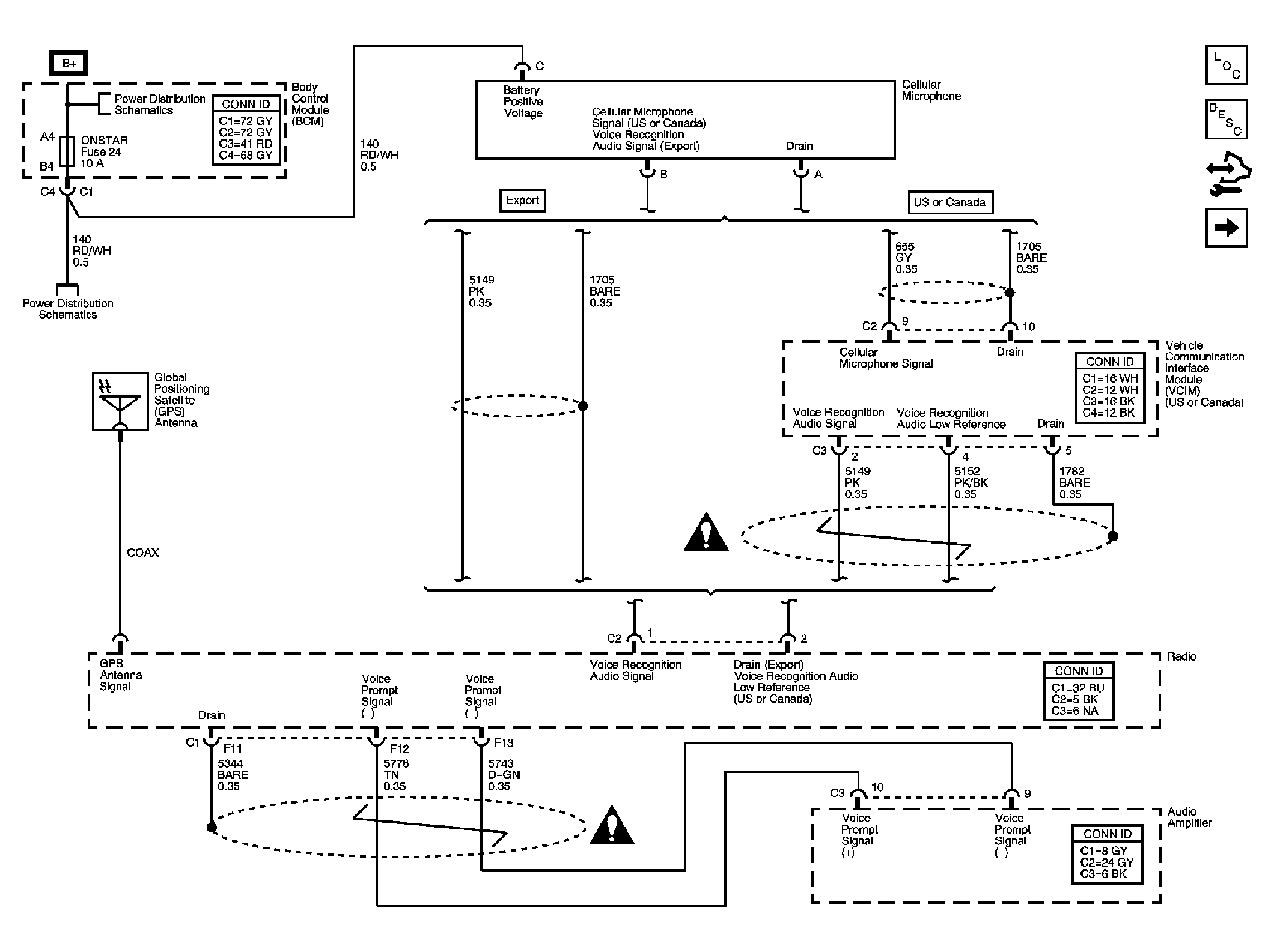
Fig 3: AM and FM Antennas & OnStar References Schematic
GM1757248Courtesy of GENERAL MOTORS CORP.
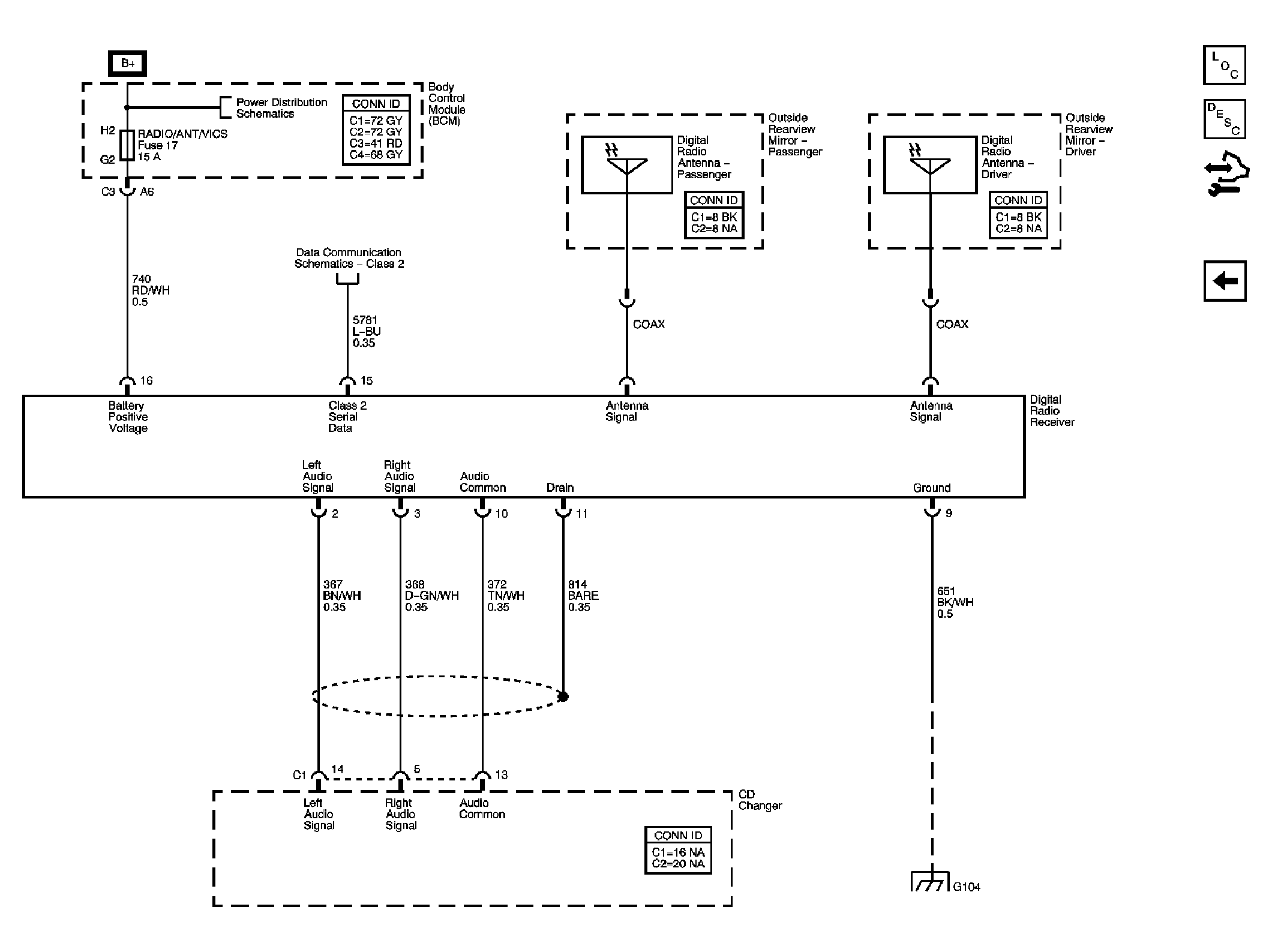
Fig 4: Digital Radio Receiver Schematic
GM1757249Courtesy of GENERAL MOTORS CORP.
Fig 5: Navigation Schematic - Except Japan
GM1757250Courtesy of GENERAL MOTORS CORP.
Fig 6: Navigation Schematic - Japan
GM1757251Courtesy of GENERAL MOTORS CORP.