LEMON Manuals: Even more car manuals for everyone
Home >> GMC >> 2007 >> Acadia SLT, AWD >> Repair and Diagnosis >> External Pages >> Different car >> Section 317 (Keyless Entry System And Remote Functions) >> Schematic and Routing Diagrams >> Remote Function Schematics

Remote Function Schematics

WARNING: This page is about a different car, the 2007 Cadillac STS. However, it is still accessible from the selected car via links, so may be relevant.
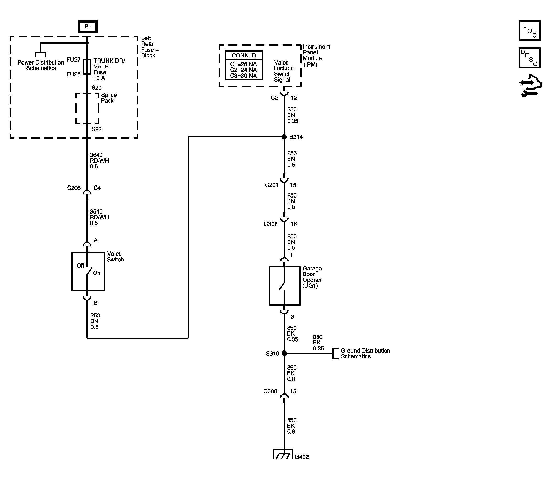
Fig 1: Garage Door Opener Schematic
GM1822880Courtesy of GENERAL MOTORS CORP.
Fig 2: Module Power, Grounds, Antennas and Switches Schematic
GM1822883Courtesy of GENERAL MOTORS CORP.
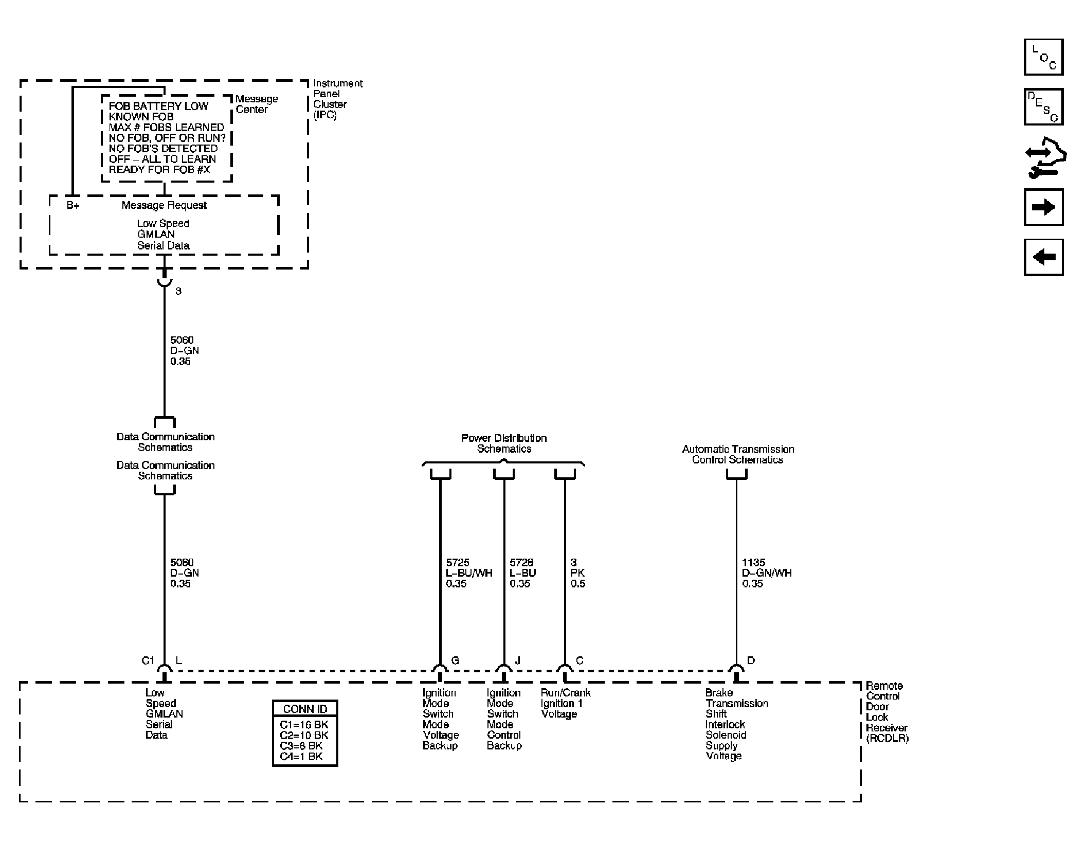
Fig 3: DLC, Instrument Panel Cluster (IPC) Schematic
GM1822886Courtesy of GENERAL MOTORS CORP.
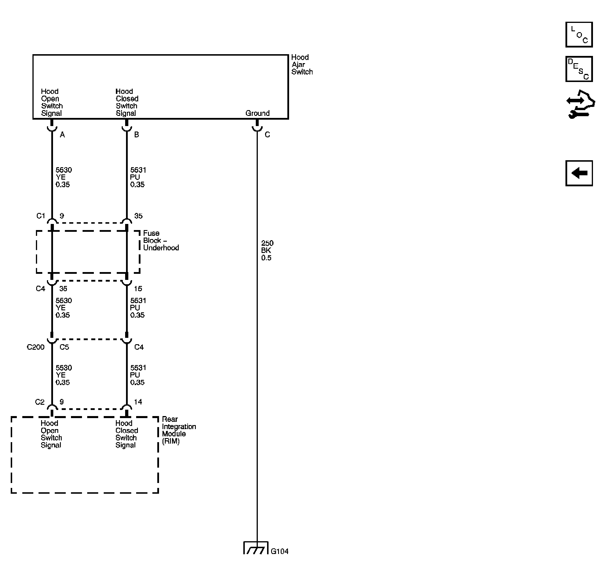
Fig 4: Hood Ajar Switch Schematic
GM1822154Courtesy of GENERAL MOTORS CORP.