LEMON Manuals: Even more car manuals for everyone
Home >> GMC >> 2007 >> Acadia SLT, AWD >> Repair and Diagnosis >> External Pages >> Different car >> Section 293 (Data Communication System) >> Schematic and Routing Diagrams >> Body Control System Schematics

Body Control System Schematics

WARNING: This page is about a different car, the 2007 Cadillac STS. However, it is still accessible from the selected car via links, so may be relevant.
Fig 1: IPM Power, Grounds and DLC Schematic
GM1823229Courtesy of GENERAL MOTORS CORP.
Fig 2: IPM Inputs and Outputs 1 of 3 Schematic
GM1823231Courtesy of GENERAL MOTORS CORP.
Fig 3: IPM Inputs and Outputs 2 of 3 Schematic
GM1823233Courtesy of GENERAL MOTORS CORP.
Fig 4: IPM Inputs and Outputs 3 of 3 Schematic
GM1823235Courtesy of GENERAL MOTORS CORP.
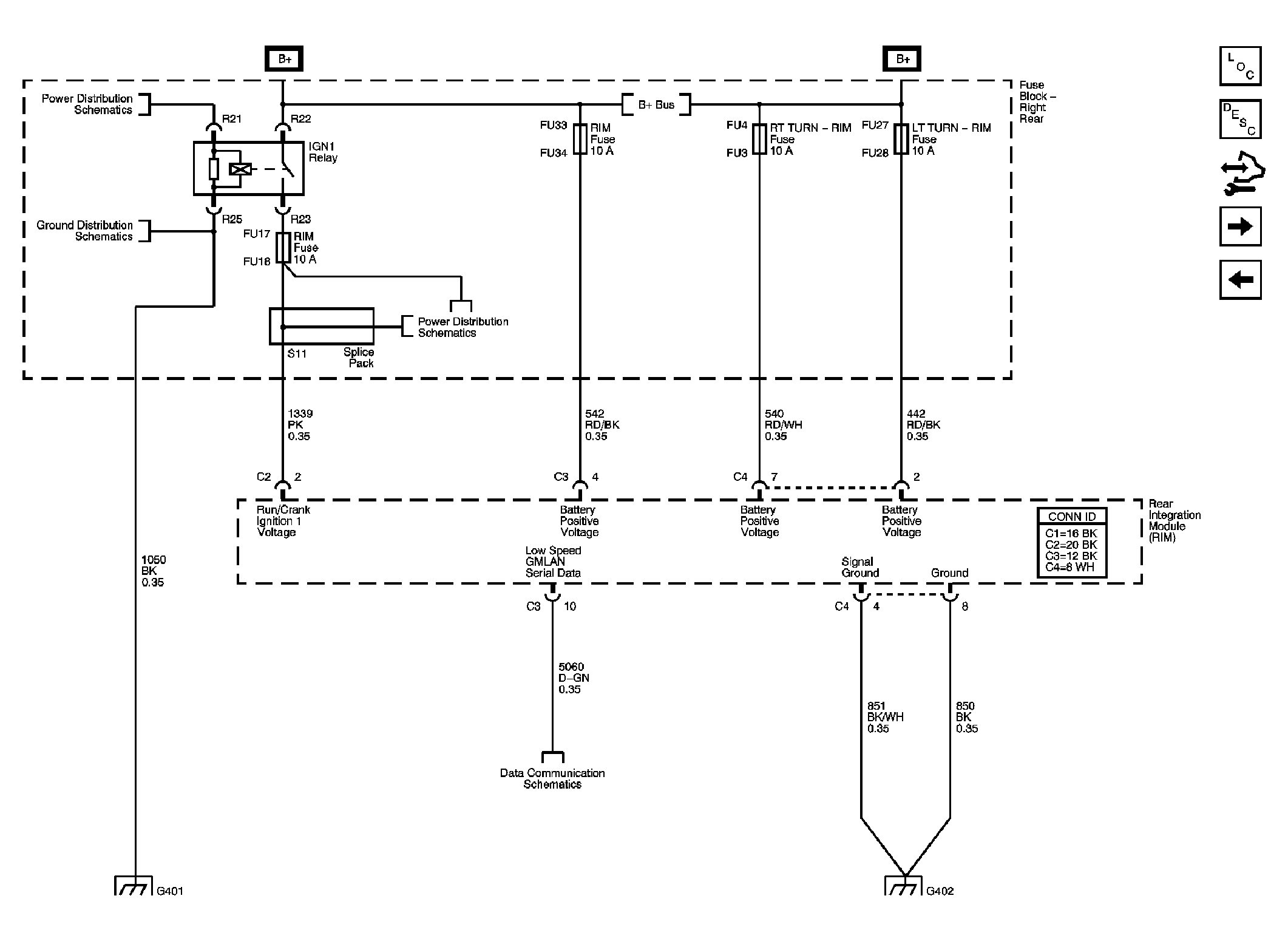
Fig 5: RIM Power, Grounds and DLC Schematic
GM1823237Courtesy of GENERAL MOTORS CORP.
Fig 6: RIM Inputs and Outputs Schematic
GM1823240Courtesy of GENERAL MOTORS CORP.