LEMON Manuals: Even more car manuals for everyone
Home >> GMC >> 2007 >> Acadia SLT, AWD >> Repair and Diagnosis >> External Pages >> Different car >> Section 290 (Power Door Lock System And Release Systems) >> Schematic and Routing Diagrams >> Door Control Module Schematics

Door Control Module Schematics

WARNING: This page is about a different car, the 2007 Cadillac STS. However, it is still accessible from the selected car via links, so may be relevant.
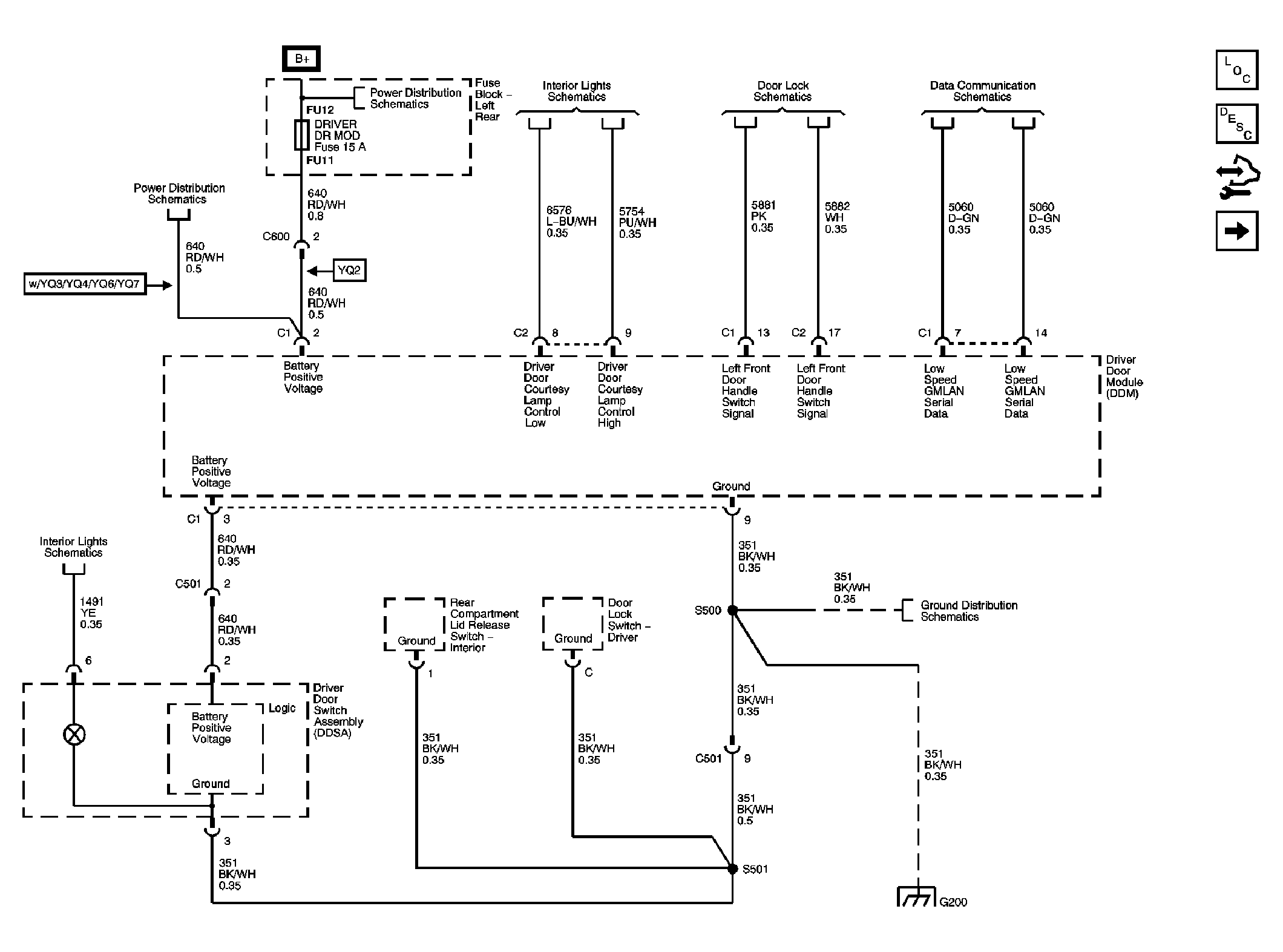
Fig 1: DDM Power, Ground and DLC Schematic
GM1822805Courtesy of GENERAL MOTORS CORP.
Fig 2: DDM Signals/Controls 1 of 2 Schematic
GM1822807Courtesy of GENERAL MOTORS CORP.
Fig 3: DDM Signals/Controls 2 of 2 Schematic
GM1822816Courtesy of GENERAL MOTORS CORP.
Fig 4: FPDM Power, Ground and DLC Schematic
GM1822819Courtesy of GENERAL MOTORS CORP.
Fig 5: FPDM Signals/Controls 1 of 2 Schematic
GM1822822Courtesy of GENERAL MOTORS CORP.
Fig 6: FPDM Signals/Controls 2 of 2 Schematic
GM1822829Courtesy of GENERAL MOTORS CORP.
Fig 7: LRDM Power, Ground and DLC Schematic
GM1822832Courtesy of GENERAL MOTORS CORP.
Fig 8: LRDM Signals/Controls Schematic
GM1822836Courtesy of GENERAL MOTORS CORP.
Fig 9: RRDM Power, Ground and DLC Schematic
GM1822838Courtesy of GENERAL MOTORS CORP.
Fig 10: RRDM Signals/Controls Schematic
GM1822840Courtesy of GENERAL MOTORS CORP.