LEMON Manuals: Even more car manuals for everyone
Home >> GMC >> 2007 >> Acadia SLT, AWD >> Repair and Diagnosis >> External Pages >> Different car >> Section 1189 (Cellular System, Entertainment System, And Navigation System) >> Schematic Wiring Diagrams >> Radio/Navigation System Wiring Schematics >> Power, Ground, Data Communication, and Amp, Radio, Radio/HVAC (U2R, U2S, U2T)

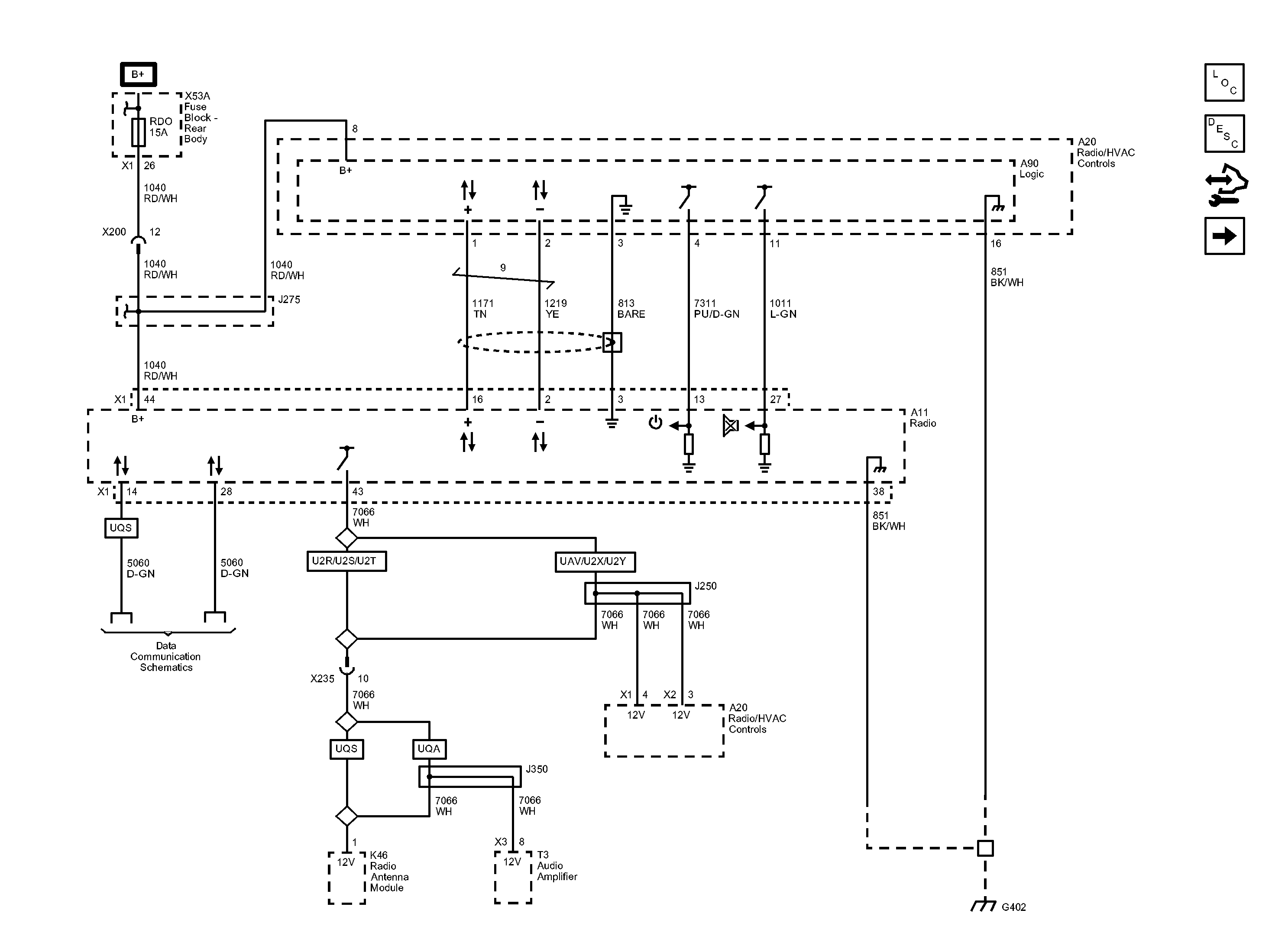
Power, Ground, Data Communication, and Amp, Radio, Radio/HVAC (U2R, U2S, U2T)

WARNING: This page is about a different car, the 2013 Cadillac CTS. However, it is still accessible from the selected car via links, so may be relevant.
Fig 1: Power, Ground, Data Communication, and Amp, Radio, Radio/HVAC Wiring Schematic (U2R, U2S, U2T)
GM2779005Courtesy of GENERAL MOTORS COMPANY