LEMON Manuals: Even more car manuals for everyone
Home >> GMC >> 2007 >> Acadia SLT, AWD >> Repair and Diagnosis >> External Pages >> Different car >> Section 1189 (Cellular System, Entertainment System, And Navigation System) >> Schematic Wiring Diagrams >> Radio/Navigation System Wiring Schematics >> Auxiliary Audio Jack, Microphones, Navigation Audio Signals

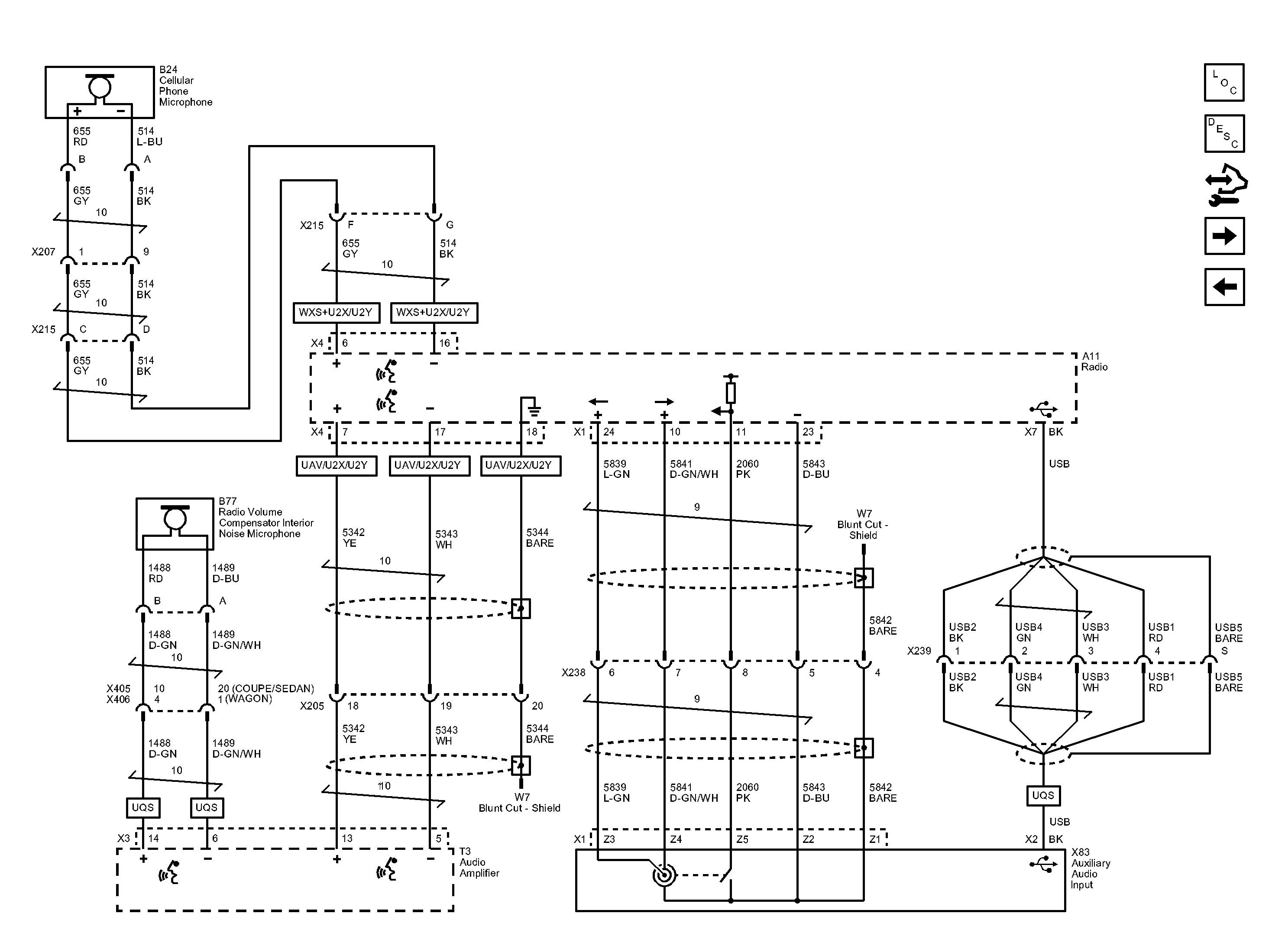
Auxiliary Audio Jack, Microphones, Navigation Audio Signals

WARNING: This page is about a different car, the 2013 Cadillac CTS. However, it is still accessible from the selected car via links, so may be relevant.
Fig 1: Auxiliary Audio Jack, Microphones, Navigation Audio Signals Wiring Schematic
GM2779014Courtesy of GENERAL MOTORS COMPANY