LEMON Manuals: Even more car manuals for everyone
Home >> GMC >> 2007 >> Acadia SLE, AWD >> Repair and Diagnosis >> External Pages >> Different car >> Section 529 (Engine Control System & Fuel System - 2.4L - Introduction (2 Of 2)) >> Schematic and Routing Diagrams >> Engine Controls Schematics

Engine Controls Schematics

WARNING: This page is about a different car, the 2007 Pontiac G6. However, it is still accessible from the selected car via links, so may be relevant.
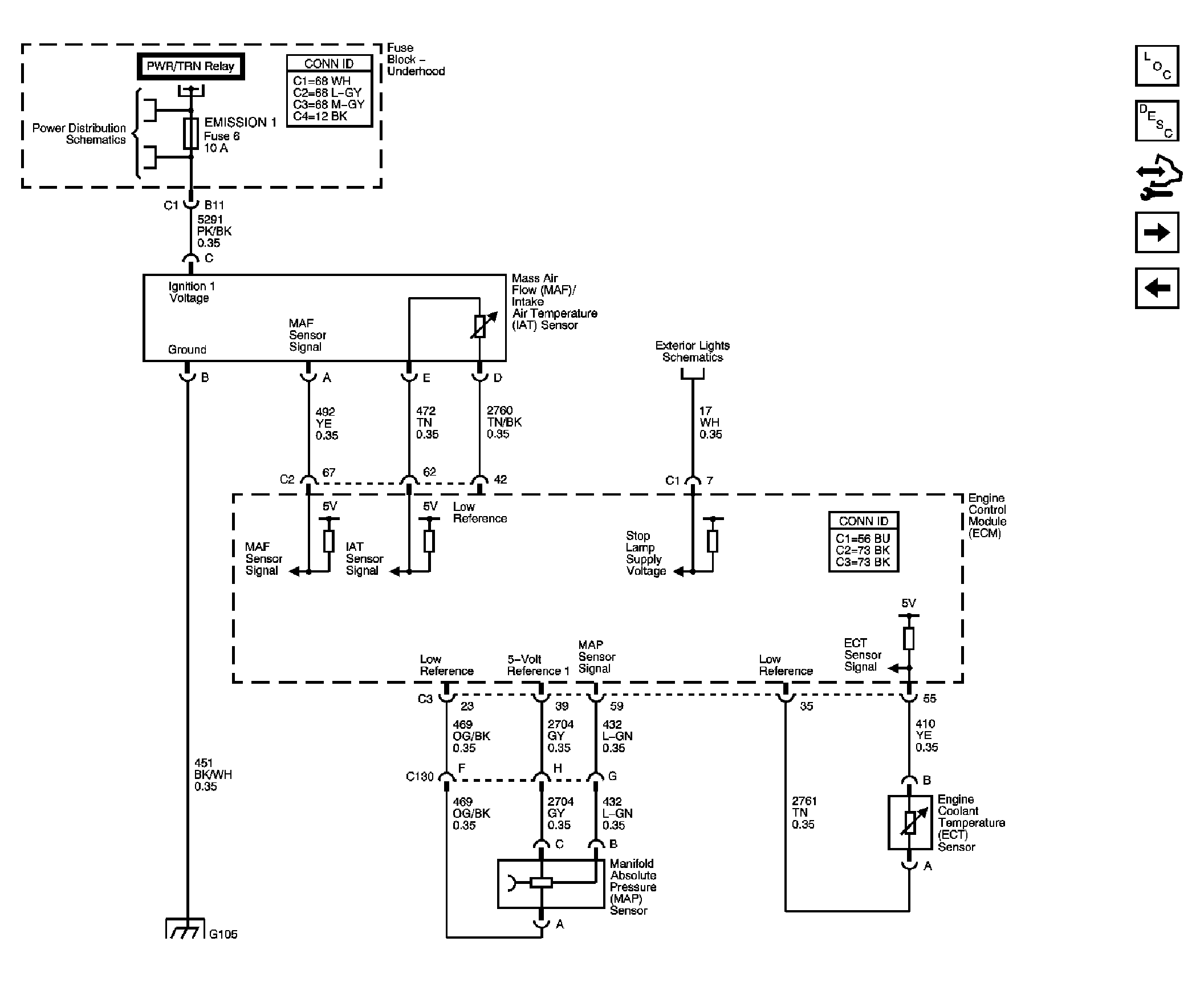
Fig 1: DLC, Ground, MIL and Power Schematic
GM1783076Courtesy of GENERAL MOTORS CORP.
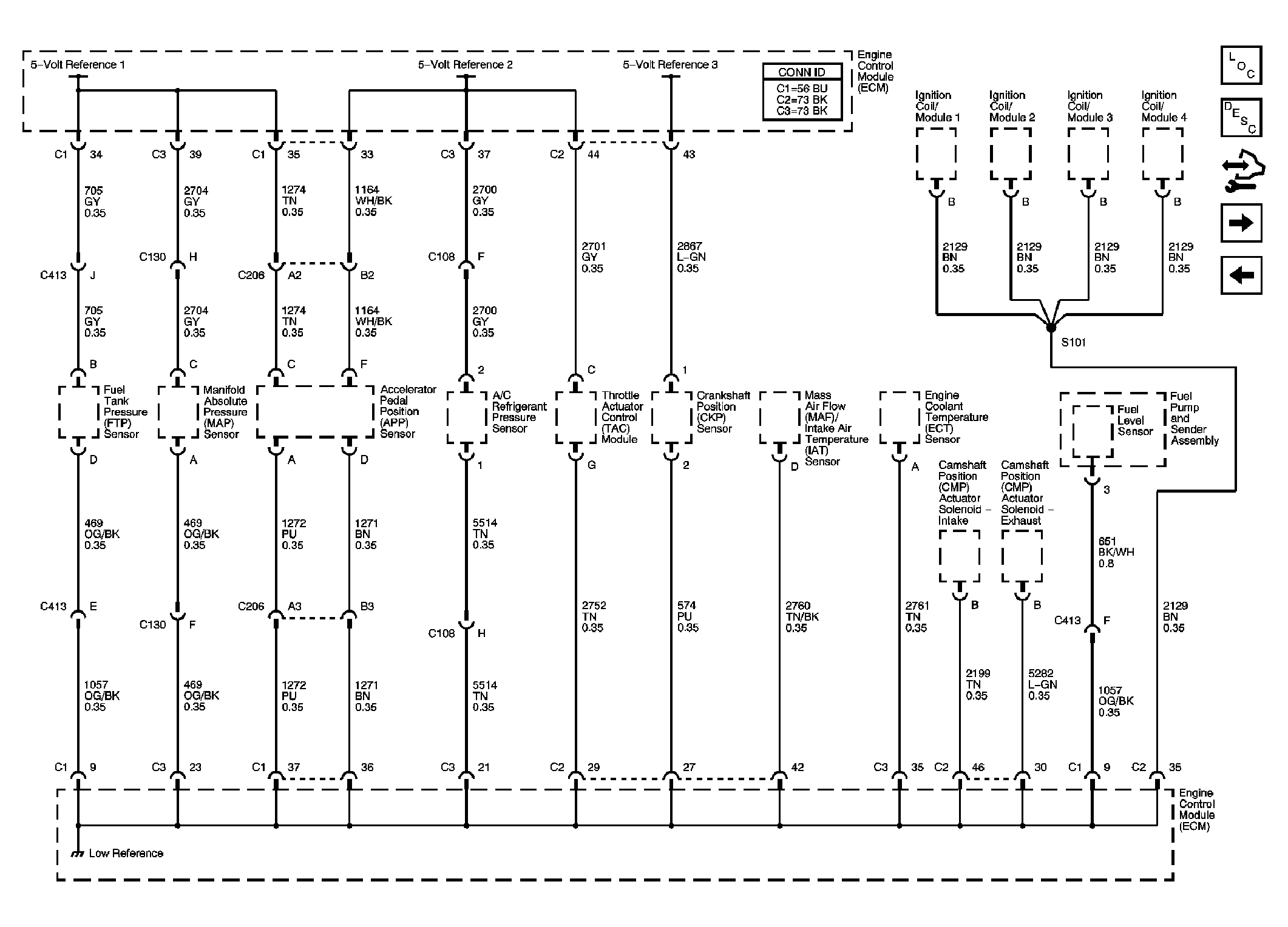
Fig 2: 5-Volt and Low References Schematic
GM1783081Courtesy of GENERAL MOTORS CORP.
Fig 3: MAF, VSS and Extended Brake Travel Switch Schematic
GM1783085Courtesy of GENERAL MOTORS CORP.
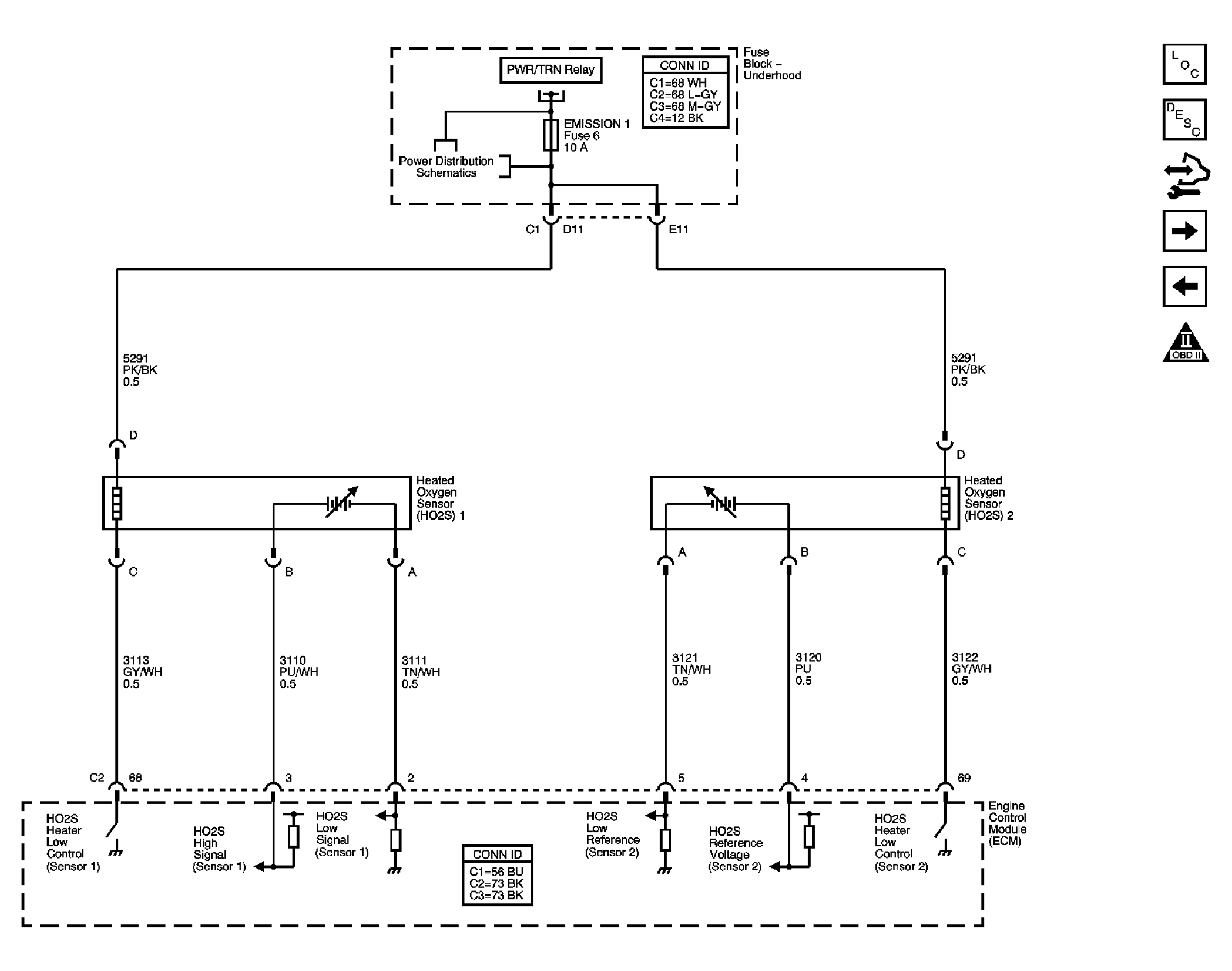
Fig 4: Heated Oxygen Sensors Schematic
GM1783087Courtesy of GENERAL MOTORS CORP.
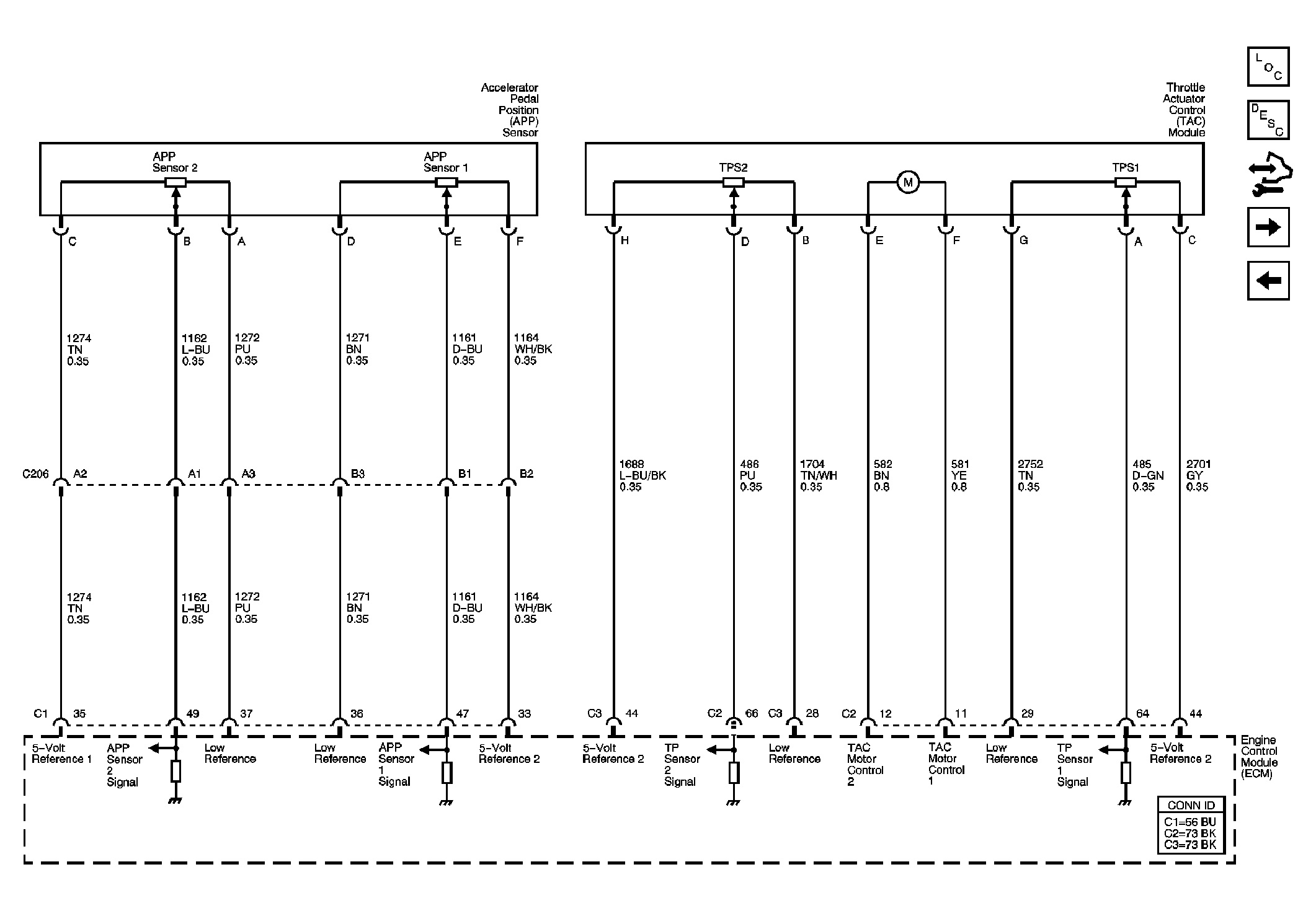
Fig 5: Electronic Throttle Controls Schematic
GM1783103Courtesy of GENERAL MOTORS CORP.
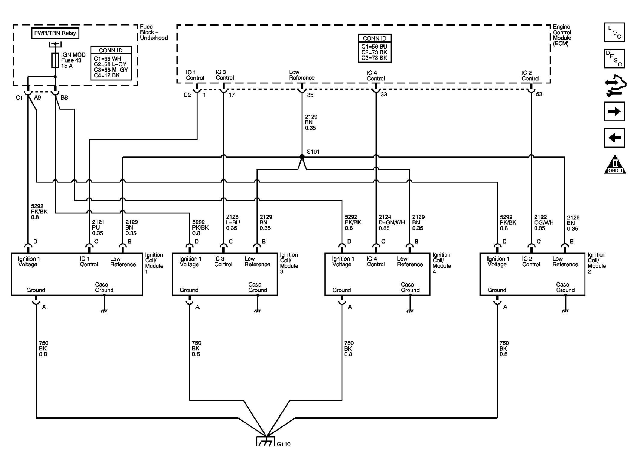
Fig 6: Ignition Coils/Modules Schematic
GM1783117Courtesy of GENERAL MOTORS CORP.
Fig 7: Ignition Sensors Schematic
GM1783133Courtesy of GENERAL MOTORS CORP.
Fig 8: Fuel Injectors and Fuel Pump Schematic
GM1783146Courtesy of GENERAL MOTORS CORP.
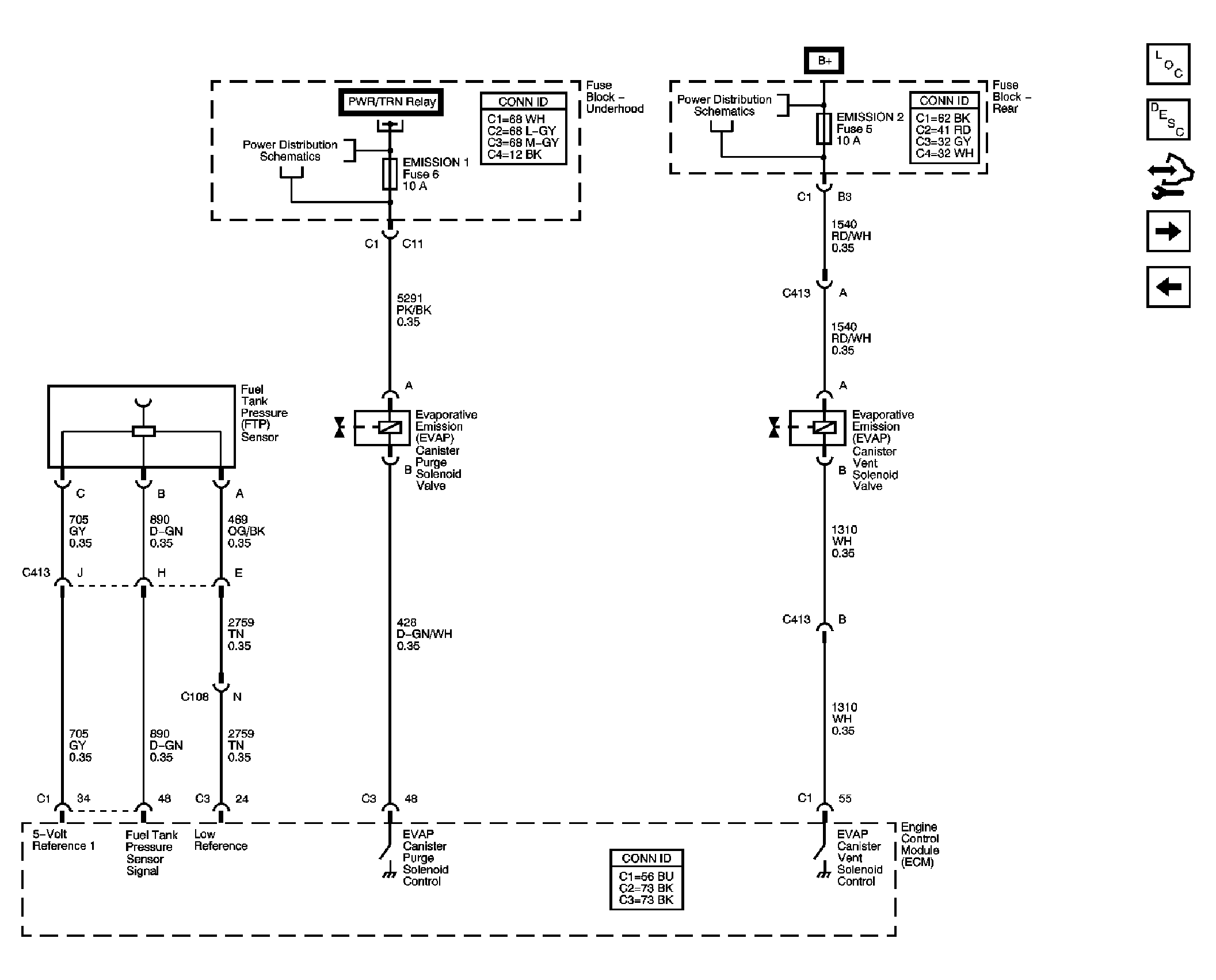
Fig 9: EVAP Controls and FTP Sensor Schematic
GM1783148Courtesy of GENERAL MOTORS CORP.
Fig 10: Controlled/Monitored Subsystem References Schematic
GM1783151Courtesy of GENERAL MOTORS CORP.