LEMON Manuals: Even more car manuals for everyone
Home >> GMC >> 2007 >> Acadia SLE, AWD >> Repair and Diagnosis >> External Pages >> Different car >> Section 417 (Antilock Brake System, Traction Control System & Stability Control System) >> Schematic and Routing Diagrams >> Antilock Brake System Schematics

Antilock Brake System Schematics

WARNING: This page is about a different car, the 2007 Cadillac XLR. However, it is still accessible from the selected car via links, so may be relevant.
Fig 1: Power, Ground, Indicators & Brake Pressure Modulator Valve Schematic
GM1755605Courtesy of GENERAL MOTORS CORP.
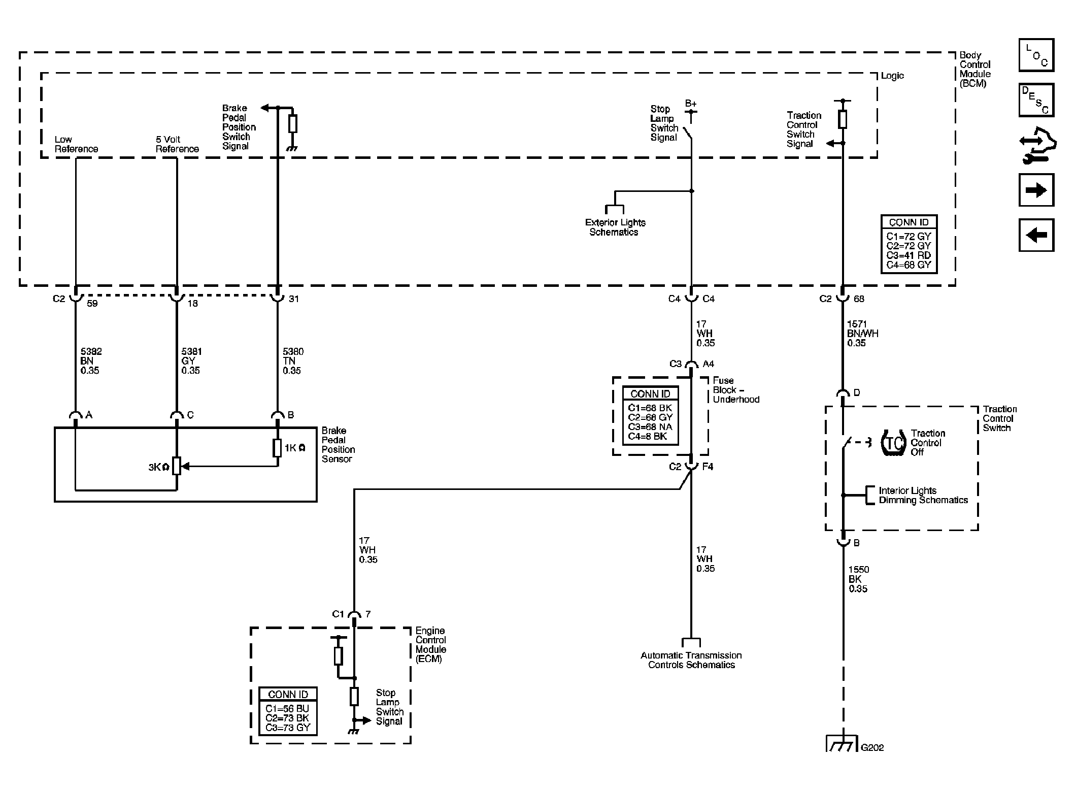
Fig 2: Brake Pedal Signal & Traction Control Switch Schematic
GM1755606Courtesy of GENERAL MOTORS CORP.
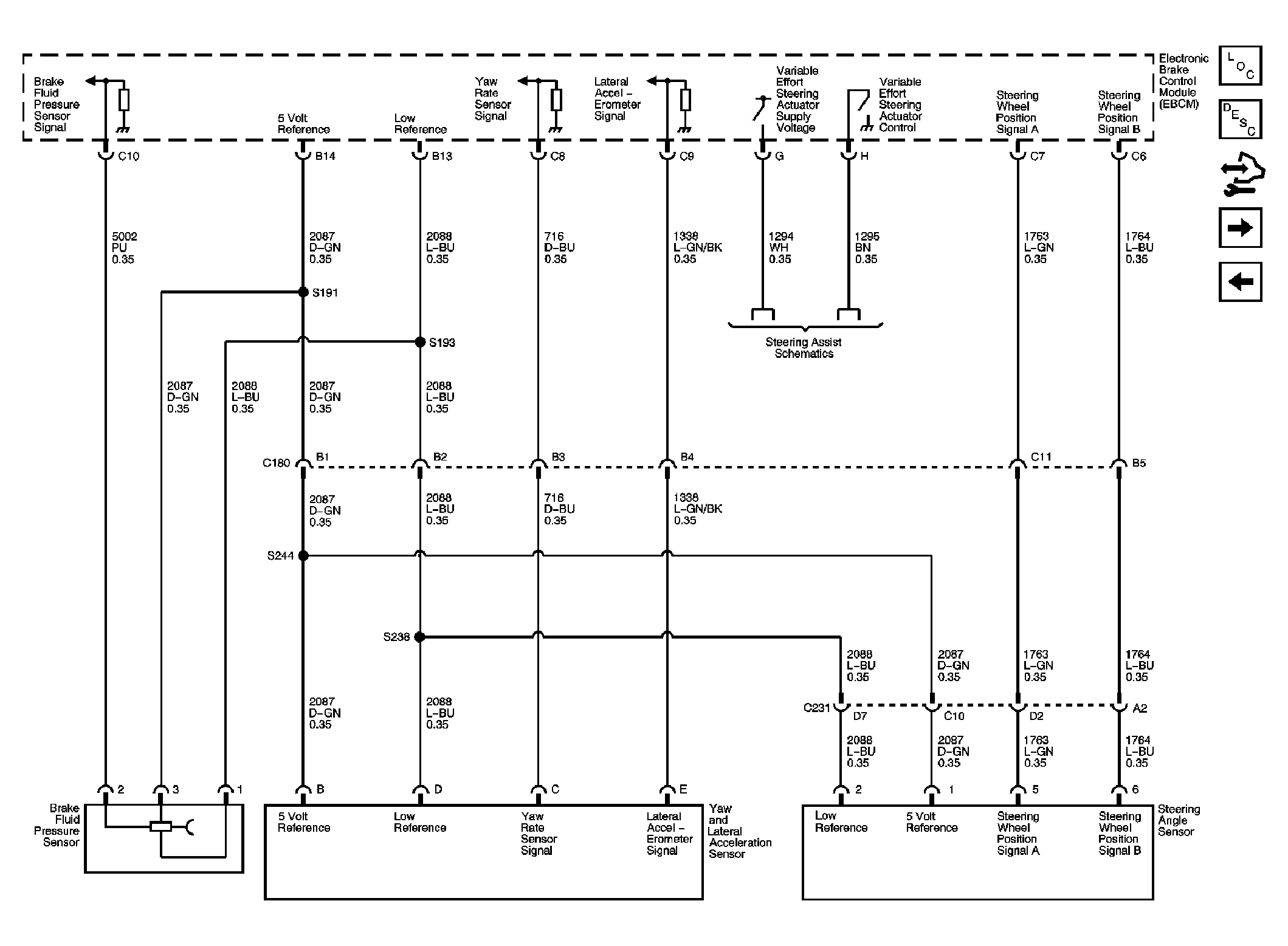
Fig 3: Stability Control Sensors Schematic
GM1755607Courtesy of GENERAL MOTORS CORP.
Fig 4: Wheel Speed Sensors Schematic
GM1755608Courtesy of GENERAL MOTORS CORP.