LEMON Manuals: Even more car manuals for everyone
Home >> GMC >> 2007 >> Acadia SLE, AWD >> Repair and Diagnosis >> External Pages >> Different car >> Section 323 (Antilock Brake System, Traction Control System & Stability Control System) >> Schematic and Routing Diagrams >> Antilock Brake System Schematics

Antilock Brake System Schematics

WARNING: This page is about a different car, the 2007 Cadillac STS. However, it is still accessible from the selected car via links, so may be relevant.
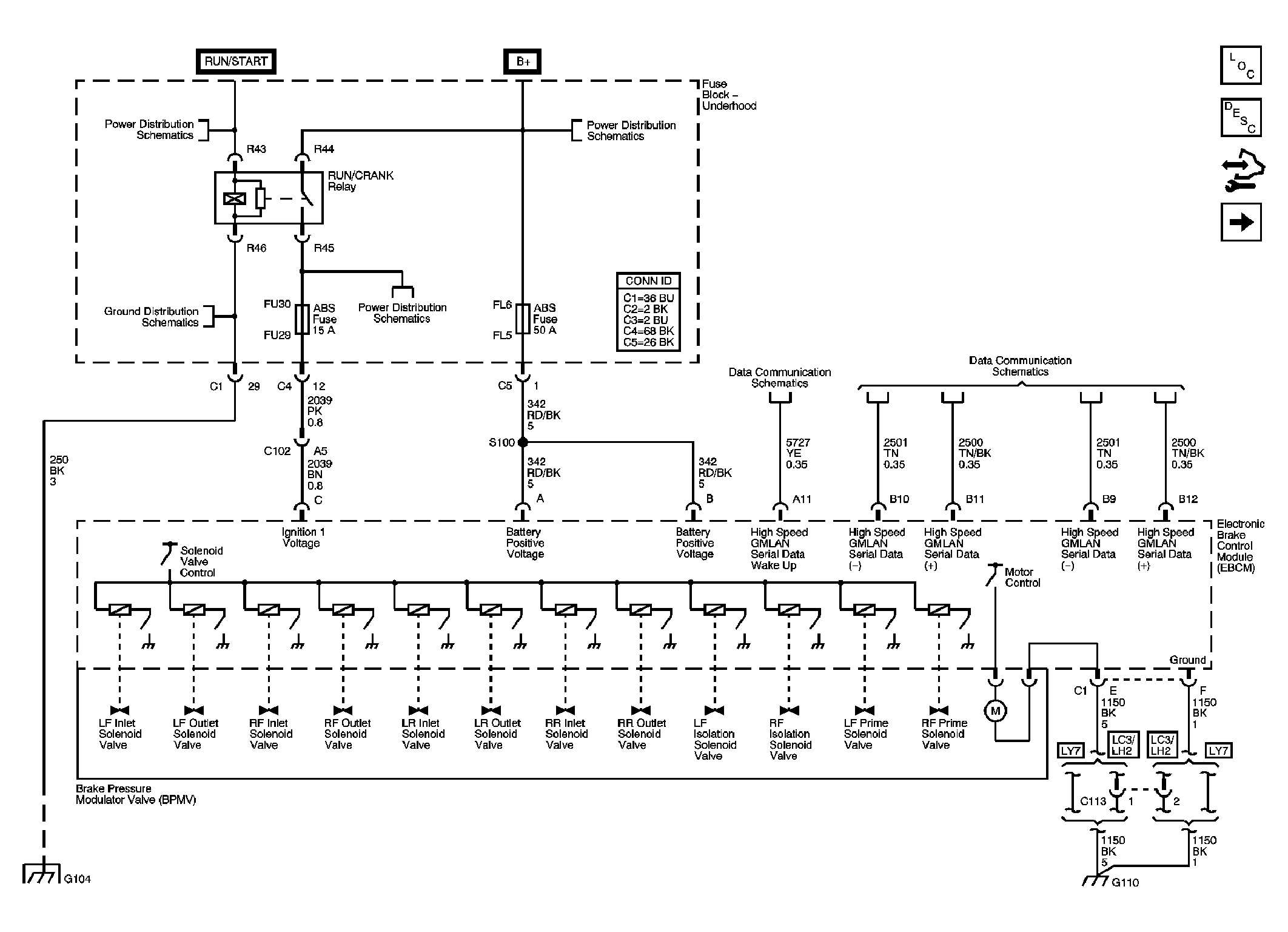
Fig 1: EBCM Module Power, Ground and DLC Schematic
GM1820291Courtesy of GENERAL MOTORS CORP.
Fig 2: Wheel Speed Sensors Schematic
GM1820293Courtesy of GENERAL MOTORS CORP.
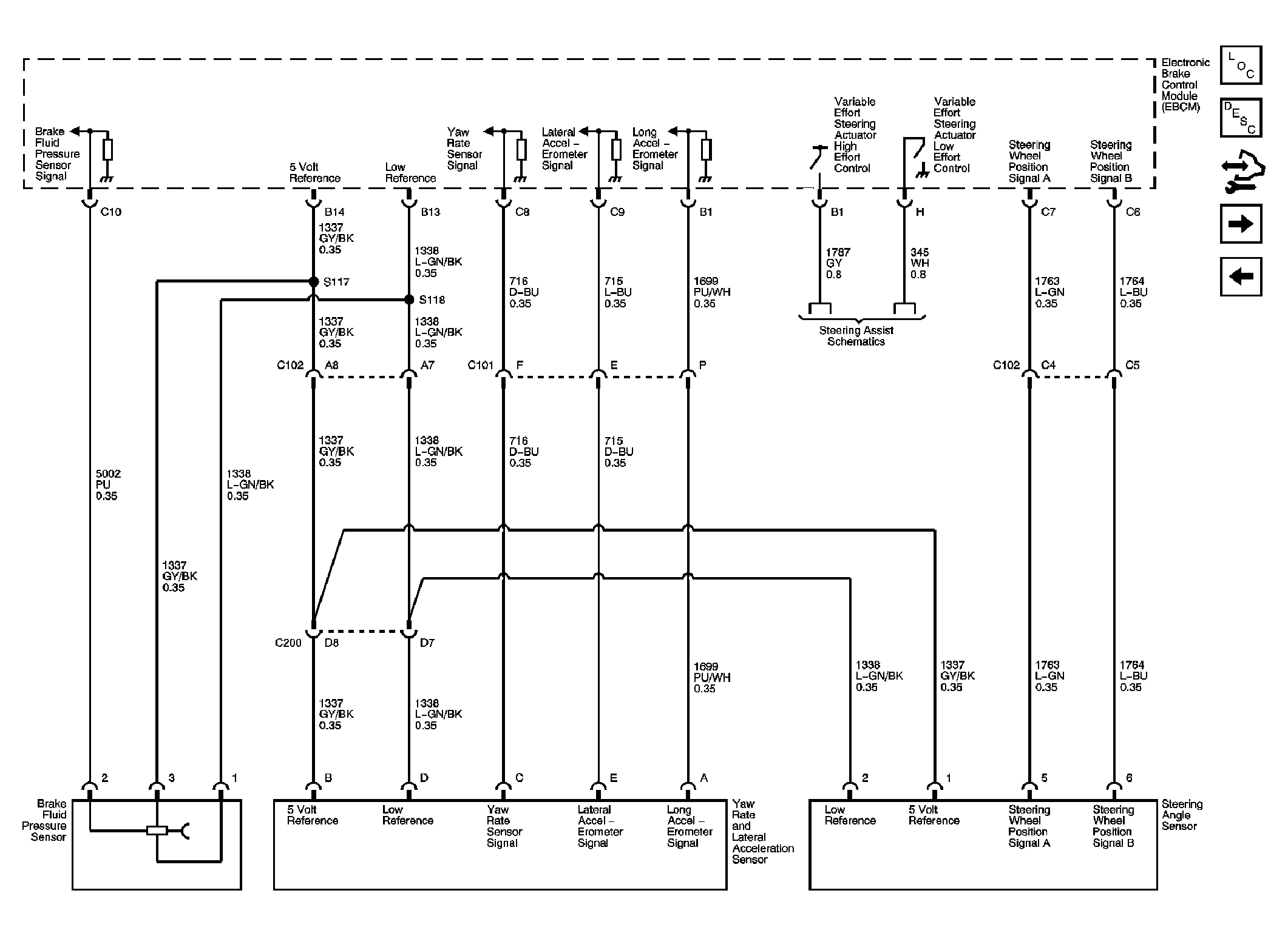
Fig 3: Stability Control System Schematic
GM1820295Courtesy of GENERAL MOTORS CORP.
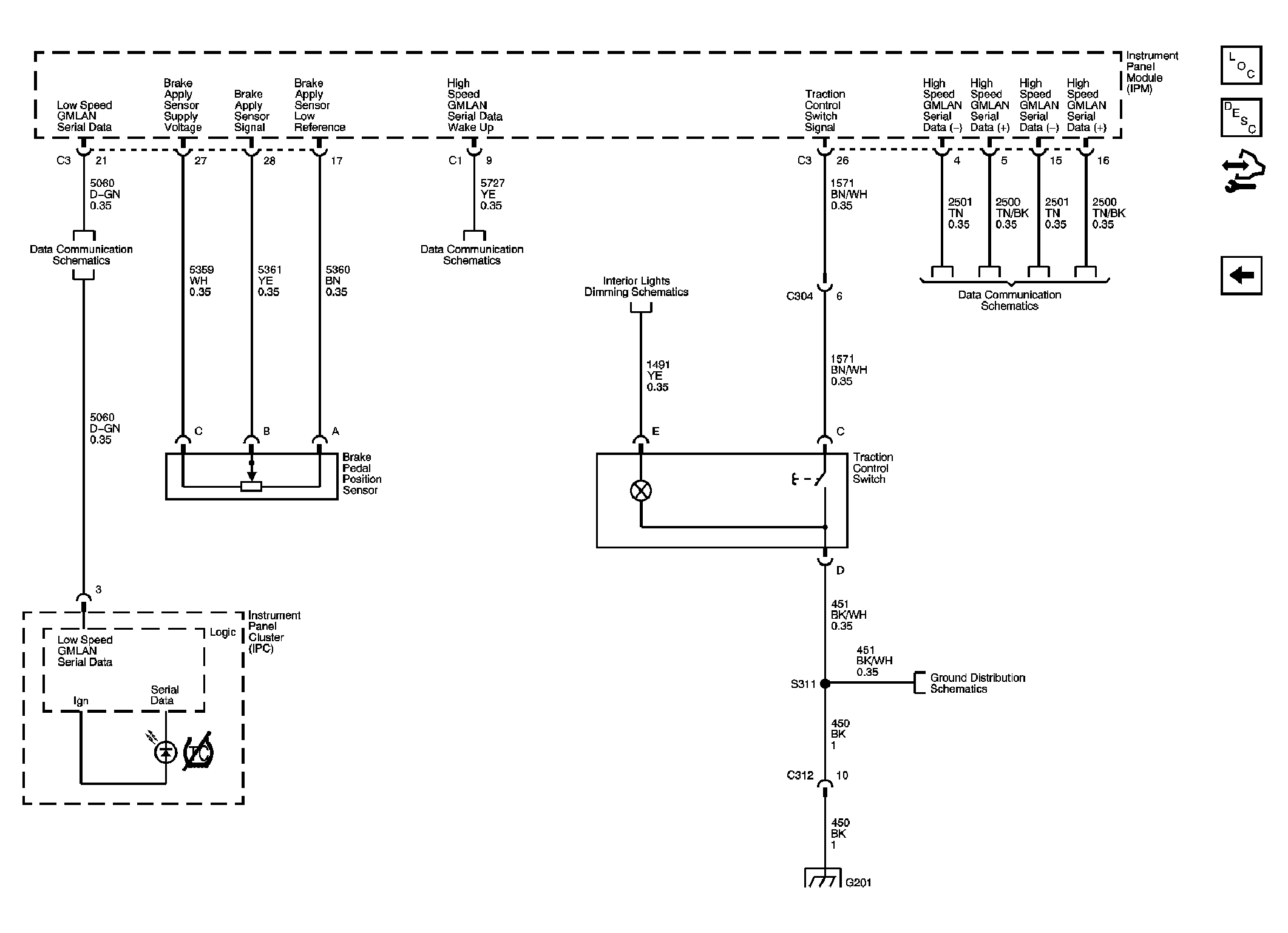
Fig 4: Indicator and Traction Control Schematic
GM1820298Courtesy of GENERAL MOTORS CORP.