LEMON Manuals: Even more car manuals for everyone
Home >> GMC >> 2007 >> Acadia SLE, AWD >> Repair and Diagnosis >> External Pages >> Different car >> Section 287 (Cellular System, Entertainment System, And Navigation System) >> Schematic and Routing Diagrams >> OnStar Schematics

OnStar Schematics

WARNING: This page is about a different car, the 2007 Cadillac STS. However, it is still accessible from the selected car via links, so may be relevant.
Fig 1: Radio Power, Ground, DLC and Audio Communications Schematic
GM1823009Courtesy of GENERAL MOTORS CORP.
Fig 2: Speakers - w/UX8 Schematic
GM1823016Courtesy of GENERAL MOTORS CORP.
Fig 3: Speakers (w/UY5) 1 of 3 Schematic
GM1823021Courtesy of GENERAL MOTORS CORP.
Fig 4: Speakers (w/UY5) 2 of 3 Schematic
GM1823024Courtesy of GENERAL MOTORS CORP.
Fig 5: Speakers (w/UY5) 3 of 3 Schematic
GM1823028Courtesy of GENERAL MOTORS CORP.
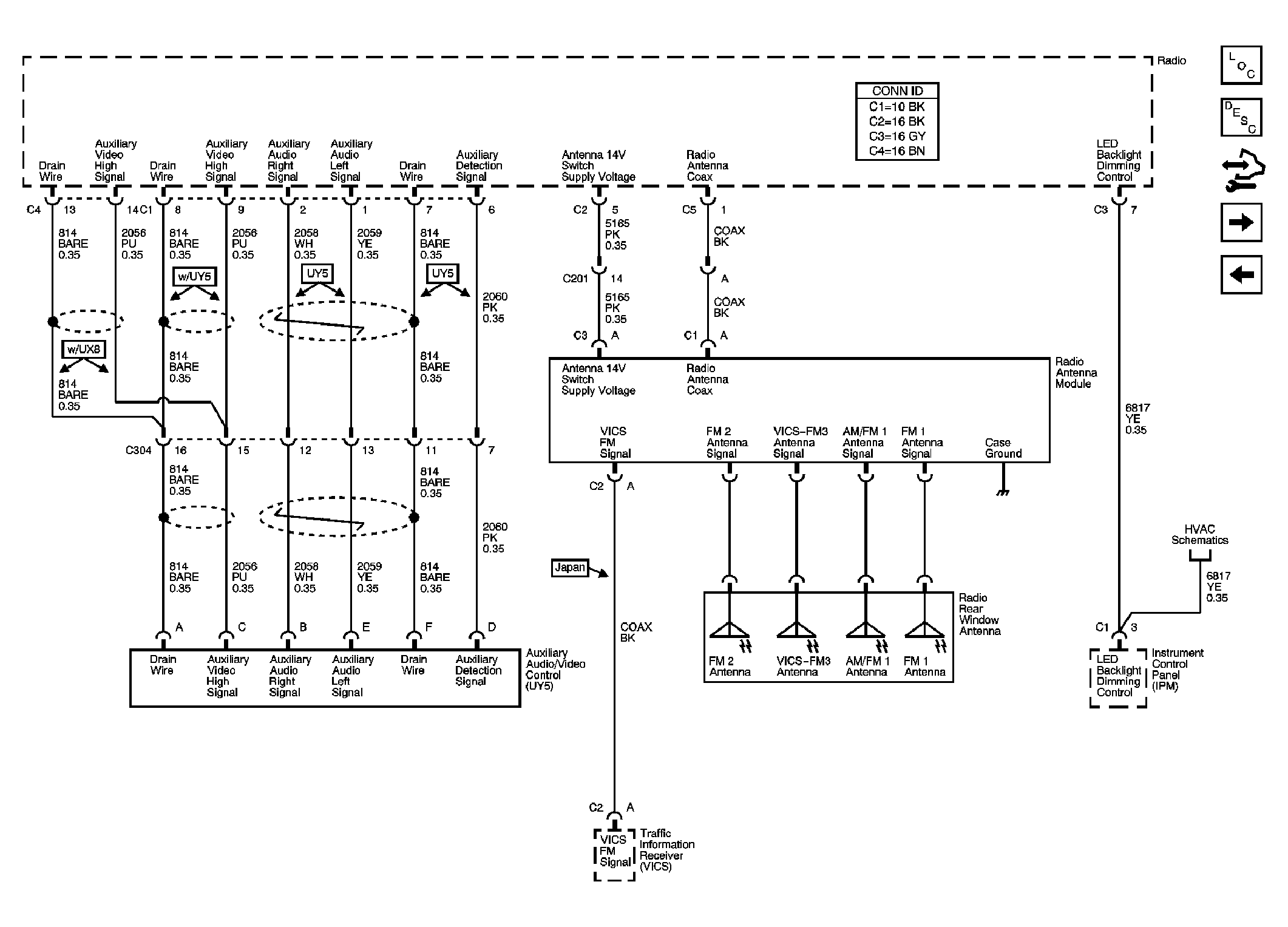
Fig 6: Radio Antennas, Audio/Video Adapter Schematic
GM1823038Courtesy of GENERAL MOTORS CORP.
Fig 7: Digital Radio Receiver - w/U2K Schematic
GM1823042Courtesy of GENERAL MOTORS CORP.
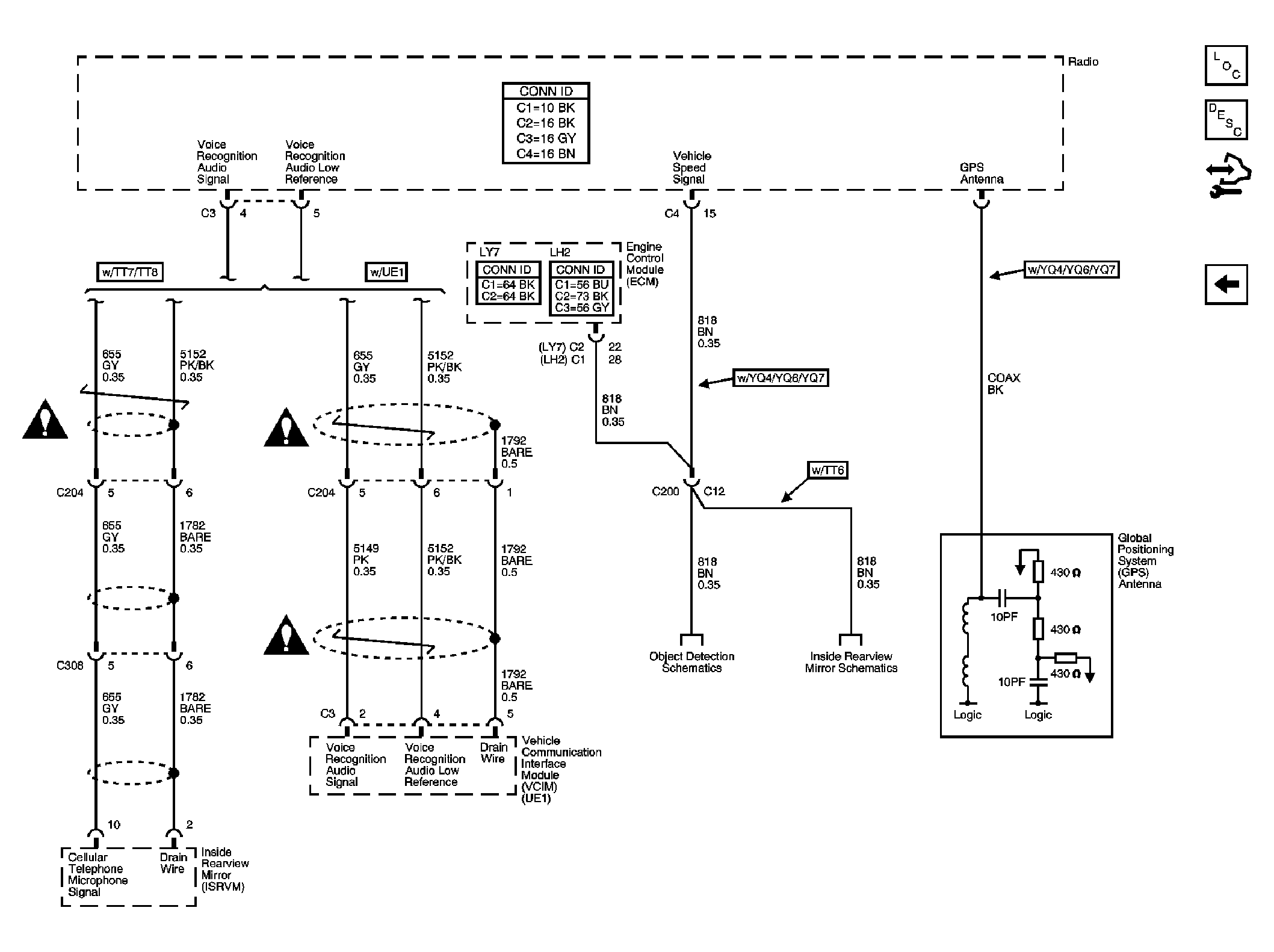
Fig 8: Microphone, VSS and GPS Antenna Schematic
GM1823054Courtesy of GENERAL MOTORS CORP.
Fig 9: Traffic Information Receiver Module (VICS) Schematic - Japan Only
GM1823092Courtesy of GENERAL MOTORS CORP.
Fig 10: Radio and VICS Antennas, Audio/Video Adapter Schematic
GM1823099Courtesy of GENERAL MOTORS CORP.
Fig 11: TV Tuner Assembly - Export Schematic
GM1823102Courtesy of GENERAL MOTORS CORP.
Fig 12: Microphone, VSS and GPS Antenna Schematic
GM1823104Courtesy of GENERAL MOTORS CORP.