LEMON Manuals: Even more car manuals for everyone
Home >> GMC >> 2007 >> Acadia SLE, AWD >> Repair and Diagnosis >> External Pages >> Different car >> Section 1238 (Object Detection System - Park Assist System) >> Schematic Wiring Diagrams >> Object Detection Wiring Schematics >> Rearview Camera (UVC)

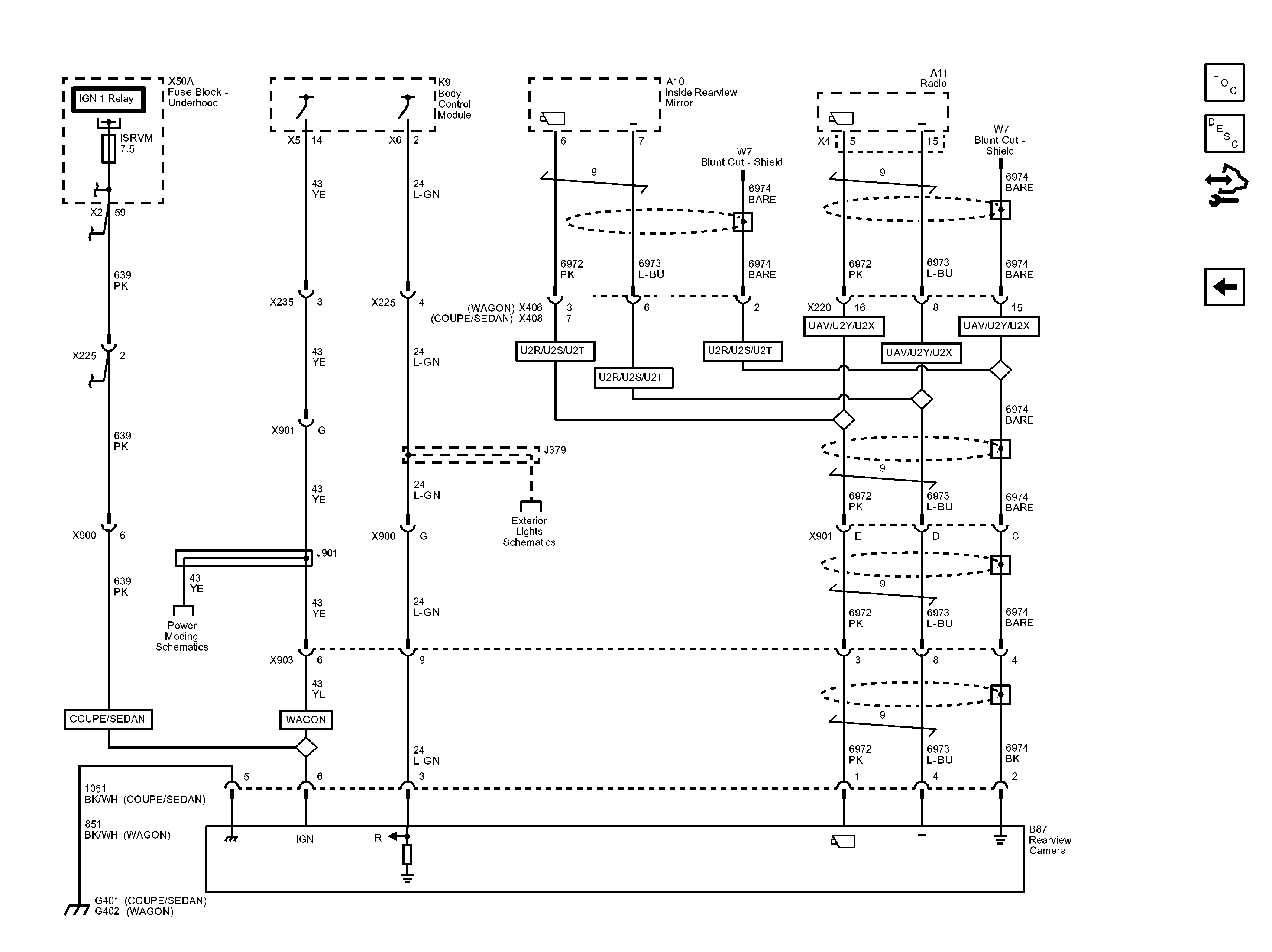
Rearview Camera (UVC)

WARNING: This page is about a different car, the 2013 Cadillac CTS. However, it is still accessible from the selected car via links, so may be relevant.
Fig 1: Rearview Camera Wiring Schematic (UVC)
GM2779202Courtesy of GENERAL MOTORS COMPANY