LEMON Manuals: Even more car manuals for everyone
Home >> GMC >> 2007 >> Acadia SLE, AWD >> Repair and Diagnosis >> External Pages >> Different car >> Section 1205 (Keyless Entry System And Remote Functions) >> Schematic Wiring Diagrams >> Remote Function Wiring Schematics >> Easy Keyless Entry (ATH)

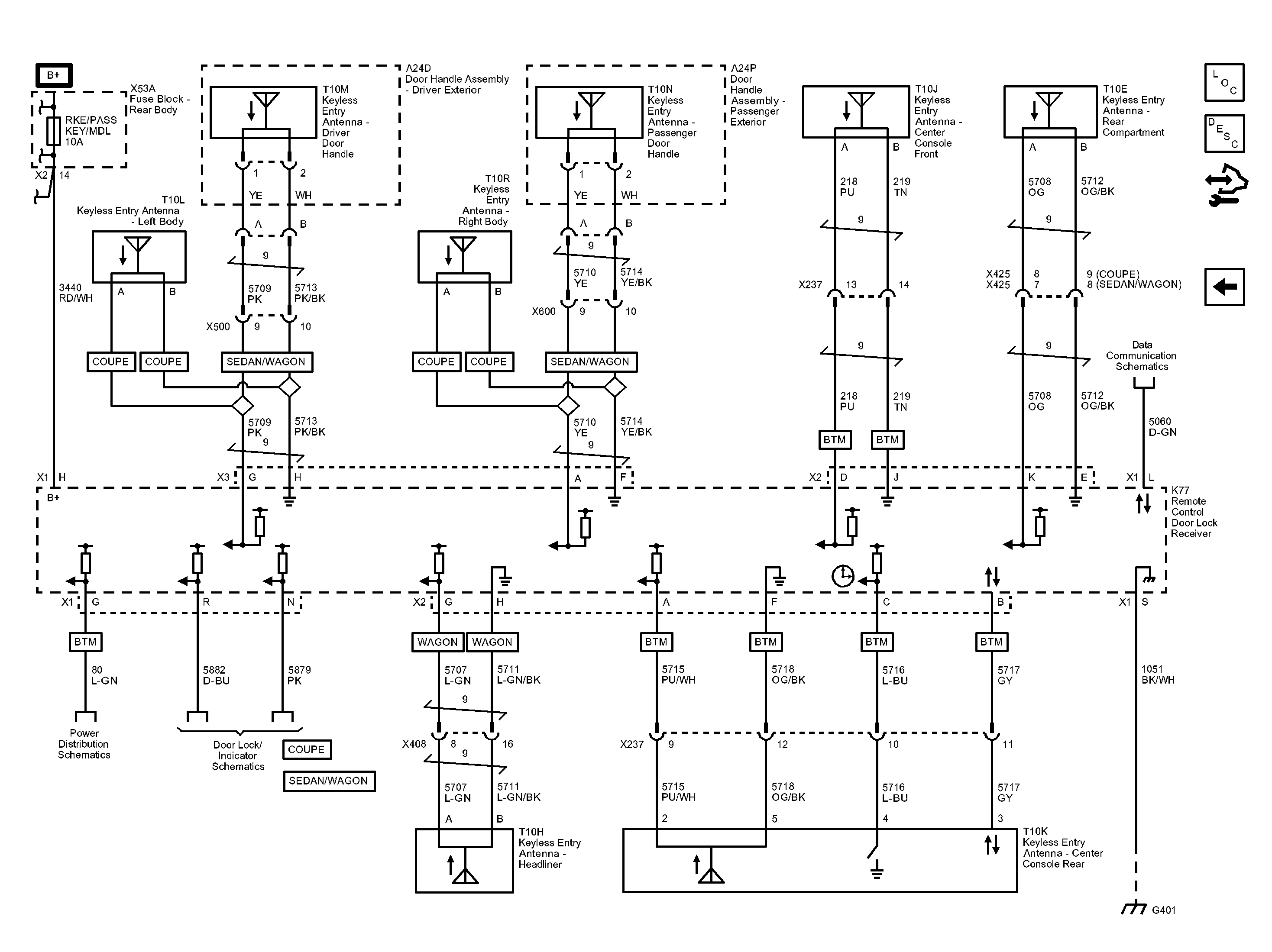
Easy Keyless Entry (ATH)

WARNING: This page is about a different car, the 2013 Cadillac CTS. However, it is still accessible from the selected car via links, so may be relevant.
Fig 1: Easy Keyless Entry Wiring Schematic (ATH)
GM2779212Courtesy of GENERAL MOTORS COMPANY