LEMON Manuals: Even more car manuals for everyone
Home >> GMC >> 2005 >> Jimmy Part Time, Standard >> Repair and Diagnosis >> External Pages >> Different variant/trim >> Section 1 (Transfer Case - NVG 236-NP8) >> Schematic and Routing Diagrams >> Transfer Case Control Schematics

Transfer Case Control Schematics

WARNING: This page is about a different variant/trim than selected.
Fig 1: Power, Ground and Transfer Case Encoder Motor
GM1509544Courtesy of GENERAL MOTORS CORP.
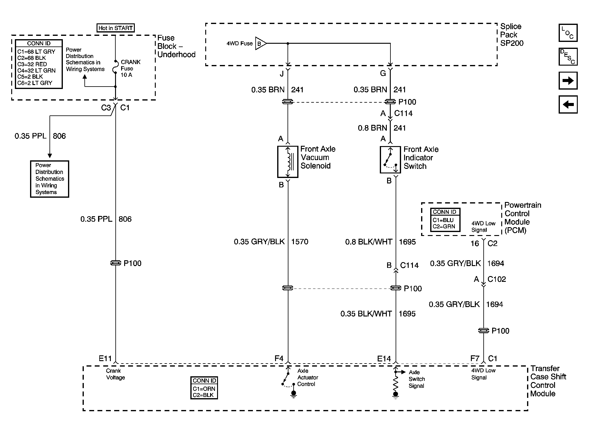
Fig 2: CRANK Fuse, Front Axle Indicator Switch, And Front Axle Vacuum Solenoid
GM884533Courtesy of GENERAL MOTORS CORP.
Fig 3: ILLUM Fuse, Shift Control Switch and Body Control Module (BCM)
GM1509545Courtesy of GENERAL MOTORS CORP.
Fig 4: Transfer Case Encoder Motor And Shift Control Module
GM755632Courtesy of GENERAL MOTORS CORP.
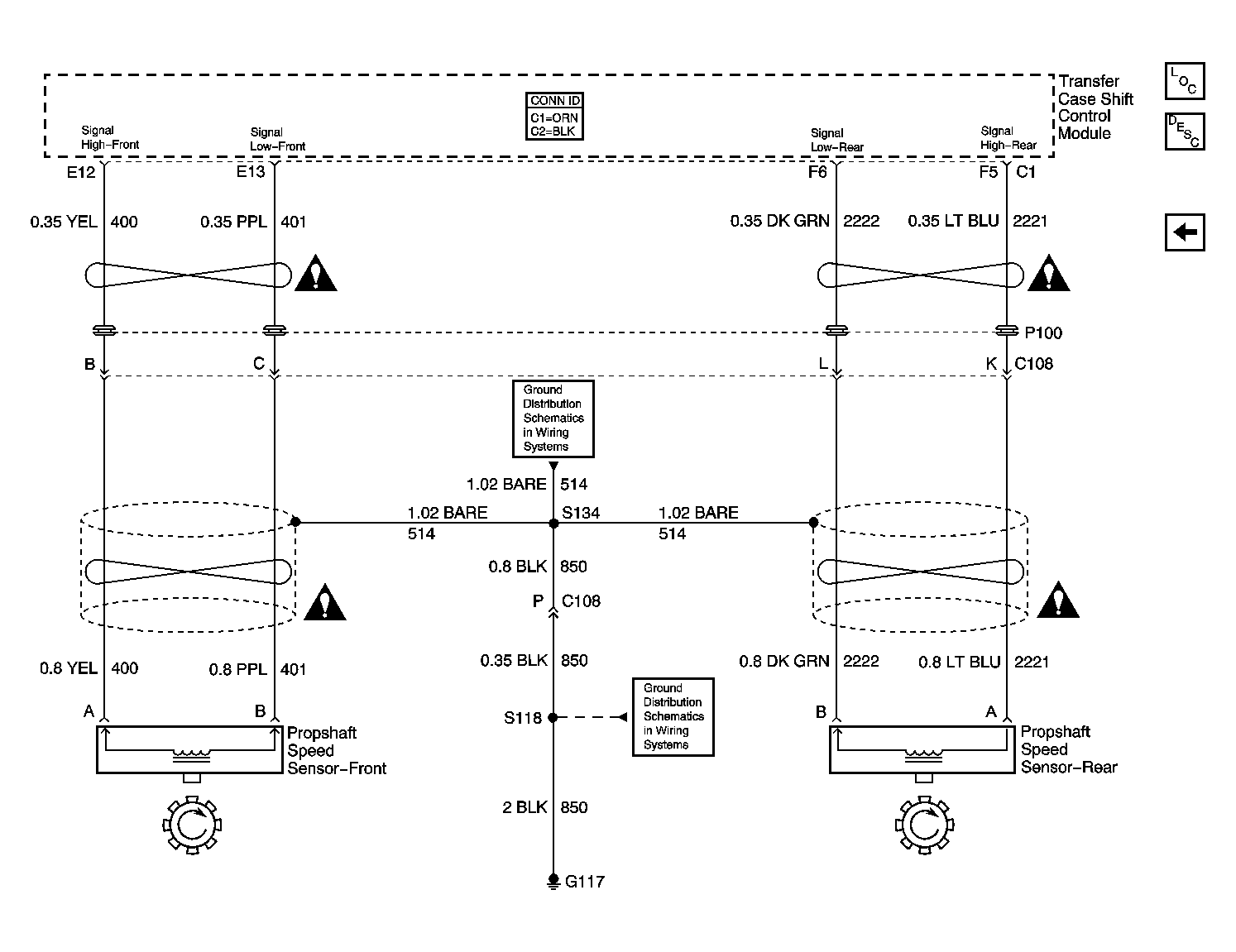
Fig 5: Speed Sensors
GM755633Courtesy of GENERAL MOTORS CORP.