LEMON Manuals: Even more car manuals for everyone
Home >> GMC >> 2005 >> Jimmy Part Time, Standard >> Repair and Diagnosis >> Engine Performance >> System >> Engine Controls - (Introduction) >> Schematic and Routing Diagrams >> Engine Controls Schematics

Engine Controls Schematics

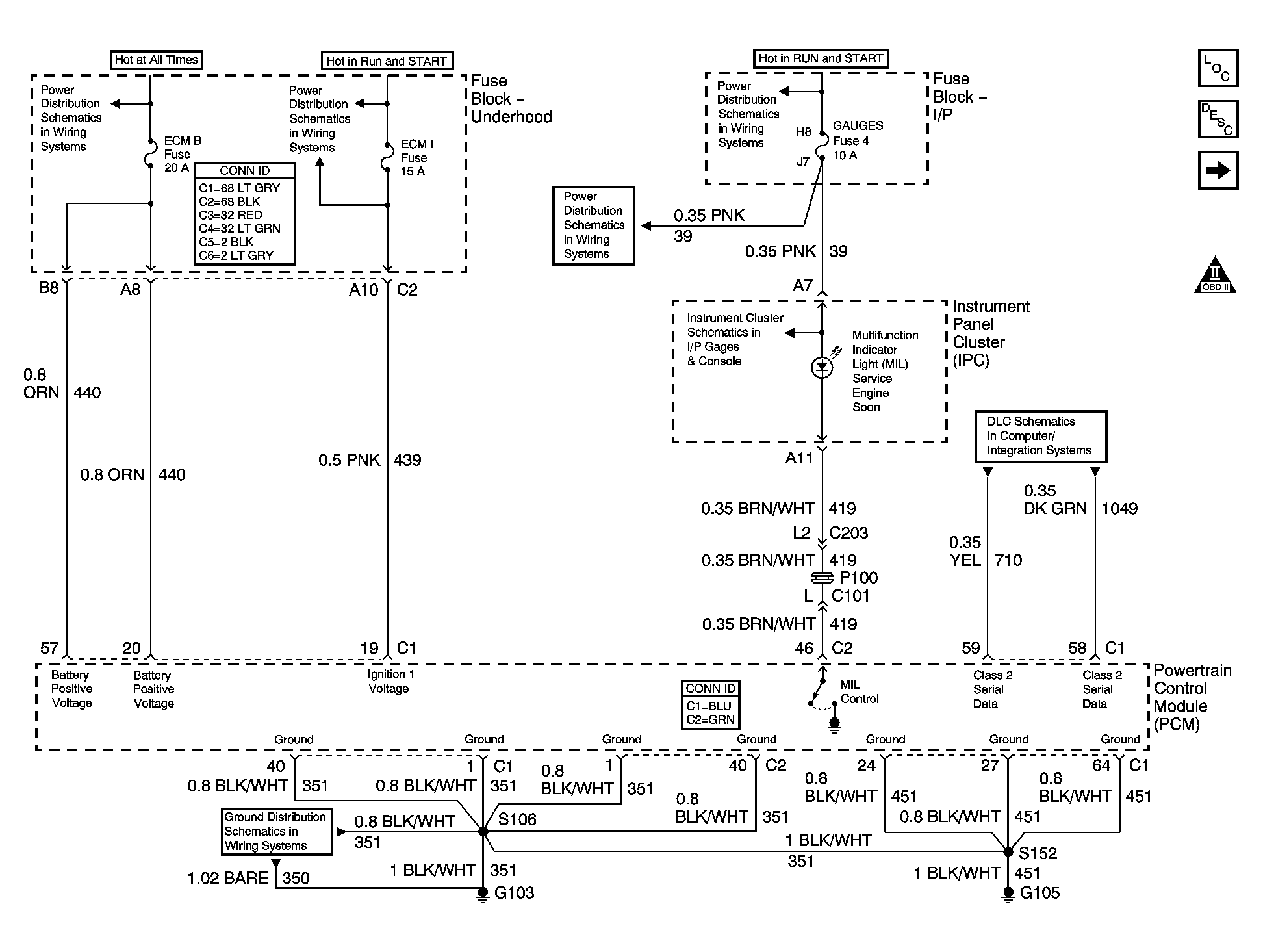
Fig 1: Module Power, Ground, Serial Data and MIL
GM1509534Courtesy of GENERAL MOTORS CORP.
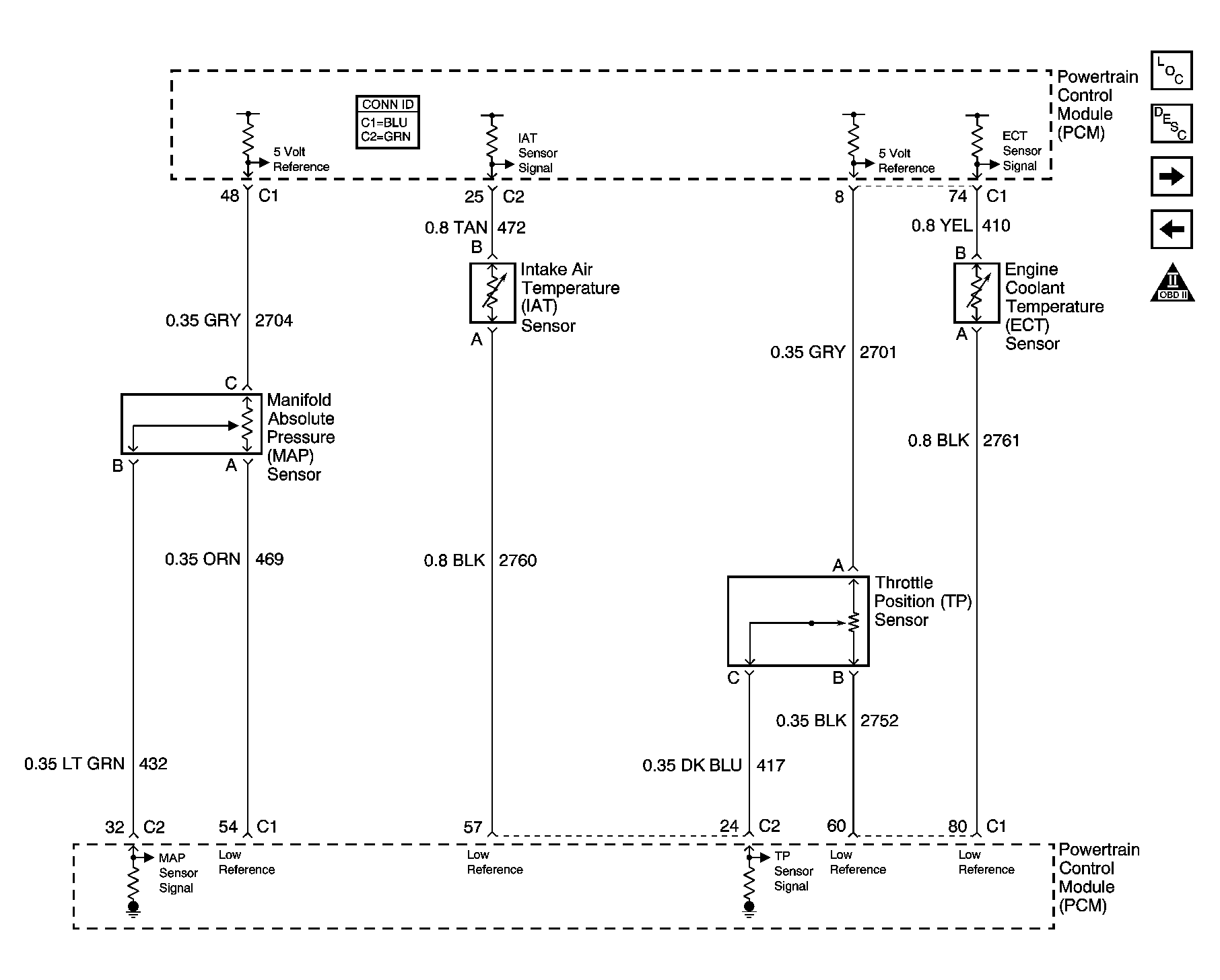
Fig 2: Engine Data Sensors Schematic - Pressure and Temperature
GM883981Courtesy of GENERAL MOTORS CORP.
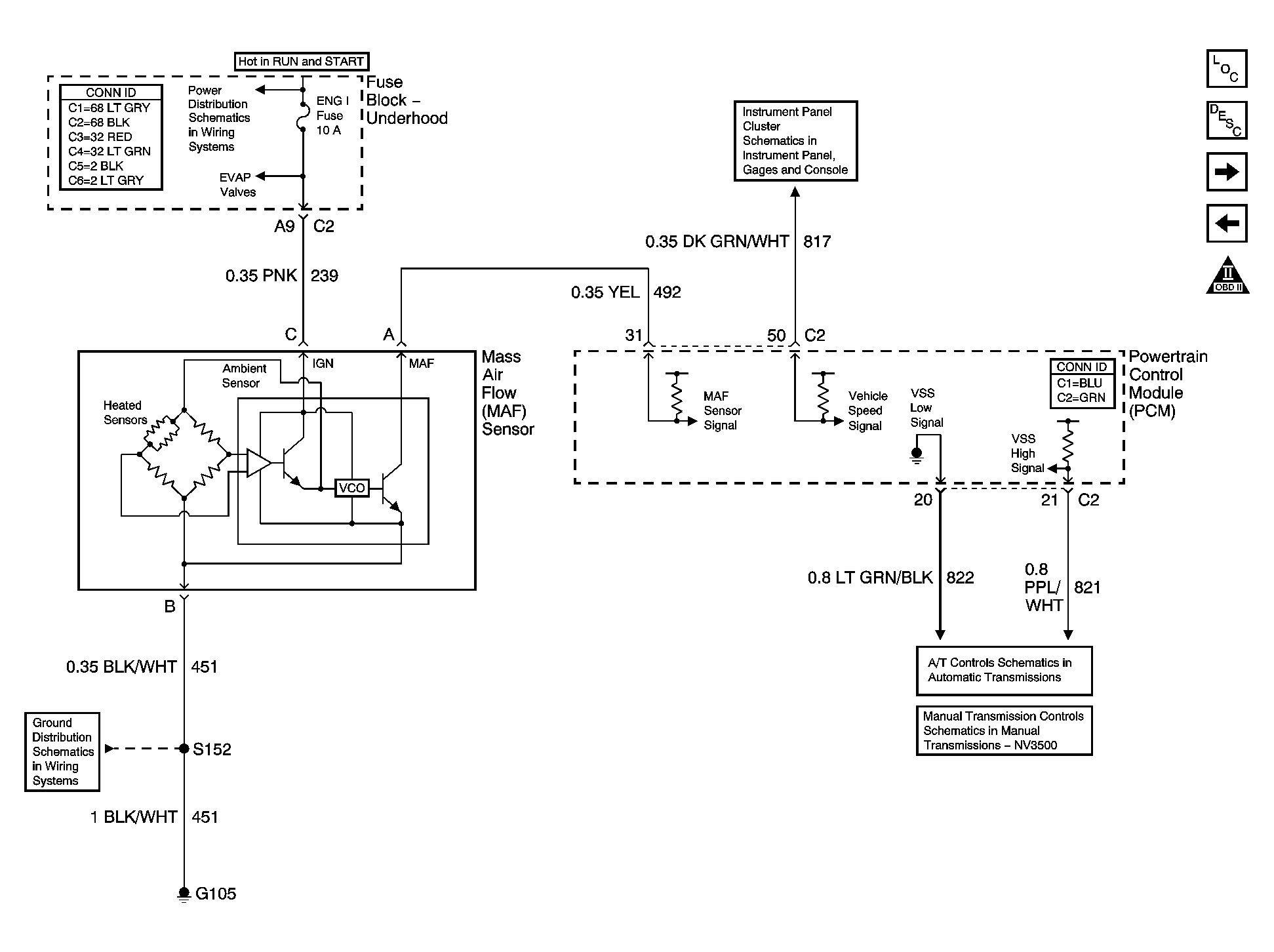
Fig 3: Engine Data Sensors Schematic - MAF and VSS
GM883982Courtesy of GENERAL MOTORS CORP.
Fig 4: Heated Oxygen Sensors Schematic - Except NM8
GM857536Courtesy of GENERAL MOTORS CORP.
Fig 5: Ignition Controls Schematic - Ignition System and Sensors
GM883983Courtesy of GENERAL MOTORS CORP.
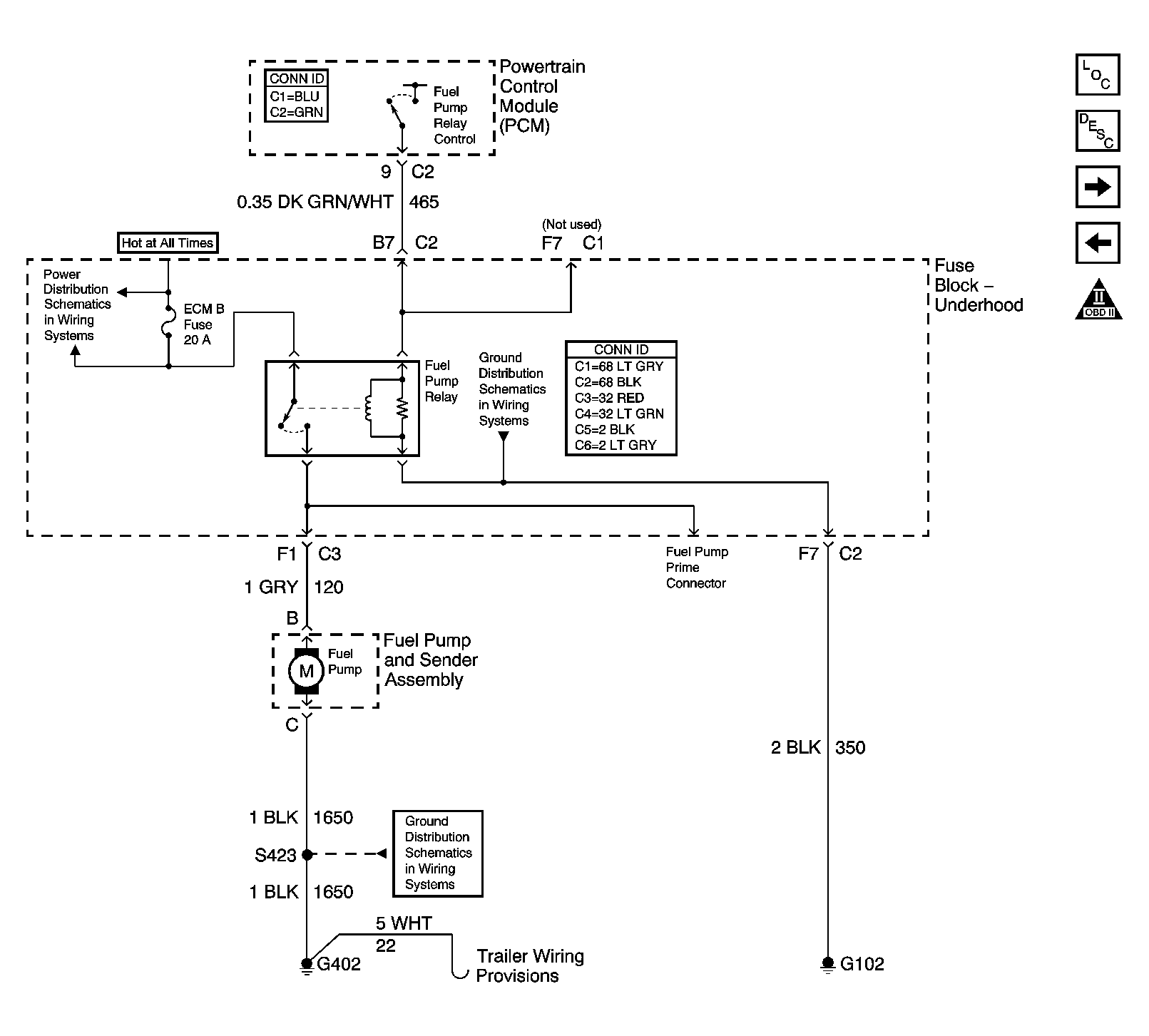
Fig 6: Fuel Controls - Fuel Pump Controls
GM1509537Courtesy of GENERAL MOTORS CORP.
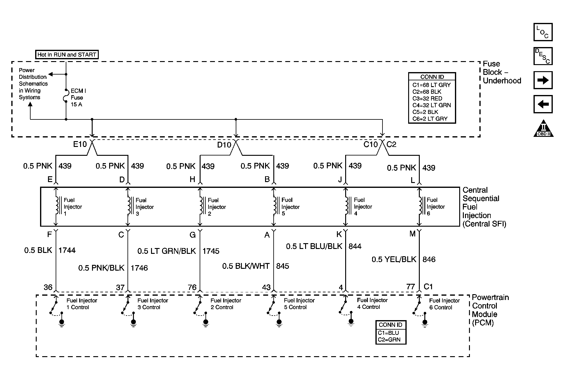
Fig 7: Fuel Controls Schematic - Fuel Injector Controls
GM883984Courtesy of GENERAL MOTORS CORP.
Fig 8: Fuel Controls Schematic - EVAP Controls
GM857634Courtesy of GENERAL MOTORS CORP.
Fig 9: Device Controls, Controlled/Monitored Subsystem References, and M/T Schematic
GM857635Courtesy of GENERAL MOTORS CORP.
Fig 10: Transmission Controls Schematic - A/T
GM883986Courtesy of GENERAL MOTORS CORP.