LEMON Manuals: Even more car manuals for everyone
Home >> GMC >> 2005 >> Jimmy Part Time, Standard >> Repair and Diagnosis (Single Page) >> Accessories & Equipment >> Wiper/Washer Systems >> Wiper System And Washer System >> Schematic and Routing Diagrams >> Wiper/Washer System Schematics

Wiper/Washer System Schematics

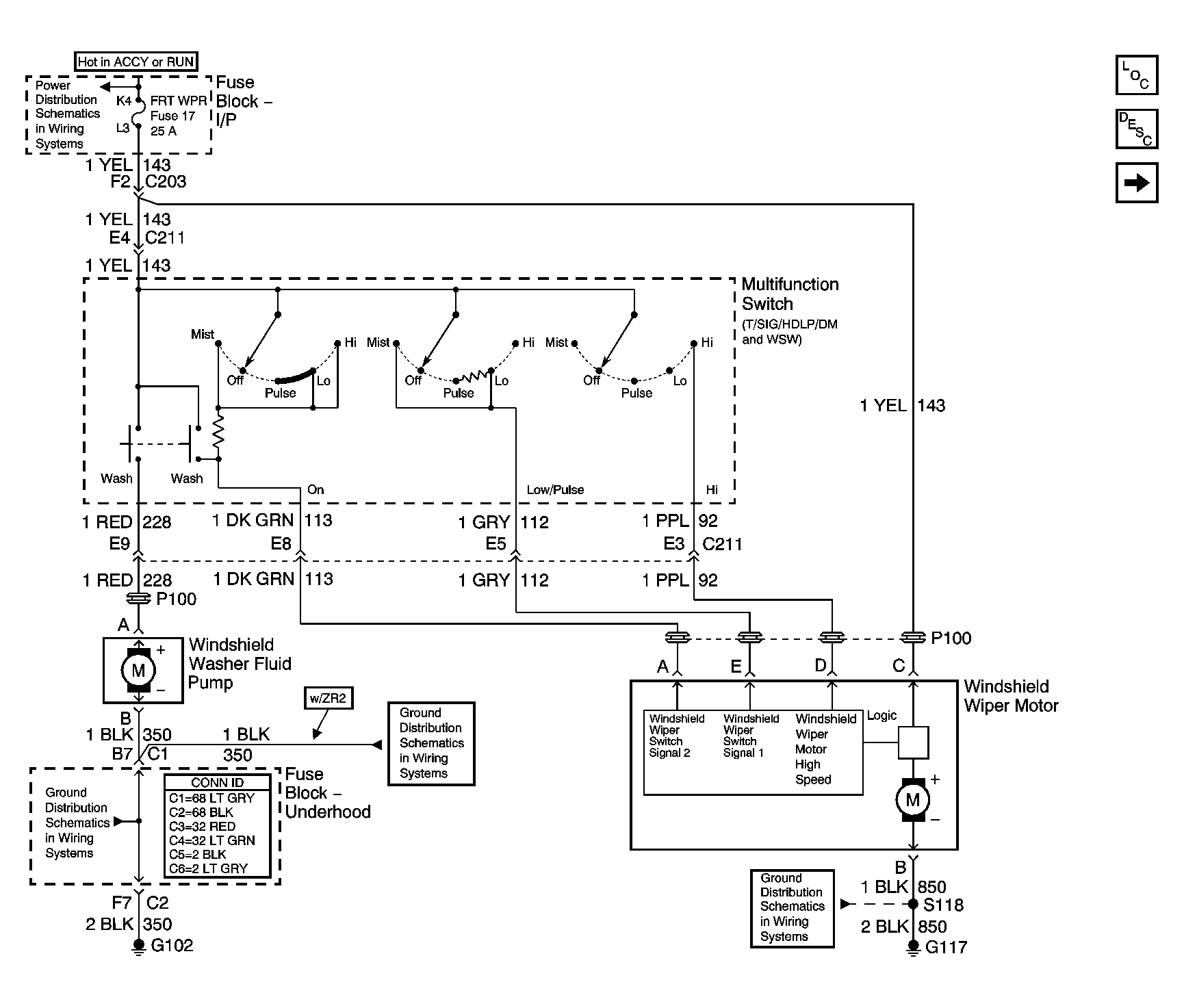
Fig 1: Pulse Wipers
GM1509385Courtesy of GENERAL MOTORS CORP.
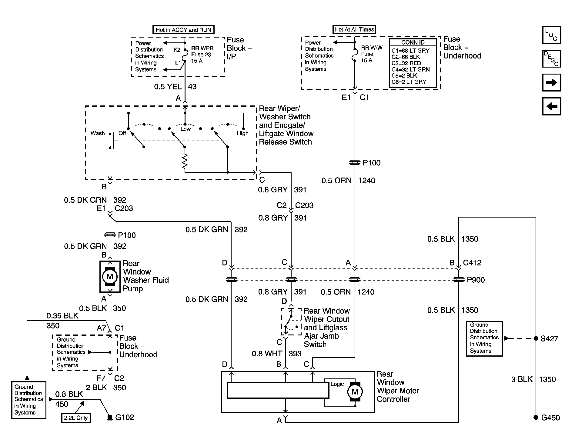
Fig 2: Rear Wipers
GM886273Courtesy of GENERAL MOTORS CORP.
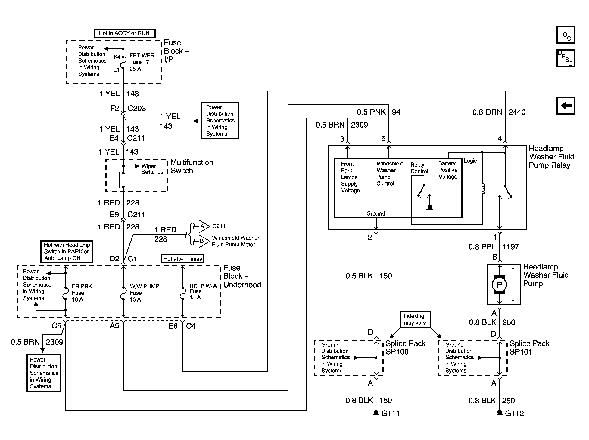
Fig 3: Headlamp Washer System - Export Only
GM886274Courtesy of GENERAL MOTORS CORP.