LEMON Manuals: Even more car manuals for everyone
Home >> GMC >> 2005 >> Jimmy Part Time, Automatic >> Repair and Diagnosis >> Transmission >> Automatic Trans >> Shift Interlock System >> Schematic and Routing Diagrams >> Automatic Transmission Shift Lock Control Schematics

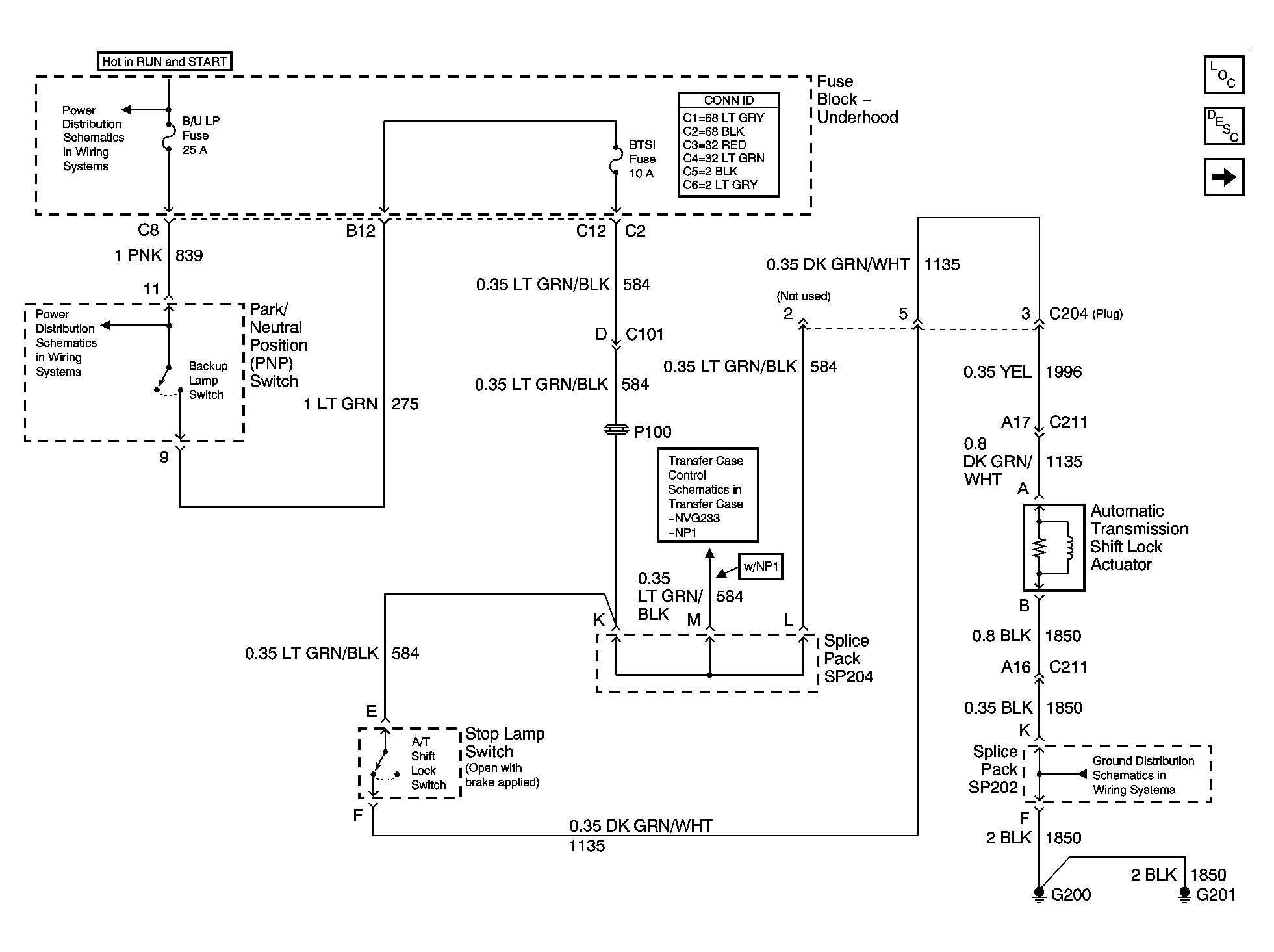
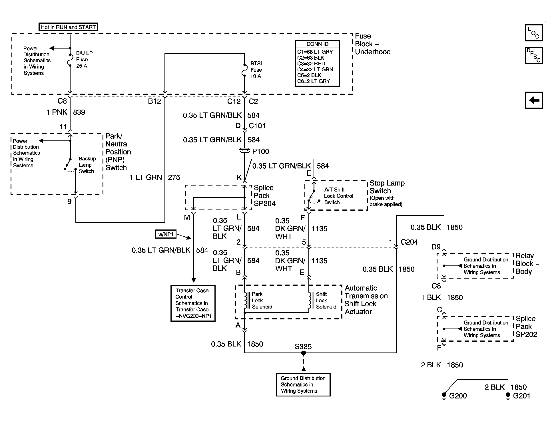
Automatic Transmission Shift Lock Control Schematics

Fig 1: Automatic Transmission Shift Lock Control Schematic w/Column Shift
GM1544636Courtesy of GENERAL MOTORS CORP.
Fig 2: Automatic Transmission Shift Lock Control Schematic w/Floor Shift
GM1509236Courtesy of GENERAL MOTORS CORP.